Каталог запасных частей к технике: KUHN FB 119. PICK-UP (HEIGHT ADJUSTMENT)
1
2
3
3
3
3
3
3
4
4
4
4
4
5
5
5
5
5
5
6
7
8
8
9
9
9
10
10
11
11
12
12
14
15
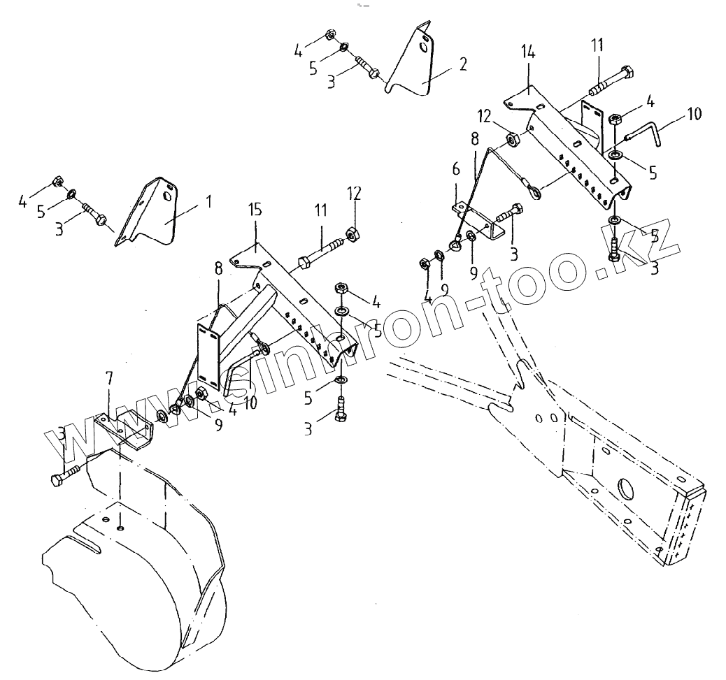
| Позиция на иллюстрации | Заводской номер детали | Название детали | |
|---|---|---|---|
| 1 | Z4400810 | PLATE | |
| 2 | Z4400800 | PLATE | |
| 3 | 80061035 | HEX. HEAD SCREW FE/ZNXC3 | |
| 4 | 80201005 | SELF-LOCKING NUT FLZNNC | |
| 5 | 80251021 | PLAIN WASHER M10 | |
| 6 | Z4400710 | RETAINER | |
| 7 | Z4400750 | RETAINER | |
| 8 | Z4013010 | CABLE | |
| 9 | 80251003 | PLAIN WASHER FE/ZNXC3 | |
| 10 | Z4013000 | PIN | |
| 11 | 80061223 | HEXAGON HEAD SCREW FLZNNC | |
| 12 | 80201248 | SELF-LOCKING NUT FLZNNC | |
| 14 | Z4083720 | RETAINER LEFT | |
| 15 | Z4083730 | RETAINER |
Содержащиеся в справочниках-каталогах запасные части и детали не предлагаются к продаже, а носят исключительно информационный характер