Каталог запасных частей к технике: KRONE EColl.6000,7500,9000,6000F/FP. Guard cpl.
1
1
2
3
5
5
5
5
5
6
6
6
7
7
8
8
9
9
10
10
10
10
10
10
10
10
11
11
11
11
11
11
11
11
11
11
12
12
12
12
12
12
13
13
14
14
14
14
14
15
15
15
15
15
15
16
16
16
17
17
17
17
18
18
18
19
19
19
19
19
19
20
20
21
21
21
21
21
21
22
23
24
25
25
27
28
28
29
30
30
31
31
31
31
32
33
33
34
35
36
36
37
38
38
39
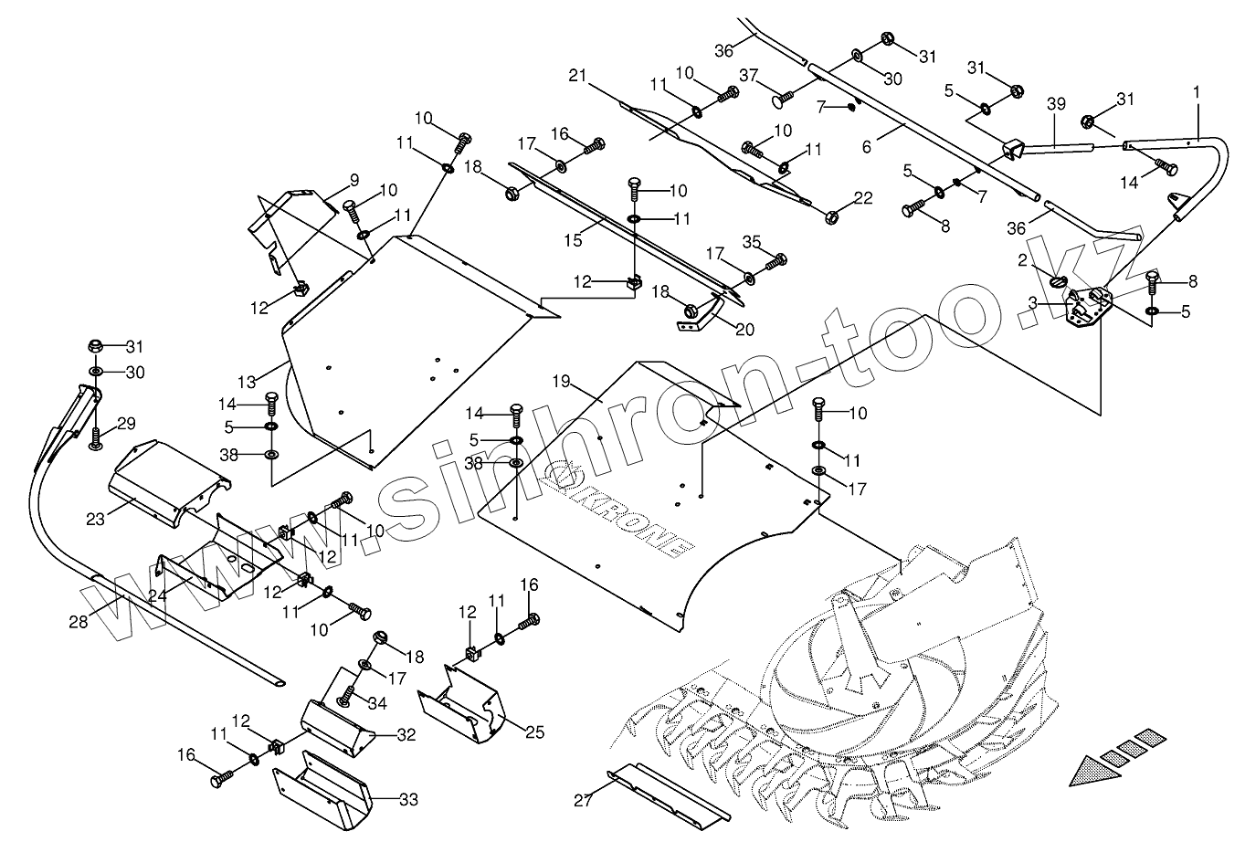
| Позиция на иллюстрации | Заводской номер детали | Название детали | |
|---|---|---|---|
| 1 | 003526031 | Holder-left | |
| 1 | 003526043 | Holder-right | |
| 2 | 009170110 | Linch pin | |
| 3 | 003526002 | Support | |
| 5 | 009099091 | Detent edged washer | |
| 6 | 003526163 | Tube bow | |
| 6 | 003526103 | Tube bow | |
| 6 | 003526203 | Tube bow | |
| 7 | 003526130 | Bushing | |
| 8 | 009006380 | Hex head bolt | |
| 9 | 003526313 | Support-right | |
| 9 | 003526303 | Support-left | |
| 10 | 009006120 | Hex head bolt | |
| 11 | 009099081 | Detent edged washer | |
| 12 | 009095470 | Nut | |
| 13 | 003526332 | Guard-right | |
| 13 | 003526322 | Guard-left | |
| 14 | 009006320 | Hex head bolt | |
| 14 | 009006370 | Hex head bolt | |
| 14 | 009006360 | Hex head bolt | |
| 15 | 003526432 | Guard plate-back right | |
| 15 | 003526422 | Guard plate-left | |
| 15 | 003526352 | Guard plate-right | |
| 15 | 003526342 | Guard plate-left | |
| 15 | 003526392 | Guard plate-right | |
| 15 | 003526382 | Guard plate-left | |
| 16 | 009006140 | Hex head bolt | |
| 17 | 009104130 | Washer | |
| 18 | 009087060 | Locknut | |
| 19 | 003526403 | Guard plate-left | |
| 19 | 003526413 | Guard plate-right | |
| 19 | 003526373 | Guard plate-right | |
| 19 | 003526443 | Guard plate-left | |
| 19 | 003526453 | Guard plate-right | |
| 19 | 003526363 | Guard plate-left | |
| 20 | 003526461 | Support-right | |
| 20 | 003526471 | Support-left | |
| 21 | 003528221 | Folding plate-right | |
| 21 | 003528211 | Folding plate-left | |
| 21 | 003528241 | Folding plate-right | |
| 21 | 003528231 | Folding plate-left | |
| 21 | 003528261 | Folding plate-right | |
| 21 | 003528251 | Folding plate-left | |
| 22 | 009082100 | Hex nut | |
| 23 | 003528303 | Protective box cover | |
| 24 | 003528313 | Protective box bottom | |
| 25 | 003528353 | Guard-left | |
| 25 | 003528363 | Guard-right | |
| 27 | 003528380 | Splashboard | |
| 28 | 003525843 | Ram stop-right | |
| 28 | 003525833 | Ram stop-left | |
| 29 | 009048501 | Coach bolt | |
| 30 | 009104140 | Washer | |
| 31 | 009087580 | Locknut | |
| 32 | 003528321 | Guard support | |
| 33 | 003528343 | Guard-right | |
| 33 | 003528333 | Guard-left | |
| 34 | 009049512 | Coach bolt | |
| 35 | 009006160 | Hex head bolt | |
| 36 | 003526771 | Outer bail | |
| 37 | 009047451 | Coach bolt | |
| 38 | 009103530 | Washer | |
| 39 | 200917460 | Tube support |
Содержащиеся в справочниках-каталогах запасные части и детали не предлагаются к продаже, а носят исключительно информационный характер