Каталог запасных частей к технике: KRONE EC R360. Headstock
1
2
2
3
4
5
6
7
8
9
10
10
10
11
12
13
14
14
14
15
15
16
16
17
18
18
18
19
19
20
21
22
23
24
25
25
26
26
28
29
29
30
31
32
33
34
35
36
37
37
38
39
40
41
41
42
43
44
45
46
47
48
48
49
50
51
52
53
54
55
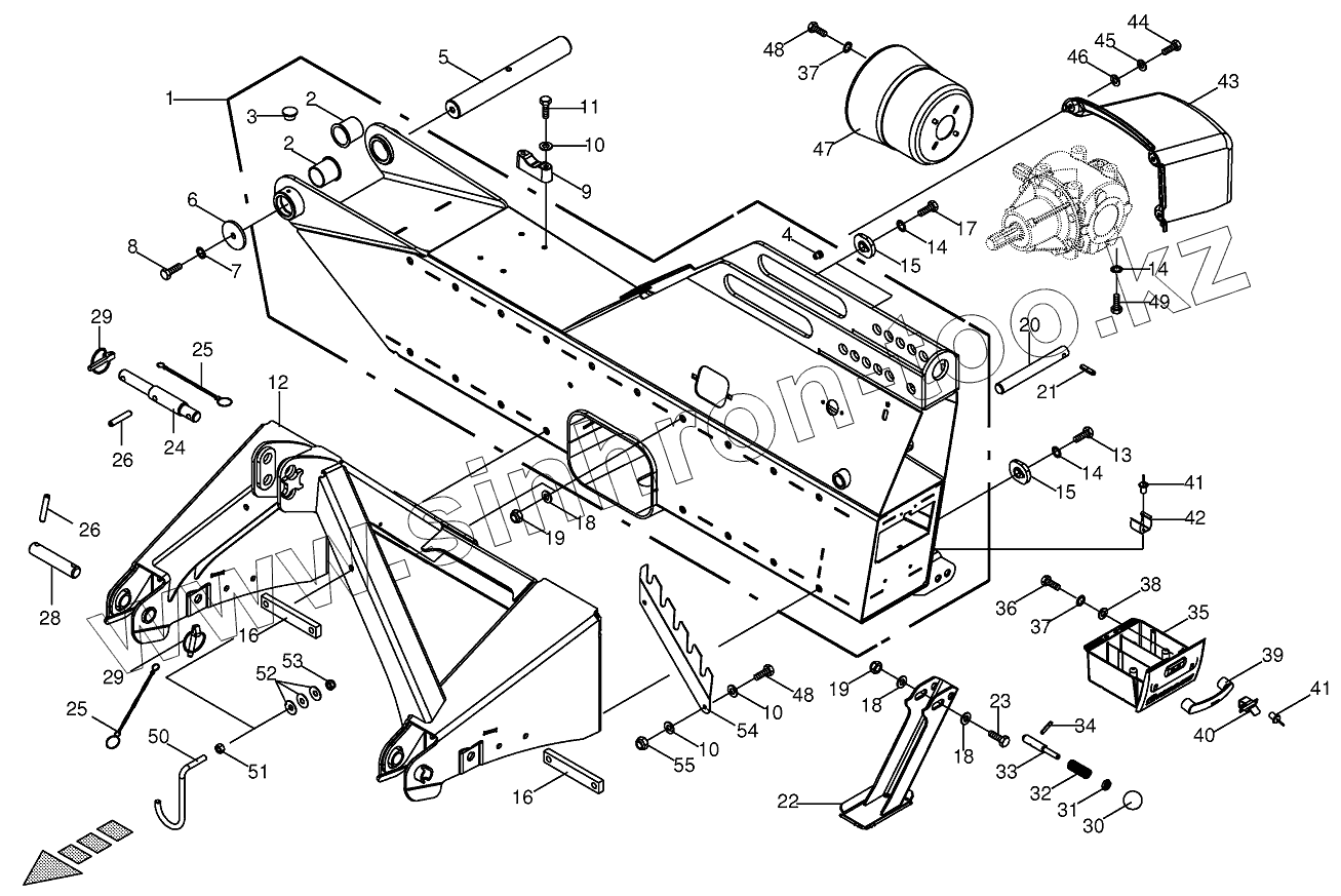
| Позиция на иллюстрации | Заводской номер детали | Название детали | |
|---|---|---|---|
| 1 | 200359910 | Headstock rear part with bushings | |
| 2 | 900022820 | Collar bushing | |
| 3 | 900014420 | Blind rivet nut | |
| 4 | 009538220 | Sealing plug | |
| 5 | 200317560 | Shaft | |
| 6 | 009106420 | Washer | |
| 7 | 009099101 | Detent edged washer | |
| 8 | 009006560 | Hex head bolt | |
| 9 | 200373070 | Bolt holder | |
| 10 | 009104130 | Washer | |
| 11 | 009014230 | Hex head bolt | |
| 12 | 200359751 | Headstock front part | |
| 13 | 900001740 | Hex head bolt | |
| 14 | 009099121 | Detent edged washer | |
| 15 | 200370631 | Compensating piece drop shape | |
| 16 | 200359921 | Threaded plate | |
| 17 | 009002220 | Hex head bolt | |
| 18 | 009103031 | Washer | |
| 19 | 009087190 | Locknut | |
| 20 | 200314990 | Pin | |
| 21 | 009127142 | Roll pin | |
| 22 | 200359940 | Parking jack | |
| 23 | 009011411 | Hex head bolt | |
| 24 | 200357790 | Upper link bolt cat. II/III | |
| 25 | 009226512 | Chain | |
| 26 | 009125003 | Roll pin | |
| 28 | 200307330 | Lower link pin | |
| 29 | 009170122 | Linch pin | |
| 30 | 009195090 | Ball knob | |
| 31 | 009085000 | Hex nut-low form | |
| 32 | 003372563 | Pressure spring | |
| 33 | 002630920 | Pin | |
| 34 | 009126112 | Roll pin | |
| 35 | 200325490 | Cutter box | |
| 36 | 009006120 | Hex head bolt | |
| 37 | 009099081 | Detent edged washer | |
| 38 | 009106030 | Washer | |
| 39 | 270065900 | Handle | |
| 40 | 200331191 | Plate spring | |
| 41 | 009140360 | Blind rivet | |
| 42 | 002741213 | Clamping bracket | |
| 43 | 200325270 | Cover hood | |
| 44 | 009006140 | Hex head bolt | |
| 45 | 009106030 | Washer | |
| 46 | 900015750 | Washer | |
| 47 | 009554890 | Protecting cup | |
| 48 | 009002531 | Hex head bolt | |
| 49 | 009003351 | Hex head bolt | |
| 50 | 001545663 | Pto drive shaft support | |
| 51 | 009082150 | Hex nut | |
| 52 | 009099221 | Belleville spring | |
| 53 | 009087010 | Locknut | |
| 54 | 200329930 | Support | |
| 55 | 009087060 | Locknut |
Содержащиеся в справочниках-каталогах запасные части и детали не предлагаются к продаже, а носят исключительно информационный характер