Каталог запасных частей к технике: KRONE EC R360. Headstock
1
2
2
4
5
6
7
8
9
10
10
10
10
11
12
13
13
14
14
15
16
17
18
19
20
21
22
23
24
25
25
26
27
28
29
30
31
32
32
34
34
35
36
37
38
39
40
41
41
41
41
42
42
44
45
45
45
46
47
48
49
50
51
52
53
54
55
56
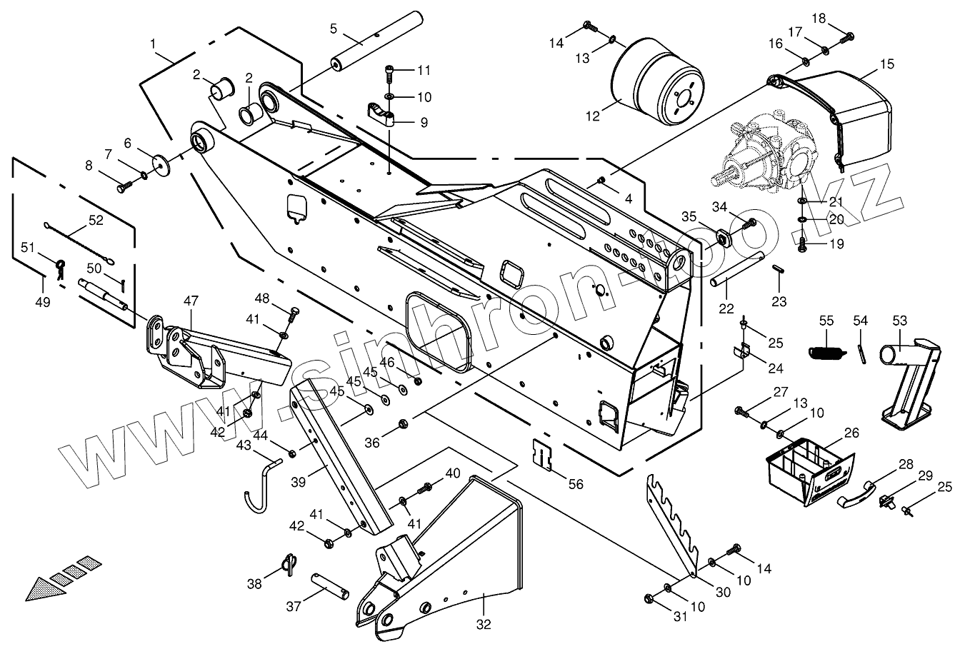
| Позиция на иллюстрации | Заводской номер детали | Название детали | |
|---|---|---|---|
| 001545663 | 001545663 | Pto drive shaft support | |
| 1 | 200333731 | Three-point block rear + sockets | |
| 2 | 900022820 | Collar bushing | |
| 4 | 900014420 | Blind rivet nut | |
| 5 | 200317560 | Shaft | |
| 6 | 009106420 | Washer | |
| 7 | 009099101 | Detent edged washer | |
| 8 | 009006560 | Hex head bolt | |
| 9 | 200317390 | Bolt holder | |
| 10 | 009104130 | Washer | |
| 11 | 009030820 | Allen screw | |
| 12 | 009554890 | Protecting cup | |
| 13 | 009099081 | Detent edged washer | |
| 14 | 009002531 | Hex head bolt | |
| 15 | 200325270 | Cover hood | |
| 16 | 900015750 | Washer | |
| 17 | 009106030 | Washer | |
| 18 | 009006140 | Hex head bolt | |
| 19 | 009006740 | Hex head bolt | |
| 20 | 009099121 | Detent edged washer | |
| 21 | 009103560 | Washer | |
| 22 | 200314990 | Pin | |
| 23 | 009127142 | Roll pin | |
| 24 | 200368360 | Clamping fork | |
| 25 | 009140360 | Blind rivet | |
| 26 | 200325490 | Cutter box | |
| 27 | 009006120 | Hex head bolt | |
| 28 | 270065900 | Handle | |
| 29 | 200331191 | Plate spring | |
| 30 | 200329930 | Support | |
| 31 | 009087060 | Locknut | |
| 32 | 200317350 | Attachment bracket-right | |
| 32 | 200329900 | Attachment bracket-left | |
| 34 | 009002220 | Hex head bolt | |
| 34 | 009003940 | Hex head bolt | |
| 35 | 200317540 | Compensating piece | |
| 36 | 009087190 | Locknut | |
| 37 | 200307330 | Lower link pin | |
| 38 | 009170122 | Linch pin | |
| 39 | 200329910 | Strut | |
| 40 | 009011270 | Hex head bolt | |
| 41 | 009105122 | Washer | |
| 42 | 009087210 | Locknut | |
| 44 | 009082150 | Hex nut | |
| 45 | 009099221 | Belleville spring | |
| 46 | 009087010 | Locknut | |
| 47 | 200317330 | Top link holder | |
| 48 | 009003911 | Hex head bolt | |
| 49 | 001441413 | Top link pin-cat. I + II | |
| 50 | 009122871 | Cotter pin | |
| 51 | 009171041 | Spring clip | |
| 52 | 009226500 | Chain | |
| 53 | 200350290 | Support-back | |
| 54 | 009126782 | Roll pin | |
| 55 | 003401043 | Tension spring | |
| 56 | 200350890 | Cover |
Содержащиеся в справочниках-каталогах запасные части и детали не предлагаются к продаже, а носят исключительно информационный характер