Каталог запасных частей к технике: KRONE EC 32CRI. Geabox
1
2
3
4
5
6
7
8
9
10
11
13
14
15
16
17
18
18
19
20
21
21
22
22
23
24
25
26
27
27
28
29
29
29
29
30
30
31
32
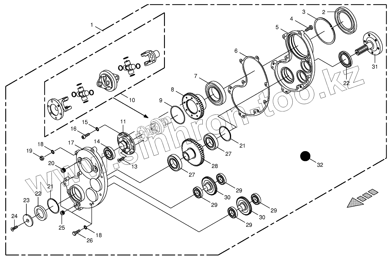
| Позиция на иллюстрации | Заводской номер детали | Название детали | |
|---|---|---|---|
| 1 | 200301700 | Gearbox-cpl. | |
| 2 | 9360650 | Radial-shaft sealing ring | |
| 3 | 9116980 | Circlip | |
| 4 | 9002851 | Hex head bolt | |
| 5 | 2581381 | Gearbox half -left | |
| 6 | 2581331 | Gasket | |
| 7 | 9300100 | Grooved ball bearing | |
| 8 | 200301720 | Spur gear | |
| 9 | 9376320 | O-ring | |
| 10 | 200301441 | Double universal joint | |
| 11 | 200301710 | Bearing plate | |
| 13 | 9040241 | Countersunkscrew | |
| 14 | 9305080 | Grooved ball bearing | |
| 15 | 9099081 | Detent edged washer | |
| 16 | 9030751 | Allen screw | |
| 17 | 2581394 | Gearbox half -right | |
| 18 | 9099091 | Detent edged washer | |
| 19 | 9087580 | Locknut | |
| 20 | 9060451 | Screw plug | |
| 21 | 9116730 | Circlip | |
| 22 | 9363002 | Radial-shaft sealing ring | |
| 23 | 2310400 | Washer | |
| 24 | 9040060 | Countersunkscrew | |
| 25 | 9060401 | Screw plug | |
| 26 | 9006390 | Hex head bolt | |
| 27 | 9301520 | Grooved ball bearing | |
| 28 | 2581350 | Spur gear | |
| 29 | 9305361 | Grooved ball bearing | |
| 30 | 2581360 | Spur gear | |
| 31 | 2581290 | Profile shaft | |
| 32 | 9261010 | Oil-Id.-no.= 1ltr |
Содержащиеся в справочниках-каталогах запасные части и детали не предлагаются к продаже, а носят исключительно информационный характер