Каталог запасных частей к технике: KRONE EC 28/32CV. Transmission part II, -28/32
1
1
2
2
3
4
4
5
5
6
7
8
8
8
8
8
8
8
9
9
10
11
12
13
14
14
14
15
16
16
16
16
16
16
16
17
18
19
19
20
20
21
21
22
23
23
23
23
23
23
23
24
26
27
28
29
30
31
32
33
33
34
35
36
37
38
39
41
45
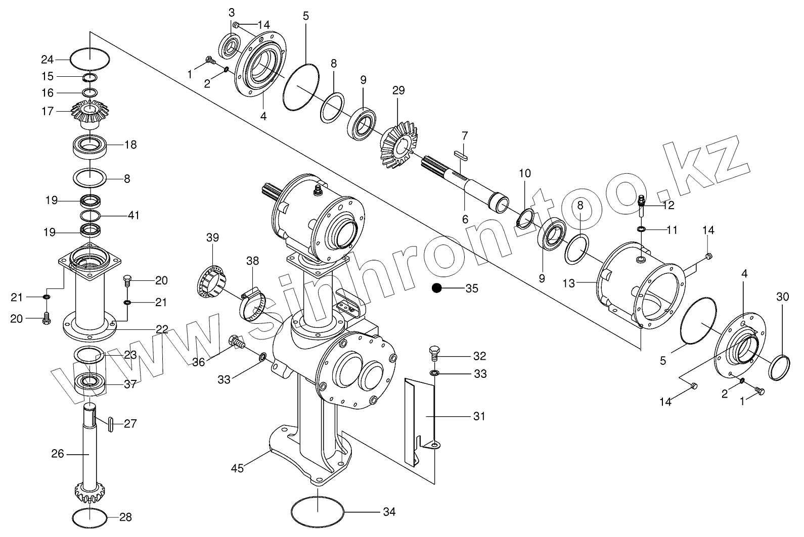
| Позиция на иллюстрации | Заводской номер детали | Название детали | |
|---|---|---|---|
| 1 | 009006360 | Hex head bolt | |
| 2 | 009099091 | Detent edged washer | |
| 3 | 009363391 | Radial-shaft sealing ring | |
| 4 | 002561171 | Gearbox cover | |
| 5 | 009365680 | O-ring | |
| 6 | 002561163 | Drive shaft | |
| 7 | 009150010 | Fit-in key | |
| 8 | 009109920 | Shim ring | |
| 8 | 009109930 | Shim ring | |
| 8 | 009109940 | Shim ring | |
| 9 | 009301410 | Grooved ball bearing | |
| 10 | 009115571 | Circlip | |
| 11 | 009377270 | Gasket ring | |
| 12 | 009198290 | Breather | |
| 13 | 002561151 | Housing | |
| 14 | 009060401 | Screw plug | |
| 15 | 009115410 | Circlip | |
| 16 | 009111300 | Shim ring | |
| 16 | 009111320 | Shim ring | |
| 16 | 009111340 | Shim ring | |
| 16 | 009111361 | Shim ring | |
| 17 | 002561191 | Bevel wheel | |
| 18 | 009305410 | Grooved ball bearing | |
| 19 | 009363523 | Radial-shaft sealing ring | |
| 20 | 009006550 | Hex head bolt | |
| 21 | 009099101 | Detent edged washer | |
| 22 | 002551623 | Intermediate housing | |
| 23 | 009109700 | Shim ring | |
| 23 | 009109720 | Shim ring | |
| 23 | 009109730 | Shim ring | |
| 23 | 009109740 | Shim ring | |
| 24 | 009375860 | O-ring | |
| 25 | 009305680 | Grooved ball bearing | |
| 26 | 002561905 | Pinion shaft | |
| 27 | 009151270 | Fit-in key | |
| 28 | 009375641 | O-ring | |
| 29 | 002561182 | Crown wheel | |
| 30 | 009252052 | Sealing cap | |
| 31 | 002566940 | Plate | |
| 32 | 009006750 | Hex head bolt | |
| 33 | 009099121 | Detent edged washer | |
| 34 | 009375680 | O-ring | |
| 35 | 009261010 | Oil-Id.-no.=1ltr | |
| 36 | 009006730 | Hex head bolt | |
| 37 | 009301680 | Grooved ball bearing | |
| 38 | 009240070 | Tube clip | |
| 39 | 009498420 | Adapter ring | |
| 41 | 900000970 | Shim ring | |
| 45 | 002551619 | Indexing gear -cpl. |
Содержащиеся в справочниках-каталогах запасные части и детали не предлагаются к продаже, а носят исключительно информационный характер