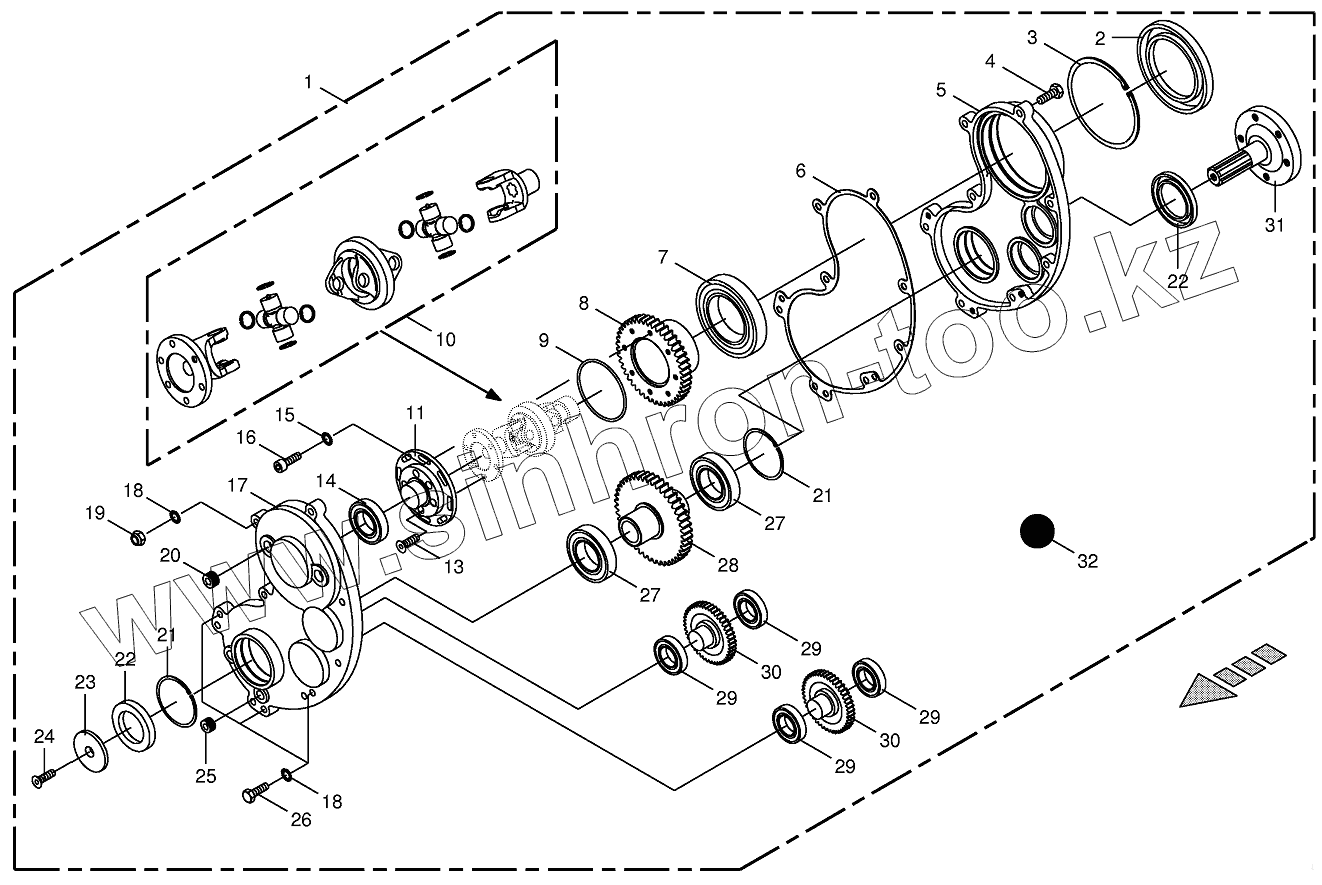
Каталог запасных частей к технике: KRONE EC280CV/320CV/C280CRI. Gearbox for CRI-Roller (upper)
1
2
3
4
5
6
7
8
9
10
11
13
14
15
16
17
18
18
19
20
21
21
22
22
23
24
25
26
27
27
28
29
29
29
29
30
30
31
32
| Позиция на иллюстрации | Заводской номер детали | Название детали | |
|---|---|---|---|
| 1 | 200301700 | Gearbox-cpl. | |
| 2 | 009360650 | Radial-shaft sealing ring | |
| 3 | 009116980 | Circlip | |
| 4 | 009002851 | Hex head bolt | |
| 5 | 002581381 | Gearbox half-left | |
| 6 | 002581331 | Gasket | |
| 7 | 009300100 | Grooved ball bearing | |
| 8 | 200301720 | Spur gear | |
| 9 | 009376320 | O-ring | |
| 10 | 200301441 | Double universal joint | |
| 11 | 200301710 | Bearing plate | |
| 13 | 009040241 | Countersunkscrew | |
| 14 | 009305080 | Grooved ball bearing | |
| 15 | 009099081 | Detent edged washer | |
| 16 | 009030751 | Allen screw | |
| 17 | 002581394 | Gearbox half-right | |
| 18 | 009099091 | Detent edged washer | |
| 19 | 009087580 | Locknut | |
| 20 | 009060451 | Screw plug | |
| 21 | 009116730 | Circlip | |
| 22 | 009363002 | Radial-shaft sealing ring | |
| 23 | 002310400 | Washer | |
| 24 | 009040060 | Countersunkscrew | |
| 25 | 009060401 | Screw plug | |
| 26 | 009006390 | Hex head bolt | |
| 27 | 009301520 | Grooved ball bearing | |
| 28 | 002581350 | Spur gear | |
| 29 | 009305361 | Grooved ball bearing | |
| 30 | 002581360 | Spur gear | |
| 31 | 002581290 | Profile shaft | |
| 32 | 009261010 | Oil-Id.-no.=1ltr |
Содержащиеся в справочниках-каталогах запасные части и детали не предлагаются к продаже, а носят исключительно информационный характер