Каталог запасных частей к технике: KRONE Easycollect. Train of change
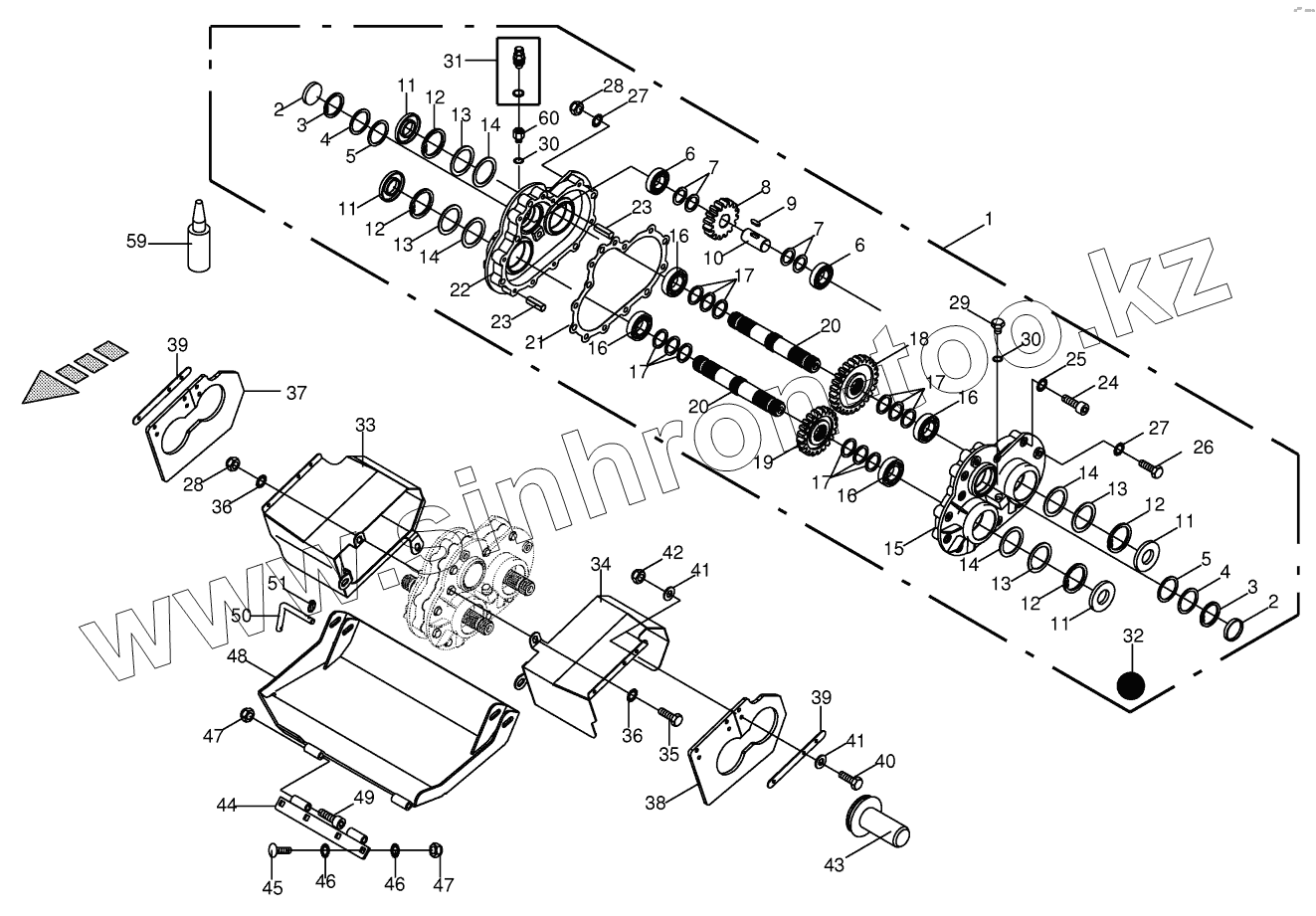
1
2
2
3
3
4
4
5
5
5
5
5
5
6
6
7
7
8
9
10
11
11
11
11
12
12
12
12
13
13
13
13
14
14
14
14
14
14
14
14
14
14
14
14
15
16
16
16
16
17
17
17
17
18
19
20
20
21
22
23
23
24
25
26
27
27
28
28
29
30
30
31
32
33
34
35
35
36
36
37
38
39
39
40
41
41
42
43
44
45
46
46
47
47
48
48
49
50
51
59
60
| Позиция на иллюстрации | Заводской номер детали | Название детали | |
|---|---|---|---|
| 1 | 20 092 391 0 | Train of change | |
| 2 | 00 925 202 2 | Sealing cap | |
| 3 | 00 911 659 0 | Circlip | |
| 4 | 00 910 735 3 | Supporting disc | |
| 5 | 00 910 900 0 | Shim ring | |
| 5 | 00 910 902 0 | Shim ring | |
| 5 | 00 910 903 0 | Shim ring | |
| 6 | 00 930 436 0 | Grooved ball bearing | |
| 7 | 00 910 865 1 | Shim ring | |
| 8 | 20 091 669 0 | Spur gear | |
| 9 | 00 915 064 0 | Fit-in key | |
| 10 | 20 091 271 0 | Shaft | |
| 11 | 00 936 047 0 | Radial-shaft sealing ring | |
| 12 | 00 911 668 0 | Circlip | |
| 13 | 00 910 700 1 | Supporting disc | |
| 14 | 00 910 912 0 | Shim ring | |
| 14 | 00 910 913 0 | Shim ring | |
| 14 | 00 910 910 0 | Shim ring | |
| 15 | 20 092 390 1 | Gearbox housing -left | |
| 16 | 00 930 137 0 | Grooved ball bearing | |
| 17 | 00 910 727 1 | Supporting disc | |
| 18 | 20 091 670 0 | Spur gear | |
| 19 | 20 091 668 0 | Spur gear | |
| 20 | 20 091 685 0 | Gearbox shaft | |
| 21 | 20 091 787 0 | Gasket | |
| 22 | 20 092 389 1 | Gearbox housing -right | |
| 23 | 00 915 701 0 | Cyl. pin | |
| 24 | 00 903 110 0 | Allen screw | |
| 25 | 00 909 907 0 | Detent edged washer | |
| 26 | 00 901 459 0 | Hex head bolt | |
| 27 | 00 909 911 0 | Detent edged washer | |
| 28 | 00 908 701 0 | Locknut | |
| 29 | 00 906 010 1 | Screw plug | |
| 30 | 00 937 727 0 | Gasket ring | |
| 31 | 27 008 972 0 | Air bleed valve | |
| 32 | 00 926 101 0 | Oil -Id.-no.=1ltr | |
| 33 | 20 091 824 1 | PTO shaft guard -right | |
| 34 | 20 091 827 1 | PTO shaft guard -left | |
| 35 | 00 900 310 1 | Hex head bolt | |
| 35 | 00 901 462 2 | Hex head bolt | |
| 36 | 00 909 910 0 | Detent edged washer | |
| 37 | 20 091 837 1 | Sealing rubber -inside | |
| 38 | 20 091 836 1 | Sealing rubber -outside | |
| 39 | 20 091 838 1 | Clamping strap | |
| 40 | 00 900 239 1 | Hex head bolt | |
| 41 | 00 910 411 1 | Washer | |
| 42 | 00 908 704 1 | Locknut | |
| 43 | 00 949 213 0 | Guard | |
| 44 | 20 091 821 0 | Guard support | |
| 45 | 00 904 745 1 | Coach bolt | |
| 46 | 00 909 909 1 | Detent edged washer | |
| 47 | 00 908 758 0 | Locknut | |
| 48 | 20 091 719 0 | Gearbox guard -left | |
| 48 | 20 091 714 0 | Gearbox guard -right | |
| 49 | 00 903 003 1 | Allen screw | |
| 50 | 00 015 213 5 | Locking pin | |
| 51 | 00 917 004 1 | Linch pin | |
| 59 | 00 940 227 0 | Universal-sealant -silicone- free | |
| 60 | 00 276 337 1 | Ahrottle housing -for onesided throttle |
Содержащиеся в справочниках-каталогах запасные части и детали не предлагаются к продаже, а носят исключительно информационный характер