Каталог запасных частей к технике: KRONE BIG-X-V8/BIG-X-V12. Plastic panelling
1
1
2
2
3
3
3
3
3
3
3
3
3
3
3
3
3
3
3
3
4
5
5
5
5
5
5
5
5
5
6
6
6
6
6
6
6
6
6
6
6
6
6
6
6
6
6
6
6
6
6
6
6
7
7
8
8
9
9
9
9
9
9
10
10
10
11
12
12
13
14
14
14
14
15
16
16
16
16
17
17
18
18
19
19
20
21
22
23
24
25
26
27
27
27
28
28
29
29
30
30
31
31
32
33
33
34
35
36
60
61
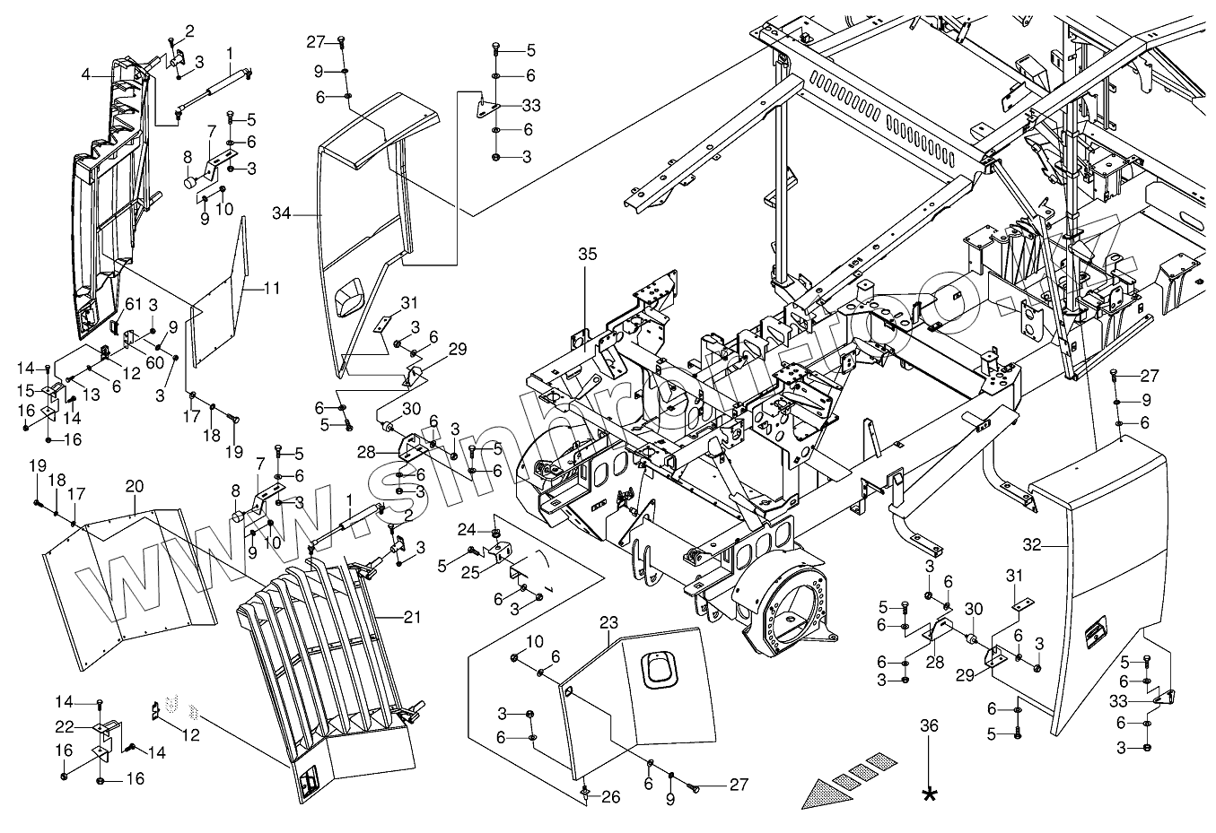
| Позиция на иллюстрации | Заводской номер детали | Название детали | |
|---|---|---|---|
| 1 | 009401910 | Gas spring | |
| 2 | 009014230 | Hex head bolt | |
| 3 | 009087060 | Locknut | |
| 4 | 002259790 | Fins flap-right | |
| 5 | 009006140 | Hex head bolt | |
| 6 | 009106030 | Washer | |
| 7 | 002259770 | Limit stop | |
| 8 | 009242270 | Rubber pad | |
| 9 | 009099081 | Detent edged washer | |
| 10 | 009082100 | Hex nut | |
| 11 | 002176870 | Cover plate-right | |
| 12 | 009389841 | Gate lock | |
| 13 | 009006120 | Hex head bolt | |
| 14 | 009006340 | Hex head bolt | |
| 15 | 002262470 | Abutment-right | |
| 16 | 009087580 | Locknut | |
| 17 | 009103511 | Washer | |
| 18 | 009099061 | Detent edged washer | |
| 19 | 009006070 | Hex head bolt | |
| 20 | 002176660 | Cover plate-left | |
| 21 | 002259180 | Fins flap | |
| 22 | 002262460 | Abutment-left | |
| 23 | 002254770 | Batterie-box protection | |
| 24 | 009242070 | Cable bushing | |
| 25 | 002175830 | Angle | |
| 26 | 002175840 | Sprig | |
| 27 | 009006160 | Hex head bolt | |
| 28 | 002199040 | Support | |
| 29 | 002199050 | Retainer | |
| 30 | 009242300 | Rubber pad | |
| 31 | 002199030 | Plate | |
| 32 | 002259620 | Lateral guard-left | |
| 33 | 002259640 | Retainer-below | |
| 34 | 002259220 | Lateral guard-right | |
| 35 | 002174510 | Frame-on request only | |
| 36 | 009403750 | Repairing set for plastics- beige | |
| 60 | 200213940 | Holding plate | |
| 61 | 200213930 | Yoke |
Содержащиеся в справочниках-каталогах запасные части и детали не предлагаются к продаже, а носят исключительно информационный характер