Вернуться на главную
Поиск
Каталоги запчастей к технике
Сельхозтехника
KRONE
BIG-X-850-1
Wiring Harness - engine / diesel pumps
Каталог запасных частей к технике: KRONE BIG-X-850-1. Wiring Harness - engine / diesel pumps
zoom-in
zoom-out
enlarge
shrink
circle-right
circle-left
file-text2
info
cart
Тип техники
Не выбрано
Легковые автомобили
Грузовые автомобили и прицепы
Автобусы
Сельхозтехника
Спецтехника
Двигатели
Мототехника
Марка
Не выбрано
AGCO
Amity
CASE IH
DongFeng
Fortschritt
Foton
Franz Kleine
Gaspardo
Great Plains
KRONE
KUHN
Lemken
Lovol
MacDon
Massey Ferguson
New Holland
TIGARBO
Vaderstad
Versatile
Wirax
Агро
Агротехмаш
Бобруйскагромаш (ОАО «УКХ «Бобруйскагромаш»)
БЭМЗ
ВгТЗ
Воронежсельмаш
ВТЗ
Гомсельмаш
ДКЗ
ЗАО "Техника-сервис"
ЗиД
КЗК
Кировец-Ландтехник
Клевер
Красная Звезда
Лидагропроммаш
Лидсельмаш
ЛТЗ
Машстройхолдинг
Минитракторы
Мордовагромаш
МТЗ
Навигатор-Новое машиностроение
Нефтекамский автозавод
ПТЗ
Ремком
РСМ
Сибсельмаш
ТеКЗ
ТКЗ
ХЗТСШ
ХТЗ
ЮМЗ
Модель
Не выбрано
280CV-Q, 320CV-Q, 280CRI-Q (2013)
280CV-Q, 320CV-Q, 280CRI-Q (2013)
ActiveMow R200 (2018)
ActiveMow R200 (2018)
ActiveMow R200 (2018)
ActiveMow R200 (2018)
ActiveMow R200 (2018)
ActiveMow R200 (2018)
ActiveMow R240 (2018)
ActiveMow R240 (2018)
ActiveMow R240 (2018)
ActiveMow R240 (2018)
ActiveMow R240 (2018)
ActiveMow R240 (2018)
ActiveMow R280 (2018)
ActiveMow R280 (2018)
ActiveMow R280 (2018)
ActiveMow R280 (2018)
ActiveMow R280 (2018)
ActiveMow R280 (2018)
ActiveMow R320 (2018)
ActiveMow R320 (2018)
ActiveMow R320 (2018)
ActiveMow R320 (2018)
ActiveMow R320 (2018)
ActiveMow R320 (2018)
ActiveMow R360 (2018)
ActiveMow R360 (2018)
ActiveMow R360 (2018)
ActiveMow R360 (2018)
ActiveMow R360 (2018)
ActiveMow R360 (2018)
AFL243RS (2013)
AM 203CV, AM 243CV, AM 283CV (2018)
AM 203CV, AM 243CV, AM 283CV (2018)
AM 203CV, AM243CV, AM283CV (2018)
AM 203CV, AM243CV, AM283CV (2018)
AM 243 (2018)
AM 243CV (2018)
AM 243CV (2018)
AM 243CV, AM283CV (2018)
AM 283 (2018)
AM 283CV (2018)
BiG X 500 (2018)
BiG X V8, BiG X V12 (2018)
BIG-M-400 (2016)
BIG-M-420 (2016)
BIG-M-420 (2016)
BIG-M-I (2016)
BIG-M-I (2016)
BIG-M-I (2016)
BIG-M-II (2016)
BIG-M-II (2016)
BIG-M-II (2016)
BIG-M-II (2016)
BIG-M-II (2016)
BIG-M-II (2016)
BIG-M-II (2016)
BIG-X-1000 (2016)
BIG-X-1000 (2016)
BIG-X-1100 (2016)
BIG-X-480 (2016)
BIG-X-480 (2017)
BIG-X-500 (2010)
BIG-X-500 (2010)
BIG-X-500 (2010)
BIG-X-500 (2010)
BIG-X-500 (2010)
BIG-X-530 (2016)
BIG-X-530 (2017)
BIG-X-580 (2016)
BIG-X-580 (2017)
BIG-X-600 (2016)
BIG-X-600 (2016)
BIG-X-600 (2016)
BIG-X-630 (2016)
BIG-X-630 (2017)
BIG-X-650 (2010)
BIG-X-650 (2013)
BIG-X-650 (2013)
BIG-X-650 (2013)
BIG-X-650 (2013)
BIG-X-650 (2013)
BIG-X-650 (2013)
BIG-X-650 (2013)
BIG-X-650 (2013)
BIG-X-700 (2010)
BIG-X-700 (2013)
BIG-X-700 (2013)
BIG-X-700-1 (2013)
BIG-X-700-1 (2013)
BIG-X-700-1 (2016)
BIG-X-700-1 (2016)
BIG-X-700-1 (2016)
BIG-X-800 (2016)
BIG-X-800 (2016)
BIG-X-800/1000 (2013)
BIG-X-850-1 (2018)
BIG-X-850-1/1100-1 (2013)
BIG-X-850-1/1100-1 (2013)
BIG-X-850/1100 (2013)
BIG-X-V8/BIG-X-V12 (2013)
BIG-X-V8/BIG-X-V12 (2013)
BIG-X-V8/BIG-X-V12 (2013)
Easycollect (2018)
EasyCut F360M (2018)
EasyFlow 300, 380 (2012)
EasyFlow 3000, 3800 (2013)
EasyFlow 3000, 3800 (2013)
EasyFlow 3001 (2013)
EasyFlow 3001 (2013)
EasyFlow 3001 (2013)
EasyFlow 3001 (2013)
EasyFlow 3001 (2013)
EasyFlow 3001 (2013)
EasyFlow 3801 (2013)
EasyFlow 3801 (2013)
EasyFlow 3801 (2013)
EasyFlow 3801 (2013)
EasyFlow 3801 (2013)
EC 27/32 (2013)
EC 28/32 (2013)
EC 28/32 (2013)
EC 28/32 (2013)
EC 28/32CV (2013)
EC 28/32CV (2013)
EC 28/32CV (2013)
EC 28/32M (2013)
EC 28/32M (2013)
EC 28/32P (2013)
EC 28/32P (2013)
EC 28/32P (2013)
EC 28M (2013)
EC 32CRI (2013)
EC 32CRI (2013)
EC 32CRI (2013)
EC 32CV (2013)
EC 360/400 (2013)
EC 360/400 (2013)
EC 360/400 (2013)
EC 360/400 (2013)
EC F280 (2018)
EC F280 / F320 (2013)
EC F280 M (2013)
EC F280/320/360 (2013)
EC F320 (2018)
EC F320 M (2013)
EC F320 M (2013)
EC F320CV (2013)
EC F320M/F360M (2013)
EC F360 (2018)
EC R280 (2013)
EC R320 (2013)
EC R360 (2013)
EC R400 (2018)
EC-9000 (2008)
EC270CV/320CV (2013)
EC280/320 (2013)
EC280/320 (2013)
EC280/320 (2013)
EC280CV-Q/320CV-Q (2013)
EC280CV/320CV (2013)
EC280CV/320CV/280CR (2013)
EC280CV/320CV/C280CRI (2013)
EC28CV/32CV/32CV-F (2013)
EC28CV/C32CV/32CV-F (2013)
EC32CV/32CV-F (2013)
EColl.6000,7500,6000FP (2013)
EColl.6000,7500,9000,6000F (2013)
EColl.6000,7500,9000,6000F/FP (2013)
EColl.6000,7500,9000,6000F/FP (2013)
EColl.6000-7500-9000-6000CL/JD (2013)
ECollect 753, 903, 1053 (2013)
ECollect753, 903, 1053 (2013)
ECollect753, 903, 1053 (2013)
ECR280CV/320CV (2012)
KW 8.50-8 (2018)
KWT 7.70-6X7, KWT 8.50-8, KWT 10.50-8X7 (2018)
X-Disc 6200 (2013)
X-Disc 6200 (2013)
Схема
>
Не выбрано
Feeder
Feeder Housing with support foot
Grain collecting plate / slotted cover
Lower feed rollers
Lower feed roller bearing
Top feed rollers
Top feed roller bearing
Cover- Feeder Housing
Auxiliary gearbox / Drive
Drive - feed rollers
Angle gear
Roller gear below
Top roller gearbox
Oscillating levers/Tension spring
Pivoting frame
Chopping aggregate -cpl. without blades
Chopping drum support
Chopping drum support - mounting parts
Drum base -spring-mounted
Husk / friction ground -spring-mounted
Chopping drum - 20 Knifes
Chopping drum - 28 Knifes
Chopping drum - 40 Knifes
Chopping drum - 48 Knifes
Chopping drum bearing / counter bearing
Tensioning device- main drive
Belt guide - main drive
Angle sensor - chopping drum
Shear bar adjustment
Adjusting mechanism
Sharpening
Sharpening device drive
Transfer channel -spring-mounted
Grass channel -spring-mounted
Grain conditioner cpl. / cracker duct -spring-mounted
Cracker housing - mounting parts -spring-mounted
Cracker housing - mounting parts -disc corn conditioner
Roller front
Disc roller -front
Roller back
Disc roller -back
E-Motor und Spannspille
Pulley for changing directions
Pulley for changing directions -7 rills
Cracker drive / tensioning device
Cracker drive / tensioning device -7 rills
Rope winch / Installation car
Discharge accelerator -cpl.
Discharge accelerator / bearing
Discharge accelerator housinge -spring-mounted
Auger-gearbox
Duct nozzle
Mounting parts discharge chute rotation
Channel union -HD parts
Discharge chute assembl.
Upper discharge chute with wear plates
Upper discharge chute "short" with wear plates
Discharge flap-end piece
Discharge chute extension 10-row
Discharge chute extension 12-row
Upper discharge chute - mounting parts
Discharge chute extension 14-row
Upper discharge chute - mounting parts 14-row
Camera surveillance / Rear view mirror
ForageCam
Cab - frame / mounting parts
Cab - glazing
Glass wiper
Cab - control panel (roof) / circuit board
Steering columm
Wear parts - driver's seat -standard and activo
Wear parts - driver's seat -standard
Wear parts - driver's seat -activo
Cab - Sound deadening
Cab - roof
Headlight - LED -optional
Headlight -left-hand driving
Cab - rear covering / passenger seat
Cab - drawer
Rear blind
Control box mounting parts
Control box / controls eletronic -part I
Control box / controls eletronic -part II
Air conditioning
Evaporator
Frame / trailer hitch / ascending ladder
Tank protection
Cab access left / platform right
Additional tread
Tool box - pivoting
Panelling frame / Cladding -front top
Panelling frame / Cladding -back top
Battery box
Mudguard
Fender enlargement
Fold-away warning panel
Front panel / Headlight
Cladding -lateral
Cladding -back
Tyres -front
Tyres -back
Steering axle rocker arm
Steering axle
Variable disqlacement pump
Variable disqlacement pump
Hydraulic tank / suction lines
Housing line / oil cooler
Traction drive pump
Traction drive wheel engine -front
Traction drive wheel engine -rear
Return lines - traction drive
Oil leckage pipes / return lines
Charge pressure line - part 1
Charge pressure line - part 2
Hydraulics - sieve drive
Hydraulics - front attachment / feed rollers
Valve block with support- work hydraulics
Valve block
Hydraulic steering system
Hydraulic brakes
Hydraulics - pump 3 times / storage chorging valve
Hydraulics - lift
Hydraulics cpl. - discharge chute
Hydraulics - discharge chute - 14-row
Hydraulics - front attachment
Hydraulics - sharpening device / transv. ground following
Lines main clutch
Hydraulics - additive connection back
Hydraulics - additive connection back
Gear molasses pump
Additive connection for trailer
Diesel fuel tank
Diesel fuel pipe -Part I
Diesel fuel pipe -Part II
Auxiliary tank
Accessories - auxiliary tank - diesel
Silage agent system / Wiring harness
Regulated silage agent dosing
Diesel engine / maintenance parts
Clutch / Silencer
Motor output gear
Gear oil cooler
Hydraulic four-surface clutch
Ventilator wheel / Drive
Radiator frame / radiator door
Condenser for air conditioner - cpl.
Air cleaning equipment
Rotor / Air conditioner mounting
Sieve drum
Suction fan
Air pressure - Blow-out gun
Air pressure - Feeder
Wiring harness fastening
Wiring harness - control box / cab
Wiring harness - panel
Wiring loom - cab
Wiring harness - below the cabin
Wiring Harness - lateral left
Wiring Harness - chopping aggregate / backlash-alarm
Wiring Harness - valve block
Wiring loom - hydraulic pumps
Wiring Harness - engine / diesel pumps
Wiring Harness - rear / drive valve
Wiring Harness - lighting -front
Wiring Harness - lighting -back
Wiring harness - auxiliary hydraulics
Printer
CropControl
Moisture measurement
NIR - Moisture measurement
RockProtect
Wiring harness - CropControl / RockProtect
Several wiring looms
Indicator / parking light commutation
Battery and ground cable
Lighting / returning horn - back
Lighting
Additional axis
Hydraulics - additional axis
Hydraulic panel - additional axis
Electronics - additional axis
Installation car
Additional weights
Central lubrication
Pump for central lubrication
Fire extinguisher
Spare parts case for central lubrication -BEKA MAX
P.T.O shafts -roller drive
P.T.O shafts -drive - Pick-up
P.T.O shafts -roller gear -below
Double universal joint
Warning signs
General information labels
Label - Circuit board
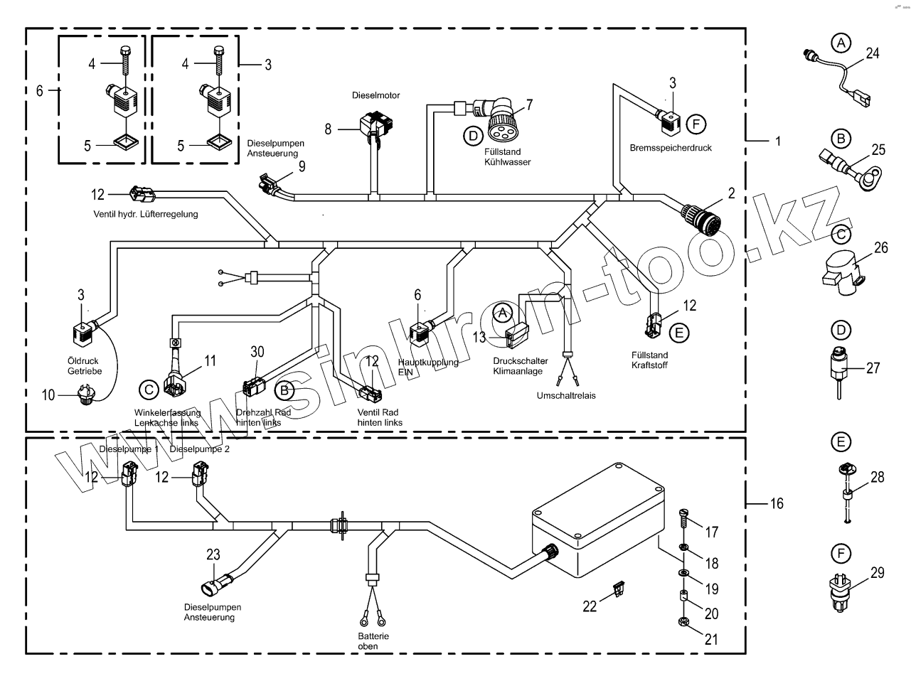
1
2
3
3
3
4
4
5
5
6
6
7
8
9
10
11
12
12
12
12
12
13
16
17
18
19
20
21
22
23
24
25
26
27
28
29
30
Позиция на иллюстрации
Заводской номер детали
Название детали
1
200833751
Cable harness diesel engine
2
3024311
Plug Bu HDP20 KPL
3
3018020
Solenoid valve plug-black
4
3021820
Screw with straight-line curls
5
3011860
Gasket
6
3034120
Valve plug-black , low mounting form
7
3031160
AMP-circular plug-4-pole
8
200813830
Socket plug-21-pole
9
3023510
Plug-2-pole
10
3020050
Connector plug-2-pole
11
3031150
Jet-plug-3-pole
12
3033162
Plug 2-p Bu grey
13
3050590
Plug-2-pole
16
200808391
Wiring harness-diesel pumps
17
9034251
Allen screw
18
9100010
Spring washer
19
9103250
Washer
20
9242020
Rubber pad
21
9080061
Hex nut
22
3018560
Flat fuse
23
3023560
Coupling socket-2-pole
24
9401091
Pressure switch
25
200833860
Rotational speed sensor assembl.
26
200814880
Sеnsоr
27
200811261
Water level sensor
28
200828540
Filling level sensor
29
270098540
Pressure switch
30
200825691
Conn. 4-p socket DT cpl.
Содержащиеся в справочниках-каталогах запасные части и детали не предлагаются к продаже, а носят исключительно информационный характер
Дополнительная информация
×
Название:
Номер:
Примечание: