Вернуться на главную
Поиск
Каталоги запчастей к технике
Сельхозтехника
KRONE
BIG-X-850/1100
Variable disqlacement pumps 795000-805000
Каталог запасных частей к технике: KRONE BIG-X-850/1100. Variable disqlacement pumps 795000-805000
zoom-in
zoom-out
enlarge
shrink
circle-right
circle-left
file-text2
info
cart
Тип техники
Не выбрано
Легковые автомобили
Грузовые автомобили и прицепы
Автобусы
Сельхозтехника
Спецтехника
Двигатели
Мототехника
Марка
Не выбрано
AGCO
Amity
CASE IH
DongFeng
Fortschritt
Foton
Franz Kleine
Gaspardo
Great Plains
KRONE
KUHN
Lemken
Lovol
MacDon
Massey Ferguson
New Holland
TIGARBO
Vaderstad
Versatile
Wirax
Агро
Агротехмаш
Бобруйскагромаш (ОАО «УКХ «Бобруйскагромаш»)
БЭМЗ
ВгТЗ
Воронежсельмаш
ВТЗ
Гомсельмаш
ДКЗ
ЗАО "Техника-сервис"
ЗиД
КЗК
Кировец-Ландтехник
Клевер
Красная Звезда
Лидагропроммаш
Лидсельмаш
ЛТЗ
Машстройхолдинг
Минитракторы
Мордовагромаш
МТЗ
Навигатор-Новое машиностроение
Нефтекамский автозавод
ПТЗ
Ремком
РСМ
Сибсельмаш
ТеКЗ
ТКЗ
ХЗТСШ
ХТЗ
ЮМЗ
Модель
Не выбрано
280CV-Q, 320CV-Q, 280CRI-Q (2013)
280CV-Q, 320CV-Q, 280CRI-Q (2013)
ActiveMow R200 (2018)
ActiveMow R200 (2018)
ActiveMow R200 (2018)
ActiveMow R200 (2018)
ActiveMow R200 (2018)
ActiveMow R200 (2018)
ActiveMow R240 (2018)
ActiveMow R240 (2018)
ActiveMow R240 (2018)
ActiveMow R240 (2018)
ActiveMow R240 (2018)
ActiveMow R240 (2018)
ActiveMow R280 (2018)
ActiveMow R280 (2018)
ActiveMow R280 (2018)
ActiveMow R280 (2018)
ActiveMow R280 (2018)
ActiveMow R280 (2018)
ActiveMow R320 (2018)
ActiveMow R320 (2018)
ActiveMow R320 (2018)
ActiveMow R320 (2018)
ActiveMow R320 (2018)
ActiveMow R320 (2018)
ActiveMow R360 (2018)
ActiveMow R360 (2018)
ActiveMow R360 (2018)
ActiveMow R360 (2018)
ActiveMow R360 (2018)
ActiveMow R360 (2018)
AFL243RS (2013)
AM 203CV, AM 243CV, AM 283CV (2018)
AM 203CV, AM 243CV, AM 283CV (2018)
AM 203CV, AM243CV, AM283CV (2018)
AM 203CV, AM243CV, AM283CV (2018)
AM 243 (2018)
AM 243CV (2018)
AM 243CV (2018)
AM 243CV, AM283CV (2018)
AM 283 (2018)
AM 283CV (2018)
BiG X 500 (2018)
BiG X V8, BiG X V12 (2018)
BIG-M-400 (2016)
BIG-M-420 (2016)
BIG-M-420 (2016)
BIG-M-I (2016)
BIG-M-I (2016)
BIG-M-I (2016)
BIG-M-II (2016)
BIG-M-II (2016)
BIG-M-II (2016)
BIG-M-II (2016)
BIG-M-II (2016)
BIG-M-II (2016)
BIG-M-II (2016)
BIG-X-1000 (2016)
BIG-X-1000 (2016)
BIG-X-1100 (2016)
BIG-X-480 (2016)
BIG-X-480 (2017)
BIG-X-500 (2010)
BIG-X-500 (2010)
BIG-X-500 (2010)
BIG-X-500 (2010)
BIG-X-500 (2010)
BIG-X-530 (2016)
BIG-X-530 (2017)
BIG-X-580 (2016)
BIG-X-580 (2017)
BIG-X-600 (2016)
BIG-X-600 (2016)
BIG-X-600 (2016)
BIG-X-630 (2016)
BIG-X-630 (2017)
BIG-X-650 (2010)
BIG-X-650 (2013)
BIG-X-650 (2013)
BIG-X-650 (2013)
BIG-X-650 (2013)
BIG-X-650 (2013)
BIG-X-650 (2013)
BIG-X-650 (2013)
BIG-X-650 (2013)
BIG-X-700 (2010)
BIG-X-700 (2013)
BIG-X-700 (2013)
BIG-X-700-1 (2013)
BIG-X-700-1 (2013)
BIG-X-700-1 (2016)
BIG-X-700-1 (2016)
BIG-X-700-1 (2016)
BIG-X-800 (2016)
BIG-X-800 (2016)
BIG-X-800/1000 (2013)
BIG-X-850-1 (2018)
BIG-X-850-1/1100-1 (2013)
BIG-X-850-1/1100-1 (2013)
BIG-X-850/1100 (2013)
BIG-X-V8/BIG-X-V12 (2013)
BIG-X-V8/BIG-X-V12 (2013)
BIG-X-V8/BIG-X-V12 (2013)
Easycollect (2018)
EasyCut F360M (2018)
EasyFlow 300, 380 (2012)
EasyFlow 3000, 3800 (2013)
EasyFlow 3000, 3800 (2013)
EasyFlow 3001 (2013)
EasyFlow 3001 (2013)
EasyFlow 3001 (2013)
EasyFlow 3001 (2013)
EasyFlow 3001 (2013)
EasyFlow 3001 (2013)
EasyFlow 3801 (2013)
EasyFlow 3801 (2013)
EasyFlow 3801 (2013)
EasyFlow 3801 (2013)
EasyFlow 3801 (2013)
EC 27/32 (2013)
EC 28/32 (2013)
EC 28/32 (2013)
EC 28/32 (2013)
EC 28/32CV (2013)
EC 28/32CV (2013)
EC 28/32CV (2013)
EC 28/32M (2013)
EC 28/32M (2013)
EC 28/32P (2013)
EC 28/32P (2013)
EC 28/32P (2013)
EC 28M (2013)
EC 32CRI (2013)
EC 32CRI (2013)
EC 32CRI (2013)
EC 32CV (2013)
EC 360/400 (2013)
EC 360/400 (2013)
EC 360/400 (2013)
EC 360/400 (2013)
EC F280 (2018)
EC F280 / F320 (2013)
EC F280 M (2013)
EC F280/320/360 (2013)
EC F320 (2018)
EC F320 M (2013)
EC F320 M (2013)
EC F320CV (2013)
EC F320M/F360M (2013)
EC F360 (2018)
EC R280 (2013)
EC R320 (2013)
EC R360 (2013)
EC R400 (2018)
EC-9000 (2008)
EC270CV/320CV (2013)
EC280/320 (2013)
EC280/320 (2013)
EC280/320 (2013)
EC280CV-Q/320CV-Q (2013)
EC280CV/320CV (2013)
EC280CV/320CV/280CR (2013)
EC280CV/320CV/C280CRI (2013)
EC28CV/32CV/32CV-F (2013)
EC28CV/C32CV/32CV-F (2013)
EC32CV/32CV-F (2013)
EColl.6000,7500,6000FP (2013)
EColl.6000,7500,9000,6000F (2013)
EColl.6000,7500,9000,6000F/FP (2013)
EColl.6000,7500,9000,6000F/FP (2013)
EColl.6000-7500-9000-6000CL/JD (2013)
ECollect 753, 903, 1053 (2013)
ECollect753, 903, 1053 (2013)
ECollect753, 903, 1053 (2013)
ECR280CV/320CV (2012)
KW 8.50-8 (2018)
KWT 7.70-6X7, KWT 8.50-8, KWT 10.50-8X7 (2018)
X-Disc 6200 (2013)
X-Disc 6200 (2013)
Схема
>
Не выбрано
Feeder
Feeder Housing with support foot
Grain collecting plate/slotted cover
Lower feed rollers
Lower feed roller bearing
Top feed rollers
Top feed roller bearing
Cover-Feeder Housing
Auxiliary gearbox/Drive
Drive-feed rollers
Angle gear
Roller gear below
Top roller gearbox
Oscillating levers/Tension spring
Pivoting frame
Chopping aggregate-cpl.
Chopping drum support 795000-805000
Chopping drum support 805001-831500
Chopping drum support-mounting parts
Drum base-spring-mounted 795000-805000
Drum base-spring-mounted 805001-831500
Husk/friction ground-spring-mounted
Chopping drum
Chopping drum bearing/counter bearing
Tensioning device-main drive
Belt guide-main drive
Angle sensor-chopping drum
Shear bar adjustment
Sharpening
Sharpening device drive
Transfer channel-spring-mounted
Grass channel-spring-mounted
Grain conditioner cpl./cracker duct-spring-mounted
Cracker housing-mounting parts-spring-mounted
Roller front
Roller back
E-motor and
Pulley for changing directions
Cracker drive/tensioning device
Rope winch/Installation car 795000-801194
Rope winch/Installation car 801195-831500
Discharge accelerator/bearing
Discharge accelerator housinge-spring-mounted 795000-805000
Discharge accelerator housinge-spring-mounted 805001-831500
Auger-gearbox
Duct nozzle
Mounting parts discharge chute rotation
Channel union-HD parts
Discharge chute assembl.
Upper discharge chute with wear plates
Upper discharge chute "short" with wear plates
Upper discharge chute-HD parts
Discharge flap-end piece
Discharge chute extension 10-row
Discharge chute extension 12-row-optional
Upper discharge chute-mounting parts
Discharge chute extension 14-row-optional
Upper discharge chute-mounting parts 14-row-optional
Camera surveillance/Rear view mirror 795000-805000
Camera surveillance/Rear view mirror 805001-831500
ForageCam-optional
Cab-frame/mounting parts
Cab-control panel (roof)/circuit board
Cab-glazing
Glass wiper
Steering columm
Wear parts-driver's seat
Cab-Sound deadening
Cab-roof
Headlight-xenon
Headlight-left-hand driving
Cab-rear covering/passenger seat
Cab-drawer
Rear blind
Control box mounting parts
Control box/controls eletronic-part I
Control box/controls eletronic-part II
Air conditioning
Evaporator
Frame/trailer hitch/ascending ladder
Tank protection
Cab access left/platform right 795000-805000
Cab access left/platform right 805001-831500
Additional tread
Tool box-pivoting
Panelling frame/Cladding-front top 795000-805000
Panelling frame/Cladding-front top 805001-831500
Panelling frame/Cladding-back top 795000-805000
Panelling frame/Cladding-back top 805001-831500
Battery box
Mudguard
Fender enlargement
Fold-away warning panel
Front panel/Headlight
Cladding-lateral
Cladding-back
Tyres 795000-802292
Tyres 802293-805000
Tyres 805001-831500
Steering axle rocker arm
Hydraulic parking brake
Steering axle
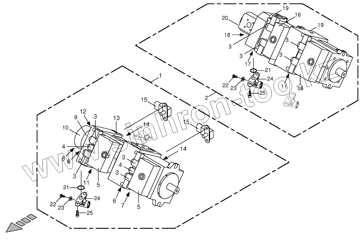
Variable disqlacement pumps 795000-805000
Variable displacement pump 805001-831500
Variable disqlacement pump 805001-831500
Hydraulic tank/suction lines
Hydraulic tank/suction lines
Housing line/oil cooler
Traction drive pump
Traction drive wheel engine-front
Traction drive wheel engine-rear
Oil leckage pipes/return lines-Part I
Oil leckage pipes/return lines-Part II
Hydraulics-speed range shifting
Charge pressure lines-front 795000-805000
Charge pressure lines-front 805001-831500
Charge pressure lines-back 795000-805001
Charge pressure lines-back 805001-831500
Hydraulics-front attachment/feed rollers 795000-805000
Hydraulics-front attachment/feed rollers 805001-831500
Valve block with support-work hydraulics 795000-805000
Valve block with support-work hydraulics 805001-831500
Hydraulic steering system
Hydraulic brakes
Hydraulics-pump 3 times/storage chorging valve
Hydraulics-lift 795000-805000
Hydraulics-lift 805001-831500
Hydraulics-lift 12/14 row 795000-805000
Hydraulics-lift 12/14 row 805001-831500
Hydraulics cpl.-discharge chute
Hydraulics-discharge chute-14-row
Hydraulics-front attachment
Hydraulics-sharpening device/transv. ground following
Lines main clutch
Hydraulics-additive connection back 106.0
Hydraulics-additive connection back 106.3
Gear molasses pump
Additive connection for trailer
Diesel fuel tank
Diesel fuel pipe-Part I
Diesel fuel pipe-Part II
Auxiliary tank
Additional tank for silage agent system
Silage agent system/Wiring harness
Regulated silage agent dosing
Diesel engine/maintenance parts
Clutch/Silencer 795000-805000
Clutch/Silencer 805001-831500
Motor output gear 795000-805000
Motor output gear 805001-831500
Gear oil cooler
Hydraulic four-surface clutch
Ventilator wheel/Drive
Radiator frame/radiator door
Condenser for air conditioner-cpl.
Air cleaning equipment
Rotor/Air conditioner mounting
Sieve drum
Suction fan
Air pressure-Blow-out gun
Air pressure-Feeder
Wiring harness fastening
Wiring harness-control box/cab
Wiring harness-panel 795000-805000
Wiring harness-panel 805001-831500
Wiring loom-cab 795000-805000
Wiring loom-cab 805001-831500
Wiring harness-below the cabin
Wiring Harness-lateral left
Wiring Harness-chopping aggregate/backlash-alarm
Wiring Harness-valve block
Wiring loom-hydraulic pumps
Wiring Harness-engine/diesel pumps
Wiring Harness-rear/drive valve
Wiring Harness-lighting-front
Wiring Harness-lighting-back
Wiring harness-auxiliary hydraulics
CAN-printer
CropControl 795000-805000
CropControl 805001-831500
Moisture measurement
NIR-Moisture measurement
RockProtect
Wiring harness-CropControl/RockProtect
Several wiring looms
Indicator/parking light commutation
Battery and ground cable
Lighting/returning horn-back
Additional axis
Hydraulics-additional axis
Hydraulic panel-additional axis
Electronics-additional axis
Installation car
Fire extinguisher
Central lubrication
Spare parts case for central lubrication-BEKA MAX
P.T.O shafts-roller drive 795000-805000
P.T.O shafts-roller drive 805001-831500
P.T.O shafts-drive-Pick-up
P.T.O shafts-roller gear-below
Double universal joint
Warning signs
General information labels
Label-Circuit board 795000-805000
Label-Circuit board 805001-831500
1
1
1
2
2
2
3
3
3
3
3
3
3
3
4
4
5
5
6
7
8
8
9
10
11
11
12
13
14
14
14
15
15
16
16
17
18
19
19
20
20
21
21
22
22
23
23
24
24
25
25
Позиция на иллюстрации
Заводской номер детали
Название детали
1
270014440
Sealing set
1
270007130
Sealing set
1
009191841
Variable displacement pump
2
009191850
Variable displacement pump
2
270014440
Sealing set
2
270007160
Sealing set
3
270007090
Proportional magnet
4
270007100
Shift solenoid
5
270007170
Adjustment
6
270014430
Pressure control valve
7
270014480
Pressure control valve
8
270014450
Pressure control valve
9
270014460
Gear pump
10
270014470
Gear pump
11
270007080
Pressure control valve
12
900004020
O-ring
13
270033460
Pressure control valve
14
270007190
Washer
14
270074650
Hollow screw
15
270016270
Angle sensor
16
270007180
Adjustment
17
270007140
Pressure control valve
18
900002440
O-ring
19
270007030
Pressure control valve
20
270007150
Gear pump
20
270033470
Sealing set
21
900001710
RING 16,3x2,4
22
009060010
Screw plug
23
009377110
Gasket ring
24
270106840
Filter flange
25
009030731
Allen screw
Содержащиеся в справочниках-каталогах запасные части и детали не предлагаются к продаже, а носят исключительно информационный характер
Дополнительная информация
×
Название:
Номер:
Примечание: