Каталог запасных частей к технике: KRONE BIG-X-700. Duct nozzle
1
2
3
3
3
4
4
4
4
5
6
7
8
9
10
11
12
13
14
15
16
16
17
18
19
19
19
19
19
19
20
20
20
20
20
21
22
23
24
25
25
26
27
28
29
29
31
32
33
33
34
35
36
37
38
39
40
41
42
43
43
43
44
45
46
46
47
48
49
50
51
51
51
52
53
54
55
55
56
56
57
58
59
60
61
61
62
63
64
65
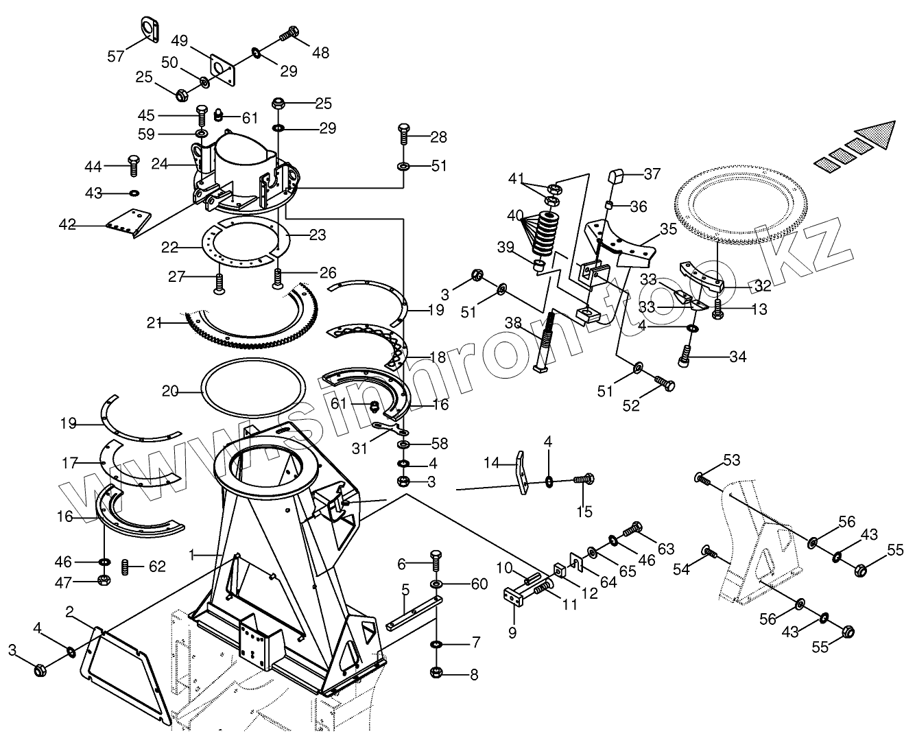
| Позиция на иллюстрации | Заводской номер детали | Название детали | |
|---|---|---|---|
| 202214360 | 202214360 | Sensor plate middle | |
| 1 | 002156505 | Duct nozzle | |
| 2 | 002195582 | Cover | |
| 3 | 009087010 | Locknut | |
| 4 | 009099101 | Detent edged washer | |
| 5 | 002261293 | Pressure piece | |
| 6 | 009010131 | Hex head bolt | |
| 7 | 009099091 | Detent edged washer | |
| 8 | 009087580 | Locknut | |
| 9 | 002173660 | Thread block | |
| 10 | 009126712 | Roll pin | |
| 11 | 009040241 | Countersunkscrew | |
| 12 | 002261390 | Enclosure | |
| 13 | 009011321 | Hex head bolt | |
| 14 | 002173721 | Support | |
| 15 | 009006570 | Hex head bolt | |
| 16 | 002260292 | Clamping piece | |
| 17 | 002260261 | Spacing washer | |
| 18 | 002260251 | Approach disc | |
| 19 | 200244940 | Distance spacer | |
| 19 | 002173751 | Distance spacer | |
| 19 | 200244950 | Distance spacer | |
| 20 | 200244960 | Distance spacer | |
| 20 | 200244970 | Distance spacer | |
| 20 | 002173760 | Distance spacer | |
| 21 | 002158360 | Tooth rim | |
| 22 | 002173730 | Approach disc | |
| 23 | 002173740 | Spacing washer | |
| 24 | 002260306 | Bearing ring | |
| 25 | 009087041 | Locknut | |
| 26 | 009040232 | Countersunkscrew | |
| 27 | 009040310 | Countersunkscrew | |
| 28 | 009011220 | He head bolt | |
| 29 | 009099061 | Detent edged washer | |
| 31 | 002261274 | Angle | |
| 32 | 002261312 | Latch bearing | |
| 33 | 002260381 | Trap | |
| 34 | 009031391 | Allen screw | |
| 35 | 002260443 | Spring support | |
| 36 | 009349570 | Bearing bush | |
| 37 | 002260351 | Cam | |
| 38 | 002260344 | Shaft | |
| 39 | 009349090 | Collar bush | |
| 40 | 009099310 | Belleville spring | |
| 41 | 009085401 | Hex nut-low form | |
| 42 | 002173772 | Hose support | |
| 43 | 009099081 | Detent edged washer | |
| 44 | 009002531 | Hex head bolt | |
| 45 | 009011411 | Hex head bolt | |
| 46 | 009099121 | Detent edged washer | |
| 47 | 009087190 | Locknut | |
| 48 | 009002391 | Hex head bolt | |
| 49 | 0010 | not for this machine | |
| 50 | 009104111 | Washer | |
| 51 | 009105061 | Washer | |
| 52 | 009014580 | Hex head bolt | |
| 53 | 009052311 | Coach bolt | |
| 54 | 009052331 | Coach bolt | |
| 55 | 009087060 | Locknut | |
| 56 | 009106030 | Washer | |
| 57 | 200268950 | Plug retainer | |
| 58 | 009106090 | Washer | |
| 59 | 009103031 | Washer | |
| 60 | 009104140 | Washer | |
| 61 | 009191050 | Grease niple | |
| 62 | 900000640 | Threaded pin | |
| 63 | 009006780 | Hex head bolt | |
| 64 | 002192111 | Enclosure | |
| 65 | 009103270 | Washer |
Содержащиеся в справочниках-каталогах запасные части и детали не предлагаются к продаже, а носят исключительно информационный характер