Каталог запасных частей к технике: KRONE BIG-X-650. Control box/controls eletronic
1
2
3
4
5
6
9
9
10
10
12
12
12
15
16
16
17
18
18
19
19
20
20
20
21
21
21
22
22
23
24
25
26
27
28
29
30
31
31
32
33
33
33
33
33
33
33
33
34
34
34
35
35
36
36
38
39
39
41
41
42
42
43
43
44
45
46
46
47
48
49
49
49
49
50
51
52
53
53
53
54
55
56
57
58
59
60
60
61
61
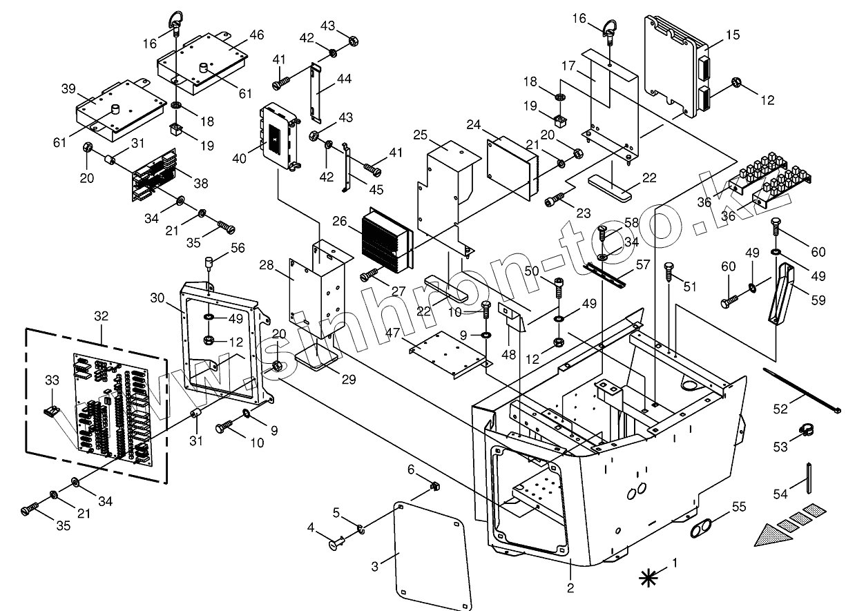
| Позиция на иллюстрации | Заводской номер детали | Название детали | |
|---|---|---|---|
| 200803180 | 200803180 | GAL-module-incl. software | |
| 1 | 002208001 | Control box-cpl. | |
| 2 | 002208101 | Substructure-panel | |
| 3 | 002208250 | Maintenance door | |
| 4 | 270000740 | Locking spigot | |
| 5 | 270000760 | Retaining washer | |
| 6 | 270000750 | Cam-lock | |
| 9 | 009099081 | Detent edged washer | |
| 10 | 009006120 | Hex head bolt | |
| 12 | 009087041 | Locknut | |
| 15 | 200803160 | Travel control-incl. software | |
| 16 | 270001310 | Quick coupler | |
| 17 | 002208110 | Retainer | |
| 18 | 270001320 | Circlip | |
| 19 | 270001330 | Quick coupler | |
| 20 | 009080061 | Hex nut | |
| 21 | 009100010 | Spring washer | |
| 22 | 200203190 | Mat-Rubber | |
| 23 | 009030431 | Allen screw | |
| 24 | 200803090 | Automatic pilot-incl. software | |
| 25 | 002208130 | Retainer | |
| 26 | 003039880 | Diom exit-module | |
| 27 | 009034240 | Allen screw | |
| 28 | 002208201 | Retainer | |
| 29 | 200203180 | Mat-Rubber | |
| 30 | 002208040 | Metal sheet | |
| 31 | 009242020 | Rubber pad | |
| 32 | 003039653 | Circuit board-cpl. | |
| 33 | 003021960 | Flat fuse | |
| 33 | 003032010 | Flat fuse | |
| 33 | 003018560 | Flat fuse | |
| 33 | 003020760 | Flat fuse | |
| 33 | 003020740 | Flat fuse | |
| 33 | 003021940 | Flat fuse | |
| 33 | 003031980 | Flat fuse | |
| 33 | 003019770 | Flat fuse | |
| 34 | 009103250 | Washer | |
| 35 | 009034220 | Allen screw | |
| 36 | 200803360 | Distributor circuit board-CAN | |
| 38 | 200800111 | Potential distributor circuit board | |
| 39 | 200817351 | ECU KMC + SW BiG X KMC2 | |
| 39 | 200808003 | ECU KMC 16bit 2ST 2008/39 | |
| 41 | 009036520 | Allen screw | |
| 42 | 009100310 | Spring washer | |
| 43 | 009082071 | Hex nut | |
| 44 | 003025830 | Bracket | |
| 45 | 003025840 | Bracket | |
| 46 | 200817341 | ECU KMC + SW BiG X KMC3 | |
| 46 | 200808003 | ECU KMC 16bit 2ST 2008/39 | |
| 47 | 200216150 | Holding plate | |
| 48 | 200216140 | Supporting angle | |
| 49 | 009099061 | Detent edged washer | |
| 50 | 009030431 | Allen screw | |
| 51 | 009069480 | Self-tapping screw | |
| 52 | 009226711 | Cable band | |
| 53 | 009240100 | Tube clip w. rubber | |
| 53 | 900000310 | Tube clip w. rubber | |
| 53 | 009240610 | Tube clip w. rubber | |
| 54 | 009251560 | Edge protection-Id.-no.= 1m-black | |
| 55 | 200216170 | Packing strip | |
| 56 | 270012060 | Rubber pad | |
| 57 | 200228590 | Top hat rail | |
| 58 | 009068110 | Slotted pan head screw | |
| 59 | 200236570 | Strut | |
| 60 | 009006060 | Hex head bolt | |
| 61 | 003034010 | Battery |
Содержащиеся в справочниках-каталогах запасные части и детали не предлагаются к продаже, а носят исключительно информационный характер