Вернуться на главную
Поиск
Каталоги запчастей к технике
Сельхозтехника
KRONE
BIG-X-650
Transfer channel -spring-mounted
Каталог запасных частей к технике: KRONE BIG-X-650. Transfer channel -spring-mounted
zoom-in
zoom-out
enlarge
shrink
circle-right
circle-left
file-text2
info
cart
Тип техники
Не выбрано
Легковые автомобили
Грузовые автомобили и прицепы
Автобусы
Сельхозтехника
Спецтехника
Двигатели
Мототехника
Марка
Не выбрано
AGCO
Amity
CASE IH
DongFeng
Fortschritt
Foton
Franz Kleine
Gaspardo
Great Plains
KRONE
KUHN
Lemken
Lovol
MacDon
Massey Ferguson
New Holland
TIGARBO
Vaderstad
Versatile
Wirax
Агро
Агротехмаш
Бобруйскагромаш (ОАО «УКХ «Бобруйскагромаш»)
БЭМЗ
ВгТЗ
Воронежсельмаш
ВТЗ
Гомсельмаш
ДКЗ
ЗАО "Техника-сервис"
ЗиД
КЗК
Кировец-Ландтехник
Клевер
Красная Звезда
Лидагропроммаш
Лидсельмаш
ЛТЗ
Машстройхолдинг
Минитракторы
Мордовагромаш
МТЗ
Навигатор-Новое машиностроение
Нефтекамский автозавод
ПТЗ
Ремком
РСМ
Сибсельмаш
ТеКЗ
ТКЗ
ХЗТСШ
ХТЗ
ЮМЗ
Модель
Не выбрано
280CV-Q, 320CV-Q, 280CRI-Q (2013)
280CV-Q, 320CV-Q, 280CRI-Q (2013)
ActiveMow R200 (2018)
ActiveMow R200 (2018)
ActiveMow R200 (2018)
ActiveMow R200 (2018)
ActiveMow R200 (2018)
ActiveMow R200 (2018)
ActiveMow R240 (2018)
ActiveMow R240 (2018)
ActiveMow R240 (2018)
ActiveMow R240 (2018)
ActiveMow R240 (2018)
ActiveMow R240 (2018)
ActiveMow R280 (2018)
ActiveMow R280 (2018)
ActiveMow R280 (2018)
ActiveMow R280 (2018)
ActiveMow R280 (2018)
ActiveMow R280 (2018)
ActiveMow R320 (2018)
ActiveMow R320 (2018)
ActiveMow R320 (2018)
ActiveMow R320 (2018)
ActiveMow R320 (2018)
ActiveMow R320 (2018)
ActiveMow R360 (2018)
ActiveMow R360 (2018)
ActiveMow R360 (2018)
ActiveMow R360 (2018)
ActiveMow R360 (2018)
ActiveMow R360 (2018)
AFL243RS (2013)
AM 203CV, AM 243CV, AM 283CV (2018)
AM 203CV, AM 243CV, AM 283CV (2018)
AM 203CV, AM243CV, AM283CV (2018)
AM 203CV, AM243CV, AM283CV (2018)
AM 243 (2018)
AM 243CV (2018)
AM 243CV (2018)
AM 243CV, AM283CV (2018)
AM 283 (2018)
AM 283CV (2018)
BiG X 500 (2018)
BiG X V8, BiG X V12 (2018)
BIG-M-400 (2016)
BIG-M-420 (2016)
BIG-M-420 (2016)
BIG-M-I (2016)
BIG-M-I (2016)
BIG-M-I (2016)
BIG-M-II (2016)
BIG-M-II (2016)
BIG-M-II (2016)
BIG-M-II (2016)
BIG-M-II (2016)
BIG-M-II (2016)
BIG-M-II (2016)
BIG-X-1000 (2016)
BIG-X-1000 (2016)
BIG-X-1100 (2016)
BIG-X-480 (2016)
BIG-X-480 (2017)
BIG-X-500 (2010)
BIG-X-500 (2010)
BIG-X-500 (2010)
BIG-X-500 (2010)
BIG-X-500 (2010)
BIG-X-530 (2016)
BIG-X-530 (2017)
BIG-X-580 (2016)
BIG-X-580 (2017)
BIG-X-600 (2016)
BIG-X-600 (2016)
BIG-X-600 (2016)
BIG-X-630 (2016)
BIG-X-630 (2017)
BIG-X-650 (2010)
BIG-X-650 (2013)
BIG-X-650 (2013)
BIG-X-650 (2013)
BIG-X-650 (2013)
BIG-X-650 (2013)
BIG-X-650 (2013)
BIG-X-650 (2013)
BIG-X-650 (2013)
BIG-X-700 (2010)
BIG-X-700 (2013)
BIG-X-700 (2013)
BIG-X-700-1 (2013)
BIG-X-700-1 (2013)
BIG-X-700-1 (2016)
BIG-X-700-1 (2016)
BIG-X-700-1 (2016)
BIG-X-800 (2016)
BIG-X-800 (2016)
BIG-X-800/1000 (2013)
BIG-X-850-1 (2018)
BIG-X-850-1/1100-1 (2013)
BIG-X-850-1/1100-1 (2013)
BIG-X-850/1100 (2013)
BIG-X-V8/BIG-X-V12 (2013)
BIG-X-V8/BIG-X-V12 (2013)
BIG-X-V8/BIG-X-V12 (2013)
Easycollect (2018)
EasyCut F360M (2018)
EasyFlow 300, 380 (2012)
EasyFlow 3000, 3800 (2013)
EasyFlow 3000, 3800 (2013)
EasyFlow 3001 (2013)
EasyFlow 3001 (2013)
EasyFlow 3001 (2013)
EasyFlow 3001 (2013)
EasyFlow 3001 (2013)
EasyFlow 3001 (2013)
EasyFlow 3801 (2013)
EasyFlow 3801 (2013)
EasyFlow 3801 (2013)
EasyFlow 3801 (2013)
EasyFlow 3801 (2013)
EC 27/32 (2013)
EC 28/32 (2013)
EC 28/32 (2013)
EC 28/32 (2013)
EC 28/32CV (2013)
EC 28/32CV (2013)
EC 28/32CV (2013)
EC 28/32M (2013)
EC 28/32M (2013)
EC 28/32P (2013)
EC 28/32P (2013)
EC 28/32P (2013)
EC 28M (2013)
EC 32CRI (2013)
EC 32CRI (2013)
EC 32CRI (2013)
EC 32CV (2013)
EC 360/400 (2013)
EC 360/400 (2013)
EC 360/400 (2013)
EC 360/400 (2013)
EC F280 (2018)
EC F280 / F320 (2013)
EC F280 M (2013)
EC F280/320/360 (2013)
EC F320 (2018)
EC F320 M (2013)
EC F320 M (2013)
EC F320CV (2013)
EC F320M/F360M (2013)
EC F360 (2018)
EC R280 (2013)
EC R320 (2013)
EC R360 (2013)
EC R400 (2018)
EC-9000 (2008)
EC270CV/320CV (2013)
EC280/320 (2013)
EC280/320 (2013)
EC280/320 (2013)
EC280CV-Q/320CV-Q (2013)
EC280CV/320CV (2013)
EC280CV/320CV/280CR (2013)
EC280CV/320CV/C280CRI (2013)
EC28CV/32CV/32CV-F (2013)
EC28CV/C32CV/32CV-F (2013)
EC32CV/32CV-F (2013)
EColl.6000,7500,6000FP (2013)
EColl.6000,7500,9000,6000F (2013)
EColl.6000,7500,9000,6000F/FP (2013)
EColl.6000,7500,9000,6000F/FP (2013)
EColl.6000-7500-9000-6000CL/JD (2013)
ECollect 753, 903, 1053 (2013)
ECollect753, 903, 1053 (2013)
ECollect753, 903, 1053 (2013)
ECR280CV/320CV (2012)
KW 8.50-8 (2018)
KWT 7.70-6X7, KWT 8.50-8, KWT 10.50-8X7 (2018)
X-Disc 6200 (2013)
X-Disc 6200 (2013)
Схема
>
Не выбрано
Feeder
Feeder Housing with support foot
Feeder Housing with support foot
Grain collecting plate / slotted cover
Lower feed rollers
Lower feed roller bearing
Top feed rollers
Top feed roller bearing
Cover- Feeder Housing
Auxiliary gearbox / Drive
Roller gearbox part 1
Roller gearbox part 2
P.T.O shafts
Top roller gearbox
Oscillating levers/Tension spring
Pivoting frame / linkage
Lateral flotation system
Lateral flotation system/Locking mech.
Angle sensor- Pivoting frame
Chopping aggregate -cpl.
Chopping drum support
Chopping drum support - mounting parts
Drum base -spring-mounted
Husk / friction ground
Chopping drum
Chopping drum bearing / counter bearing
Tensioning device- main drive
Belt guide - main drive
Angle sensor - chopping drum
Shear bar adjustment
Sharpening
Sharpening device drive
Transfer channel -not spring-mounted
Transfer channel -spring-mounted
Grass channel -not spring-mounted
Grass channel -spring-mounted
Cracker duct -pivoting -not spring-mounted
Wearing plates -HD parts -not spring-mounted
Grain conditioner cpl. -not spring-mounted
Cracker housing -not spring-mounted
Roller basin -not spring-mounted
Grain conditioner cpl. / cracker duct -spring-mounted
Cracker housing - mounting parts -spring-mounted
Roller front
Roller back
Adjustment mandril -not spring-mounted
E-motor and
Pulley for changing directions
Cracker drive / tensioning device
Cracker drive / tensioning device
Rope winch / Installation car
Rope winch / Installation car
Discharge accelerator / bearing
Discharge accelerator housinge -not spring-mounted
Discharge accelerator housinge -spring-mounted
Crop flow -HD parts -not spring-mounted
Auger-gearbox
Duct nozzle
Mounting parts discharge chute rotation
Channel union -HD parts
Discharge chute assembl.
Upper discharge chute with wear plates
Upper discharge chute "short" with wear plates
Upper discharge chute -HD parts
Discharge flap-end piece
Discharge chute extension 10-row
Discharge chute extension 12-row
Upper discharge chute - mounting parts
Discharge chute extension 14-row
Upper discharge chute - mounting parts 14-row
Camera surveillance / Rear view mirror
Cab - mounting parts / electric parts
Cab - control panel (roof) / circuit board
Cab - glazing
Glass wiper
Steering columm
Wear parts - driver's seat
Cab - Sound deadening
Cab - Cab lining, aerial
Rear blind / lateral blind
Control box mounting parts -top
Control box / controls eletronic
Frame / trailer hitch / ascending ladder
Tank protection
Cab access left / platform right
Additional tread
Tool box - pivoting
Panelling frame / Cladding -front top
Panelling frame / Cladding -back top
Battery box
Mudguard
Fold-away warning panel
Front panel / Headlight
Cladding -lateral
Cladding -back
Tyres
Steering axle rocker arm
Hydraulic parking brake
Steering axle
Variable disqlacement pumps
Hydraulic tank / suction lines
Hand pump
Housing line / oil cooler
Traction drive pump
Traction drive wheel engine -front
Traction drive wheel engine -rear
Oil leckage pipes / return lines - front
Hydraulics - speed range shifting
Oil leckage pipes / return lines - back
Cam lobe motor -3-stepped
Charge pressure lines - front
Charge pressure lines - back
Hydraulics - front attachment / feed rollers
Hydraulics - sieve drive
Valve block with support- work hydraulics
Hydraulic steering system
Hydraulic brakes
Hydraulics - pump 2 times / storage chorging valve
Hydraulics - lift
Hydraulics - lift 12/14 row
Hydraulics cpl. - discharge chute
Hydraulics - discharge chute - 14-row
Hydraulics - front attachment
Hydraulics - sharpening device / transv. ground following
Lines main clutch
Hydraulics - additive connection back
Hydraulics - additive connection back
Additive connection for trailer
Gear molasses pump
Diesel fuel tank
Diesel fuel tank
Diesel fuel pipe
Auxiliary tank
Additional tank for silage agent system
Silage agent system / Wiring harness
Diesel engine / Clutch / Air conditioner drive
Silencer
Motor output gear
Hydraulic four-surface clutch
Fan
Ventilator wheel / Drive
Radiator frame / radiator door
Condenser for air conditioner - cpl.
Air cleaning equipment
Rotor / Air conditioner mounting
Sieve drum
Suction fan
Air pressure - Blow-out gun
Air pressure - Blow-out gun
Air pressure - Blow-out gun
Air pressure - Feeder
Air pressure - Feeder
Air conditioning
Evaporator
Wiring harness fastening
Wiring harness - control box
Wiring harness - below the cabin
Wiring Harness - lateral left
Wiring Harness - chopping aggregate / backlash-alarm
Wiring Harness - valve block
Wiring loom - hydraulic pumps
Wiring Harness - engine
Wiring Harness - rear / drive valve
Wiring Harness - lighting
Wiring Harness - lighting
Wiring harness - auxiliary hydraulics
CAN - printer
CropControl
Moisture measurement
Moisture measurement
RockProtect
Several wiring looms
Several wiring looms
Indicator / parking light commutation
Battery and ground cable
Lighting / returning horn - back
Additional axis
Hydraulics - additional axis
Hydraulic panel - additional axis
Electronics - additional axis
Installation car
Fire extinguisher
Central lubrication
Spare parts case for central lubrication -Vogel
Central lubrication
Spare parts case for central lubrication -BEKA MAX
P.T.O shafts -roller drive
P.T.O shafts -drive - Pick-up
P.T.O shafts -roller gear -below
Warning signs
General information labels
Label - Circuit board
1
2
3
3
4
4
4
4
4
5
5
5
5
5
6
6
6
6
7
8
9
9
10
11
11
12
13
13
14
14
14
15
15
16
17
18
19
20
21
22
23
24
24
24
25
26
27
28
28
29
30
31
Позиция на иллюстрации
Заводской номер детали
Название детали
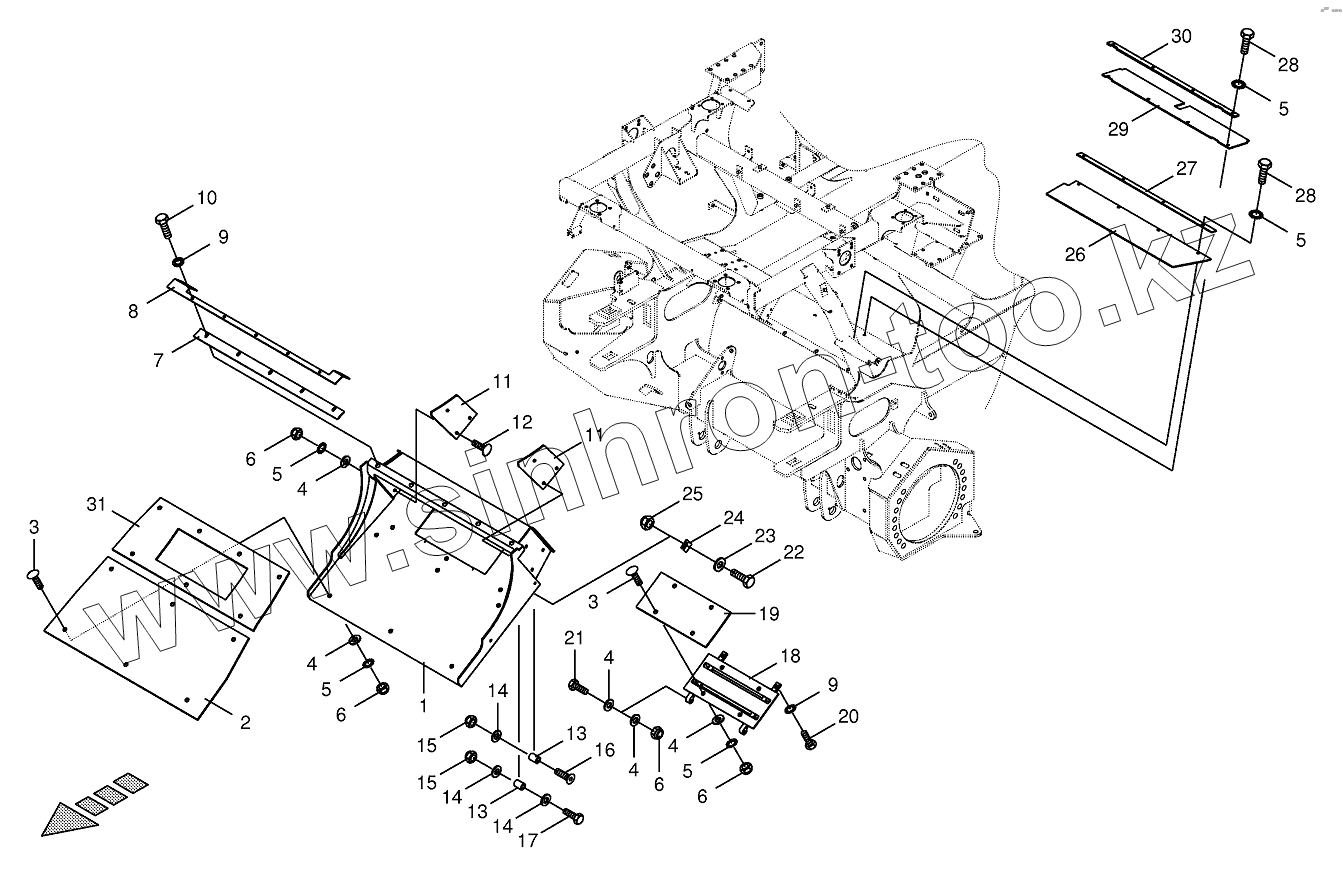
1
200242552
Transfer channel
2
200256860
Wearing plate -front
3
900013760
Countersunkscrew
4
009104140
Washer
5
009099091
Detent edged washer
6
009087580
Locknut
7
002280663
Gasket
8
200219330
Screw-on strip
9
009099101
Detent edged washer
10
009006570
Hex head bolt
11
200242580
Wearing plate -lateral
12
009048501
Coach bolt
13
001892190
Bushing
14
009103031
Washer
15
009087190
Locknut
16
900012350
Countersunkscrew
17
009011371
Hex head bolt
18
200242560
Bottom flap
19
200242590
Wearing plate
20
009006550
Hex head bolt
21
009014340
Hex head bolt
22
009003021
Hex head bolt
23
009103200
Washer
24
002280533
Enclosure
24
200268580
Enclosure
25
009087010
Locknut
26
200215831
Cover-front
27
200215840
Clamping strap-front
28
009006370
Hex head bolt
29
200215850
Cover-top
30
200215860
Clamping strap-top
31
200256870
Wearing plate -back
Содержащиеся в справочниках-каталогах запасные части и детали не предлагаются к продаже, а носят исключительно информационный характер
Дополнительная информация
×
Название:
Номер:
Примечание: