Каталог запасных частей к технике: KRONE BIG-X-600. Additional axis
1
2
3
4
5
6
7
8
9
9
9
10
11
11
12
13
14
15
16
17
17
18
18
19
20
20
20
21
22
23
24
25
26
27
28
28
29
30
31
32
33
34
35
36
37
38
39
40
41
42
43
44
45
46
47
47
48
49
50
51
52
53
53
53
54
56
57
57
57
57
58
59
60
61
62
63
64
65
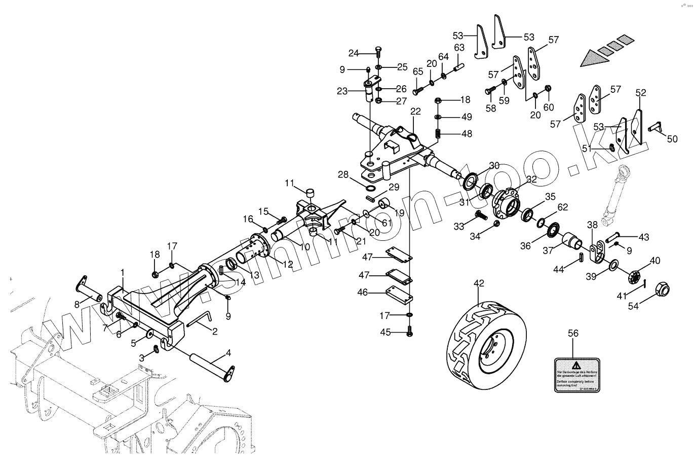
| Позиция на иллюстрации | Заводской номер детали | Название детали | |
|---|---|---|---|
| 270036040 | 270036040 | Rim | |
| 270036050 | 270036050 | Tyre | |
| 009533280 | 009533280 | Hose | |
| 1 | 202211320 | Additional axle front-front | |
| 2 | 200243010 | Pin | |
| 3 | 009170041 | Linch pin | |
| 4 | 200242980 | Pin-left | |
| 5 | 200243020 | Lock washer | |
| 6 | 009099121 | Detent edged washer | |
| 7 | 009003351 | Hex head bolt | |
| 8 | 200243000 | Pin-right | |
| 9 | 009191050 | Grease niple | |
| 10 | 200243091 | O-hitch | |
| 11 | 009349250 | Bearing bush | |
| 12 | 200243061 | Connection piece | |
| 13 | 200243030 | Limit stop | |
| 14 | 009127192 | Roll pin | |
| 15 | 009002140 | Hex head bolt | |
| 16 | 009099030 | Detent edged washer | |
| 17 | 009099081 | Detent edged washer | |
| 18 | 009087060 | Locknut | |
| 19 | 270084750 | Rubber pad | |
| 20 | 009099091 | Detent edged washer | |
| 21 | 009006360 | Hex head bolt | |
| 22 | 200243150 | Additional axis-back | |
| 23 | 200242901 | Pin | |
| 24 | 009006570 | Hex head bolt | |
| 25 | 009105061 | Washer | |
| 26 | 009099101 | Detent edged washer | |
| 27 | 009087010 | Locknut | |
| 28 | 009111361 | Shim ring | |
| 28 | 009111340 | Shim ring | |
| 29 | 009127162 | Roll pin | |
| 30 | 900004760 | Nilos-ring | |
| 31 | 009321660 | Taper roller bearing | |
| 32 | 200242880 | Hub f. axle | |
| 33 | 900021650 | Bolt | |
| 34 | 009102250 | Nut | |
| 35 | 009321540 | Taper roller bearing | |
| 36 | 900004750 | Nilos-ring | |
| 37 | 200242870 | Spacer bushing | |
| 38 | 200242861 | Cylinder mounting | |
| 39 | 009105181 | Washer | |
| 40 | 009089431 | Castellated nut | |
| 41 | 009120931 | Cotter pin | |
| 42 | 270034820 | Wheel-cpl. | |
| 43 | 200242911 | Pin with head | |
| 44 | 009126412 | Roll pin | |
| 45 | 009010542 | Hex head bolt | |
| 46 | 200244100 | Plate | |
| 47 | 200707030 | Brake lining | |
| 48 | 002817580 | Pressure spring | |
| 49 | 009106030 | Washer | |
| 50 | 200242961 | Pin | |
| 51 | 009170061 | Linch pin | |
| 52 | 200243180 | Cylinder support-top | |
| 53 | 200243170 | Cylinder support-top | |
| 54 | 009404140 | Hex. protective cap | |
| 56 | 270036640 | Tag | |
| 57 | 200256300 | Support | |
| 58 | 009006380 | Hex head bolt | |
| 59 | 009104140 | Washer | |
| 60 | 009087580 | Locknut | |
| 61 | 200269540 | Washer | |
| 62 | 009108990 | Shim ring | |
| 63 | 202253030 | Bolt cylinder additional axle | |
| 64 | 900001210 | Washer | |
| 65 | 009006320 | Hex head bolt |
Содержащиеся в справочниках-каталогах запасные части и детали не предлагаются к продаже, а носят исключительно информационный характер