Вернуться на главную
Поиск
Каталоги запчастей к технике
Сельхозтехника
KRONE
BIG-X-580
Steering axle
Каталог запасных частей к технике: KRONE BIG-X-580. Steering axle
zoom-in
zoom-out
enlarge
shrink
circle-right
circle-left
file-text2
info
cart
Тип техники
Не выбрано
Легковые автомобили
Грузовые автомобили и прицепы
Автобусы
Сельхозтехника
Спецтехника
Двигатели
Мототехника
Марка
Не выбрано
AGCO
Amity
CASE IH
DongFeng
Fortschritt
Foton
Franz Kleine
Gaspardo
Great Plains
KRONE
KUHN
Lemken
Lovol
MacDon
Massey Ferguson
New Holland
TIGARBO
Vaderstad
Versatile
Wirax
Агро
Агротехмаш
Бобруйскагромаш (ОАО «УКХ «Бобруйскагромаш»)
БЭМЗ
ВгТЗ
Воронежсельмаш
ВТЗ
Гомсельмаш
ДКЗ
ЗАО "Техника-сервис"
ЗиД
КЗК
Кировец-Ландтехник
Клевер
Красная Звезда
Лидагропроммаш
Лидсельмаш
ЛТЗ
Машстройхолдинг
Минитракторы
Мордовагромаш
МТЗ
Навигатор-Новое машиностроение
Нефтекамский автозавод
ПТЗ
Ремком
РСМ
Сибсельмаш
ТеКЗ
ТКЗ
ХЗТСШ
ХТЗ
ЮМЗ
Модель
Не выбрано
280CV-Q, 320CV-Q, 280CRI-Q (2013)
280CV-Q, 320CV-Q, 280CRI-Q (2013)
ActiveMow R200 (2018)
ActiveMow R200 (2018)
ActiveMow R200 (2018)
ActiveMow R200 (2018)
ActiveMow R200 (2018)
ActiveMow R200 (2018)
ActiveMow R240 (2018)
ActiveMow R240 (2018)
ActiveMow R240 (2018)
ActiveMow R240 (2018)
ActiveMow R240 (2018)
ActiveMow R240 (2018)
ActiveMow R280 (2018)
ActiveMow R280 (2018)
ActiveMow R280 (2018)
ActiveMow R280 (2018)
ActiveMow R280 (2018)
ActiveMow R280 (2018)
ActiveMow R320 (2018)
ActiveMow R320 (2018)
ActiveMow R320 (2018)
ActiveMow R320 (2018)
ActiveMow R320 (2018)
ActiveMow R320 (2018)
ActiveMow R360 (2018)
ActiveMow R360 (2018)
ActiveMow R360 (2018)
ActiveMow R360 (2018)
ActiveMow R360 (2018)
ActiveMow R360 (2018)
AFL243RS (2013)
AM 203CV, AM 243CV, AM 283CV (2018)
AM 203CV, AM 243CV, AM 283CV (2018)
AM 203CV, AM243CV, AM283CV (2018)
AM 203CV, AM243CV, AM283CV (2018)
AM 243 (2018)
AM 243CV (2018)
AM 243CV (2018)
AM 243CV, AM283CV (2018)
AM 283 (2018)
AM 283CV (2018)
BiG X 500 (2018)
BiG X V8, BiG X V12 (2018)
BIG-M-400 (2016)
BIG-M-420 (2016)
BIG-M-420 (2016)
BIG-M-I (2016)
BIG-M-I (2016)
BIG-M-I (2016)
BIG-M-II (2016)
BIG-M-II (2016)
BIG-M-II (2016)
BIG-M-II (2016)
BIG-M-II (2016)
BIG-M-II (2016)
BIG-M-II (2016)
BIG-X-1000 (2016)
BIG-X-1000 (2016)
BIG-X-1100 (2016)
BIG-X-480 (2016)
BIG-X-480 (2017)
BIG-X-500 (2010)
BIG-X-500 (2010)
BIG-X-500 (2010)
BIG-X-500 (2010)
BIG-X-500 (2010)
BIG-X-530 (2016)
BIG-X-530 (2017)
BIG-X-580 (2016)
BIG-X-580 (2017)
BIG-X-600 (2016)
BIG-X-600 (2016)
BIG-X-600 (2016)
BIG-X-630 (2016)
BIG-X-630 (2017)
BIG-X-650 (2010)
BIG-X-650 (2013)
BIG-X-650 (2013)
BIG-X-650 (2013)
BIG-X-650 (2013)
BIG-X-650 (2013)
BIG-X-650 (2013)
BIG-X-650 (2013)
BIG-X-650 (2013)
BIG-X-700 (2010)
BIG-X-700 (2013)
BIG-X-700 (2013)
BIG-X-700-1 (2013)
BIG-X-700-1 (2013)
BIG-X-700-1 (2016)
BIG-X-700-1 (2016)
BIG-X-700-1 (2016)
BIG-X-800 (2016)
BIG-X-800 (2016)
BIG-X-800/1000 (2013)
BIG-X-850-1 (2018)
BIG-X-850-1/1100-1 (2013)
BIG-X-850-1/1100-1 (2013)
BIG-X-850/1100 (2013)
BIG-X-V8/BIG-X-V12 (2013)
BIG-X-V8/BIG-X-V12 (2013)
BIG-X-V8/BIG-X-V12 (2013)
Easycollect (2018)
EasyCut F360M (2018)
EasyFlow 300, 380 (2012)
EasyFlow 3000, 3800 (2013)
EasyFlow 3000, 3800 (2013)
EasyFlow 3001 (2013)
EasyFlow 3001 (2013)
EasyFlow 3001 (2013)
EasyFlow 3001 (2013)
EasyFlow 3001 (2013)
EasyFlow 3001 (2013)
EasyFlow 3801 (2013)
EasyFlow 3801 (2013)
EasyFlow 3801 (2013)
EasyFlow 3801 (2013)
EasyFlow 3801 (2013)
EC 27/32 (2013)
EC 28/32 (2013)
EC 28/32 (2013)
EC 28/32 (2013)
EC 28/32CV (2013)
EC 28/32CV (2013)
EC 28/32CV (2013)
EC 28/32M (2013)
EC 28/32M (2013)
EC 28/32P (2013)
EC 28/32P (2013)
EC 28/32P (2013)
EC 28M (2013)
EC 32CRI (2013)
EC 32CRI (2013)
EC 32CRI (2013)
EC 32CV (2013)
EC 360/400 (2013)
EC 360/400 (2013)
EC 360/400 (2013)
EC 360/400 (2013)
EC F280 (2018)
EC F280 / F320 (2013)
EC F280 M (2013)
EC F280/320/360 (2013)
EC F320 (2018)
EC F320 M (2013)
EC F320 M (2013)
EC F320CV (2013)
EC F320M/F360M (2013)
EC F360 (2018)
EC R280 (2013)
EC R320 (2013)
EC R360 (2013)
EC R400 (2018)
EC-9000 (2008)
EC270CV/320CV (2013)
EC280/320 (2013)
EC280/320 (2013)
EC280/320 (2013)
EC280CV-Q/320CV-Q (2013)
EC280CV/320CV (2013)
EC280CV/320CV/280CR (2013)
EC280CV/320CV/C280CRI (2013)
EC28CV/32CV/32CV-F (2013)
EC28CV/C32CV/32CV-F (2013)
EC32CV/32CV-F (2013)
EColl.6000,7500,6000FP (2013)
EColl.6000,7500,9000,6000F (2013)
EColl.6000,7500,9000,6000F/FP (2013)
EColl.6000,7500,9000,6000F/FP (2013)
EColl.6000-7500-9000-6000CL/JD (2013)
ECollect 753, 903, 1053 (2013)
ECollect753, 903, 1053 (2013)
ECollect753, 903, 1053 (2013)
ECR280CV/320CV (2012)
KW 8.50-8 (2018)
KWT 7.70-6X7, KWT 8.50-8, KWT 10.50-8X7 (2018)
X-Disc 6200 (2013)
X-Disc 6200 (2013)
Схема
>
Не выбрано
Feeder
Feeder Housing
Wearing plates / guide - feeder Housing
Grain collecting plate / slotted cover
Cover- Feeder Housing
Top feed rollers
Top feed roller bearing
Oscillating levers/Tension spring
Lower feed rollers
Lower feed roller bearing
Drive - feed rollers
Angle gear
Roller gear below
Top roller gearbox
P.T.O shafts
Pto drive shaft
P.T.O shafts
Pto drive shaft
Double universal joint
Double universal joint
Pendulum equalizer
PTO shaft coupler
P.T.O shafts
Pto drive shaft
Chopping aggregate -cpl. without blades
Chopping drum support
Chopping drum support - mounting parts
Chopping drum bearing / counter bearing
Angle sensor - chopping drum
Shear bar adjustment
Sharpening
Sharpening device drive
Drum base -spring-mounted
Chopping drum - 20 Knifes
Chopping drum - 28 Knifes
Chopping drum - 36 Knifes
Grass channel / grain conditioner cpl.
Cracker housing - mounting parts
Spring - cracker housing
Roller front
Roller back
Mounting aid corn conditioner 847800 - 905000
Mounting aid corn conditioner 905001 - 932000
Transfer channel
Swivelling device
Channel union -below
Channel union -top
Auger-gearbox
Discharge accelerator / bearing
Rotor
Discharge accelerator housinge
Rear panel 847800 - 932000
Rear panel 847800 - 932000
Upper discharge chute with wear plates
Discharge flap-end piece -8 rows
Discharge flap-end piece -CAL
Diesel engine-BIG X 480
Accessories - diesel engine -BIG X 480
Diesel engine-BIG X 580
Accessories - diesel engine -BIG X 580
Charge air cooler
Air cleaning equipment
Radiator for motor fluid
Exhaust gas equipment
Accessories - exhaust gas equipment 847800 - 905000
Accessories - exhaust gas equipment 905001 - 932000
Mounting parts - engine
Compressed air system
Water compensation
Pre-Cleaner
Diesel fuel tank
Diesel fuel tank -bonded rubber plate
Auxiliary tank
Mounting material without additional tank
SCR tank
Diesel fuel pipe
Front attachment drive
Auxiliary gearbox
Mounting parts - intermediate gearbox
Intermediate gearbox
Transmission gear
Drive engine-fan
Power takeoff
Main belt -back
Clamping unit -back (main coupling)
Main belt -front
Clamping unit -front
Belt drive corn conditioner
Ventilator
Fan gearbox
Sieve
Radiator door
Sieve drum drive
Radiator set
Cooler housing
Rotor
Mounting parts - cooler housing
Gear oil cooler
Heating hose
Air conditioning
Main frame
Bumper
Battery box
Steering axle
Steering angle sensor
Cabin holder
Tyres -front
Tyres -back
Cab - control panel (roof)
Cab - roof
Cab - roof
Cab - rear blind
Cab - glazing
Cab - glass wiper
Cab - Sound deadening
Cab - evaporator / filter
Cab - evaporator
Cab - frame / mounting parts
Steering columm
Wear parts - driver's seat -standard and activo
Wear parts - driver's seat -standard
Wear parts - driver's seat -activo
Cab - terminal / armrest
Cab - console 847800 - 906000
Cab - console 906001 - 932000
Cab - rear covering / passenger seat
Cab - drawer
Hydraulic tank
High pressure circuit - two-wheel drive
Variable disqlacement pump
Charge pressure circuit
Return lines - two-wheel drive 847800 - 932000
Return lines - two-wheel drive 847800 - 932000
Suction line
Parts - two-wheel drive
High pressure circuit - four-wheel drive
Return lines - four-wheel drive
HP line hydraulic system
HP line hydraulic system
Variable disqlacement pump
Variable disqlacement pump
Suction lines / charge pressure lines
Suction lines / charge pressure lines
Hydraulic panel
Hydraulic main block
Hydraulics - control bloc
Hydraulic panel / pressure accumulator
Hydraulics - pressure lines / pump
Hydraulics - pressure lines -front
Hydraulics - pressure lines -back
Hydraulics - clamping unit -front/back
Hydraulics - brake / gearbox
Hydraulics - axle level
Hydraulics - lift
Hydraulics - sieve drive
Hydraulics - steering
Hydraulics - pressure lines -front attachment
Hydraulics - front block
Hydraulics - front block-(24V)
Hydraulics - front attachment
Hydraulics - unlock front attachment
Hydraulics - brake front
Hydraulics - brake rear
Hydraulics - brake / brake valve
Hydraulics - automatic steering
Hydraulic block - automatic steering
Hydraulics - swivelling device
Hydraulics - discharge chute
Hydraulics - discharge chute - 12/14-row
Hydraulics - discharge chute - 12/14-row
Hydraulics - pendulum equalizer
Hydraulics - sharpening device
Hydraulics - auxiliary tank
Hydraulics - additive connection back
Side flap
Traction relief
Cladding -front
Cladding -front
Back door
Platform - right 847800 - 905000
Platform - right 905001 - 932000
Wheel well - front 847800 - 905000
Wheel well - front 905001 - 932000
Cab access - left 847800 - 905000
Cab access - left 905001 - 932000
Roof
Seal cooling chamber
Mudguard
Panelling frame
Kinematics lateral flaps
Warning panel 905001 - 932000
Warning panel 847800 - 932000
Warning panel 847800 - 932000
Wiring harness - right front
Wiring harness - centre
Wiring Harness - engine
Wiring harness - back left
Wiring harness - left front
Wiring harness - KMB 2
Wiring Harness - rear
Wiring harness - hydraulic panel
Wiring harness - SCR system
Wiring Harness - feeder
Wiring Harness - chopping aggregate
Wiring Harness - back door
Wiring harness - below the cabin
Wiring loom - cab
Wiring harness - panel
Wiring Harness - Headlight
Wiring Harness - cab access
Wiring Harness - ladder lighting
Wiring Harness - journal
Wiring Harness - KMB 4
Wiring Harness - KMB 3
Wiring Harness - Discharge chute extension 12/14-row
Several wiring looms
Battery and ground cable
Electronics
Camera surveillance
Wiring harness fastening 847800 - 905000
Wiring harness fastening 905001 - 932000
Wiring harness fastening 847800 - 932000
Lighting
Central lubrication
Pump for central lubrication
Spare parts case for central lubrication -BEKA MAX
Warning signs
General information labels
Silage agent system 847800 - 932000
Silage agent system 847800 - 932000
Friction base
CropControl
RockProtect
Husk
Additional axis
Hydraulics - additional axis
Rope winch / additional axis
ForageCam
NIR - Moisture measurement
Maintenance lighting
ISOBUS
Preparation for silage additive system
Headlight - LED -optional
Lighting
Installation car - feeder
Installation car - chopping drum
Additional weights
Discharge flap-end piece -10 rows
Discharge chute extension 12/14-row
Discharge flap-end piece -12/14 rows
Enclosed parts
Filter element
Wearing plates - crop flow
1
2
3
3
4
4
5
5
6
7
7
7
7
8
9
10
10
10
10
11
11
12
13
14
15
16
17
19
19
20
21
21
22
22
23
23
24
25
25
26
27
27
28
29
Позиция на иллюстрации
Заводской номер детали
Название детали
900001190
900001190
Bearing bush
270154830
270154830
Gasket set
270154850
270154850
Gasket set
900028510
900028510
Disc
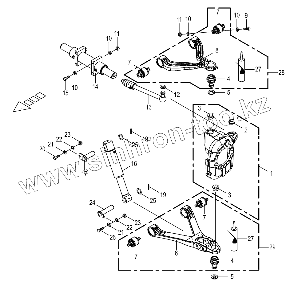
1
202215811
Steering knuckle rh assembled
1
202215841
Steering knuckle lh assembled
2
202218011
Bushing-track rod
3
202218021
Bushing
4
270113500
Ball joint
5
202218000
Disc
6
270107391
Track control arm bottom
7
900020530
Bearing
8
270107382
Track control arm top
9
009012442
Hex head bolt
10
009105141
Washer
11
009087262
Locknut
12
202223150
Disc
13
270095431
gauge tie bar
14
270106982
Steering cylinder
15
900020550
Scew
16
270096912
Hydr. cylindre
17
200284223
Bolt
19
009127202
Roll pin
20
009006580
Hex head bolt
21
009105061
Washer
22
009099101
Detent edged washer
23
009087010
Locknut
24
202218321
Pin
25
200218041
End plate
26
009014570
Hex head bolt
27
009385120
Screw locking-high-strength
28
202231650
Control arm
29
202231640
Control arm
Содержащиеся в справочниках-каталогах запасные части и детали не предлагаются к продаже, а носят исключительно информационный характер
Дополнительная информация
×
Название:
Номер:
Примечание: