Каталог запасных частей к технике: KRONE BiG X 500. Hydraulics - front attachment / feed rollers
00 919 946 0
27 002 731 0
00 919 944 0
27 001 306 0
1
2
3
4
5
6
7
8
9
9
9
9
10
10
10
10
12
12
13
14
15
16
17
18
19
20
20
21
21
22
22
23
23
24
24
25
25
26
27
29
30
31
32
33
34
35
36
36
37
37
37
37
37
37
37
37
38
38
38
39
40
41
43
44
45
46
47
48
49
50
51
52
53
53
53
53
54
55
56
57
57
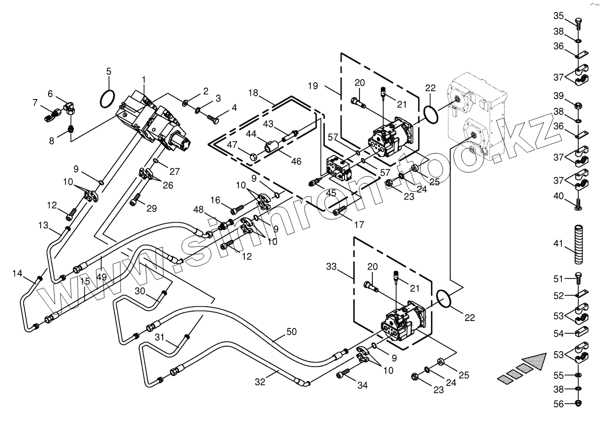
| Позиция на иллюстрации | Заводской номер детали | Название детали | |
|---|---|---|---|
| 00 919 946 0 | 00 919 946 0 | Sealing set | |
| 27 002 731 0 | 27 002 731 0 | Sealing set | |
| 00 919 944 0 | 00 919 944 0 | Sealing set | |
| 27 001 306 0 | 27 001 306 0 | Sealing set | |
| 1 | 00 919 185 0 | Variable displacement pump | |
| 2 | 00 910 303 1 | Washer | |
| 3 | 00 909 912 1 | Detent edged washer | |
| 4 | 00 901 132 1 | Hex head bolt | |
| 5 | 00 937 610 0 | O-ring | |
| 6 | 00 920 825 0 | Lug | |
| 7 | 00 919 937 0 | Connector f.mini-test equipm. | |
| 8 | 00 919 368 0 | Male connector | |
| 9 | 27 003 924 0 | Flange gasket | |
| 10 | 00 920 861 1 | SAE-flange section -2 halves | |
| 12 | 90 000 473 0 | Allen screw | |
| 13 | 20 020 275 0 | Solder piece | |
| 14 | 20 020 274 0 | Solder piece | |
| 15 | 27 003 894 0 | High pressure hose line | |
| 16 | 90 000 071 0 | Allen screw | |
| 17 | 90 000 070 0 | Allen screw | |
| 18 | 00 919 172 0 | Fast-stop valve | |
| 19 | 00 222 062 1 | Fixed displacement motor | |
| 20 | 00 919 938 0 | Speed sensor | |
| 21 | 00 919 943 0 | Filling press.delimitation val | |
| 22 | 00 937 588 0 | O-ring | |
| 23 | 00 908 701 0 | Locknut | |
| 24 | 00 909 910 1 | Detent edged washer | |
| 25 | 00 222 313 2 | Bushing | |
| 26 | 00 920 860 1 | SAE-flange section -2 halves | |
| 27 | 27 003 923 0 | Flange gasket | |
| 29 | 00 903 109 1 | Allen screw | |
| 30 | 20 020 277 0 | Solder piece | |
| 31 | 20 020 276 0 | Solder piece | |
| 32 | 27 000 449 1 | High pressure hose line | |
| 33 | 00 222 067 0 | Fixed displacement motor - Front attachment | |
| 34 | 00 900 312 0 | Allen screw | |
| 35 | 00 901 438 0 | Hex head bolt | |
| 36 | 00 925 125 1 | Cover plate | |
| 37 | 00 925 154 1 | Tube clamp -2 halves | |
| 37 | 27 003 904 0 | Tube clamp -2 halves | |
| 38 | 00 901 447 0 | Hex head bolt | |
| 39 | 00 908 758 0 | Locknut | |
| 40 | 90 000 025 0 | Coach bolt | |
| 41 | 00 301 219 0 | Spiral strip -Id.-no.= 1m | |
| 43 | 27 000 685 1 | 2/2-Directional-control valve | |
| 44 | 27 000 687 1 | Solenoid coil | |
| 45 | 27 000 686 0 | Pressure valve | |
| 46 | 27 000 688 1 | 2/2-Directional-control valve -cpl. | |
| 47 | 27 001 842 0 | Nut -with emergency hand operation | |
| 48 | 00 919 902 0 | SAE extern.screw thread flange | |
| 49 | 27 003 893 0 | High pressure hose line | |
| 50 | 27 003 899 0 | High pressure hose line | |
| 51 | 00 900 347 0 | Hex head bolt | |
| 52 | 00 925 130 0 | Cover plate | |
| 53 | 00 925 152 2 | Tube clamp -2 halves | |
| 53 | 27 003 931 0 | Tube clamp -2 halves | |
| 54 | 20 024 516 0 | Intermediate piece | |
| 55 | 00 910 414 0 | Washer | |
| 56 | 00 909 100 0 | Nut | |
| 57 | 27 003 924 0 | Flange gasket |
Содержащиеся в справочниках-каталогах запасные части и детали не предлагаются к продаже, а носят исключительно информационный характер