Каталог запасных частей к технике: KRONE BIG-M-II. Gearbox - lateral CRI 570001 - 577952
1
1
2
2
3
3
4
4
5
5
6
6
6
6
6
7
7
8
9
9
10
10
10
10
10
11
12
13
14
15
15
15
16
16
16
17
18
18
18
19
20
21
22
23
24
24
24
25
25
25
25
26
26
27
28
29
30
31
32
33
34
34
35
36
37
40
41
42
43
44
45
46
47
48
50
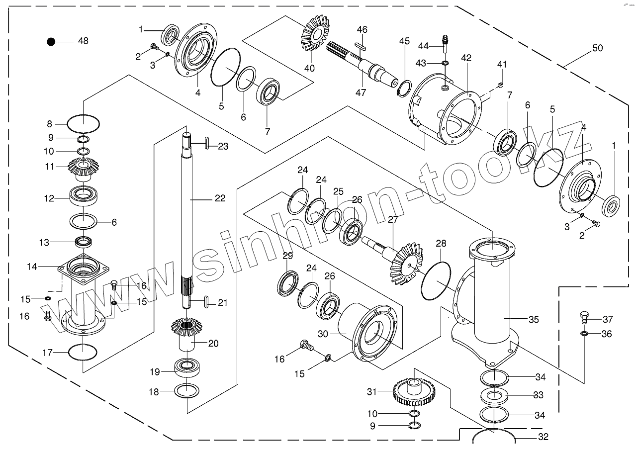
| Позиция на иллюстрации | Заводской номер детали | Название детали | |
|---|---|---|---|
| 1 | 009363391 | Radial-shaft sealing ring | |
| 2 | 009006360 | Hex head bolt | |
| 3 | 009099091 | Detent edged washer | |
| 4 | 002561170 | Gearbox cover | |
| 5 | 009365680 | O-ring | |
| 6 | 009109920 | Shim ring | |
| 6 | 009109930 | Shim ring | |
| 6 | 009109940 | Shim ring | |
| 7 | 009301410 | Grooved ball bearing | |
| 8 | 009375860 | O-ring | |
| 9 | 009115410 | Circlip | |
| 10 | 009111300 | Shim ring | |
| 10 | 009111320 | Shim ring | |
| 10 | 009111340 | Shim ring | |
| 10 | 009111361 | Shim ring | |
| 11 | 002561190 | Bevel wheel | |
| 12 | 009305410 | Grooved ball bearing | |
| 13 | 009363521 | Radial-shaft sealing ring | |
| 14 | 002551620 | Intermediate housing | |
| 15 | 009099101 | Detent edged washer | |
| 16 | 009006550 | Hex head bolt | |
| 17 | 009375640 | O-ring | |
| 18 | 009108480 | Shim ring | |
| 18 | 009108490 | Shim ring | |
| 18 | 009108511 | Shim ring | |
| 19 | 009303510 | Grooved ball bearing | |
| 20 | 002581250 | Bevel wheel | |
| 21 | 009151220 | Fit-in key | |
| 22 | 002581230 | Drive shaft | |
| 23 | 009151270 | Fit-in key | |
| 24 | 009116800 | Circlip | |
| 25 | 009109700 | Shim ring | |
| 25 | 009109720 | Shim ring | |
| 25 | 009109730 | Shim ring | |
| 25 | 009109740 | Shim ring | |
| 26 | 009305400 | Grooved ball bearing | |
| 27 | 002581240 | Bevel wheel shaft | |
| 28 | 009376210 | O-ring | |
| 29 | 009363930 | Radial-shaft sealing ring | |
| 30 | 002581220 | Cover | |
| 31 | 002530342 | Spur gear | |
| 32 | 009375680 | O-ring | |
| 33 | 009360220 | Radial-shaft sealing ring | |
| 34 | 009116910 | Circlip | |
| 35 | 002581211 | Gearbox housing | |
| 36 | 009099121 | Detent edged washer | |
| 37 | 009006750 | Hex head bolt | |
| 40 | 002561182 | Crown wheel | |
| 41 | 009060401 | Screw plug | |
| 42 | 002561150 | Housing | |
| 43 | 009377270 | Gasket ring | |
| 44 | 009198290 | Breather | |
| 45 | 009115571 | Circlip | |
| 46 | 009153380 | Fit-in key | |
| 47 | 002585220 | Drive shaft | |
| 48 | 009261010 | Oil-Id.-no.=1ltr | |
| 50 | 002585211 | Main gearbox |
Содержащиеся в справочниках-каталогах запасные части и детали не предлагаются к продаже, а носят исключительно информационный характер