Каталог запасных частей к технике: KRONE BIG-M-420. Panelling frame/Cladding-front top
1
2
3
3
3
3
3
3
4
4
4
4
4
4
4
4
4
4
4
5
5
5
5
5
6
7
8
9
10
10
10
10
10
11
12
13
14
14
14
14
14
14
15
15
15
15
15
15
15
15
15
15
15
16
17
17
18
18
19
20
20
20
21
22
22
22
23
24
25
26
27
28
29
30
31
31
32
32
33
33
33
33
34
34
34
34
34
35
37
38
39
39
40
41
41
42
43
44
45
46
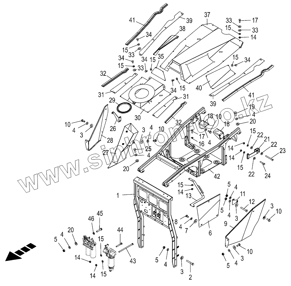
| Позиция на иллюстрации | Заводской номер детали | Название детали | |
|---|---|---|---|
| 1 | 200170850 | Roof rack frame front | |
| 2 | 009014370 | Hex head bolt | |
| 3 | 900001210 | Washer | |
| 4 | 009099091 | Detent edged washer | |
| 5 | 009087580 | Locknut | |
| 6 | 200168720 | Heat protection | |
| 7 | 009103530 | Washer | |
| 8 | 009006320 | Hex head bolt | |
| 9 | 200168770 | Engine guard bottom left | |
| 10 | 009006360 | Hex head bolt | |
| 11 | 200168790 | Guard support bottom left | |
| 12 | 009014360 | Hex head bolt | |
| 13 | 200169490 | Hose clamp support | |
| 14 | 009087060 | Locknut | |
| 15 | 009099081 | Detent edged washer | |
| 16 | 009104130 | Washer | |
| 17 | 009006160 | Hex head bolt | |
| 18 | 200168530 | Engine roof support | |
| 19 | 009006380 | Hex head bolt | |
| 20 | 009103611 | Washer | |
| 21 | 200169230 | Strut rear, lh. | |
| 22 | 009103660 | Washer | |
| 23 | 009010081 | Hex head bolt | |
| 24 | 009014220 | Hex head bolt | |
| 25 | 009006370 | Hex head bolt | |
| 26 | 200168800 | Guard support bottom right | |
| 27 | 200141911 | Protective box | |
| 28 | 200168780 | Engine guard bottom right | |
| 29 | 200170410 | Edge protection profile | |
| 30 | 200169020 | Hood | |
| 31 | 200169040 | Sealing tape air filter | |
| 32 | 270115490 | Edge protection prof. | |
| 33 | 009106030 | Washer | |
| 34 | 009006120 | Hex head bolt | |
| 35 | 200169060 | Cover plate front | |
| 37 | 200169161 | Top plate welded | |
| 38 | 200169150 | Cover plate | |
| 39 | 200169050 | Sealing tape top plate | |
| 40 | 200169100 | Cover plate left | |
| 41 | 270115490 | Edge protection prof. | |
| 42 | 200170860 | Roof rack frame top | |
| 43 | 009003500 | Hex head bolt | |
| 44 | 009014250 | Hex head bolt | |
| 45 | 009002841 | Hex head bolt | |
| 46 | 009104140 | Washer |
Содержащиеся в справочниках-каталогах запасные части и детали не предлагаются к продаже, а носят исключительно информационный характер