Каталог запасных частей к технике: KRONE BIG-M-420. Panelling frame/Cladding-front top

zoom-in zoom-out enlarge shrink circle-right circle-left file-text2 info cart
1
2
3
3
3
3
3
3
4
4
4
4
4
4
4
4
4
4
4
5
5
5
5
5
6
7
8
9
10
10
10
10
10
11
12
13
14
14
14
14
14
14
15
15
15
15
15
15
15
15
15
15
15
16
17
17
18
18
19
20
20
20
21
22
22
22
23
24
25
26
27
28
29
30
31
31
32
32
33
33
33
33
34
34
34
34
34
35
37
38
39
39
40
41
41
42
43
44
45
46
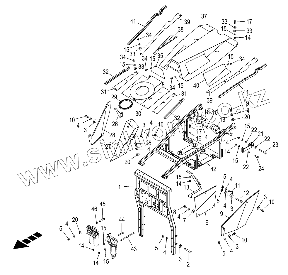
Позиция на иллюстрации Заводской номер детали Название детали
1 200170850 Roof rack frame front
2 009014370 Hex head bolt
3 900001210 Washer
4 009099091 Detent edged washer
5 009087580 Locknut
6 200168720 Heat protection
7 009103530 Washer
8 009006320 Hex head bolt
9 200168770 Engine guard bottom left
10 009006360 Hex head bolt
11 200168790 Guard support bottom left
12 009014360 Hex head bolt
13 200169490 Hose clamp support
14 009087060 Locknut
15 009099081 Detent edged washer
16 009104130 Washer
17 009006160 Hex head bolt
18 200168530 Engine roof support
19 009006380 Hex head bolt
20 009103611 Washer
21 200169230 Strut rear, lh.
22 009103660 Washer
23 009010081 Hex head bolt
24 009014220 Hex head bolt
25 009006370 Hex head bolt
26 200168800 Guard support bottom right
27 200141911 Protective box
28 200168780 Engine guard bottom right
29 200170410 Edge protection profile
30 200169020 Hood
31 200169040 Sealing tape air filter
32 270115490 Edge protection prof.
33 009106030 Washer
34 009006120 Hex head bolt
35 200169060 Cover plate front
37 200169161 Top plate welded
38 200169150 Cover plate
39 200169050 Sealing tape top plate
40 200169100 Cover plate left
41 270115490 Edge protection prof.
42 200170860 Roof rack frame top
43 009003500 Hex head bolt
44 009014250 Hex head bolt
45 009002841 Hex head bolt
46 009104140 Washer
Содержащиеся в справочниках-каталогах запасные части и детали не предлагаются к продаже, а носят исключительно информационный характер