Каталог запасных частей к технике: KRONE ActiveMow R280. Main gearbox
1
2
3
4
5
6
6
7
7
7
7
7
8
8
9
9
9
10
10
11
12
13
14
15
15
16
18
19
20
20
21
21
22
23
24
25
26
27
28
29
30
31
32
33
34
35
36
37
37
38
38
39
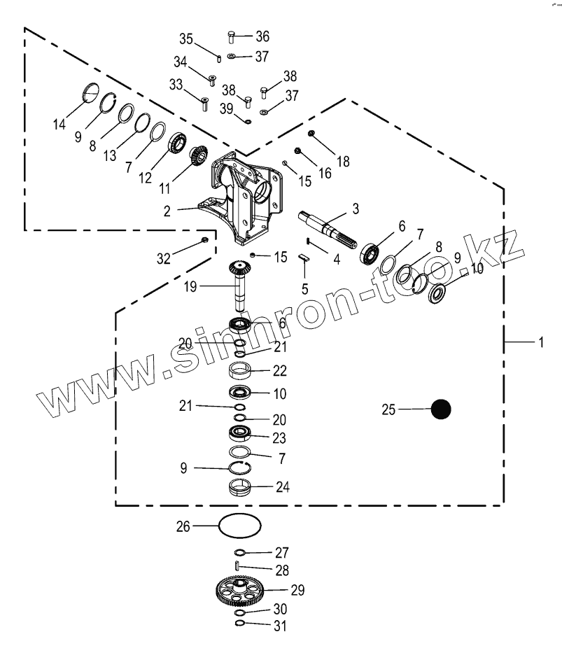
| Позиция на иллюстрации | Заводской номер детали | Название детали | |
|---|---|---|---|
| 1 | 202304610 | Cutterbar gearbox assem. With freewheel | |
| 2 | 202304570 | Gearbox housing | |
| 3 | 200378750 | Drive shaft with freewheel | |
| 4 | 200316180 | Pressure spring | |
| 5 | 200360600 | Freewheel ratchet | |
| 6 | 009301680 | Grooved ball bearing | |
| 7 | 009109740 | Shim ring | |
| 7 | 009109730 | Shim ring | |
| 7 | 009109720 | Shim ring | |
| 7 | 009109700 | Shim ring | |
| 8 | 009107440 | Supporting disc | |
| 9 | 009116800 | Circlip | |
| 10 | 009363651 | Radial-shaft sealing ring | |
| 11 | 200378760 | Bevel gear M=4,5 Z=20 90deg | |
| 12 | 009321550 | Taper roller bearing | |
| 13 | 009109470 | Shim ring | |
| 14 | 009252002 | Sealing cap | |
| 15 | 009060401 | Screw plug | |
| 16 | 009198230 | Oil sight glass | |
| 18 | 270089720 | Air bleed valve | |
| 19 | 202300840 | Bevel pinion shaft | |
| 20 | 009108880 | Shim ring | |
| 20 | 009108910 | Shim ring | |
| 20 | 009108890 | Shim ring | |
| 20 | 009108850 | Shim ring | |
| 20 | 009108900 | Shim ring | |
| 21 | 009115450 | Circlip | |
| 22 | 001502560 | Spacer bushing | |
| 23 | 009305680 | Grooved ball bearing | |
| 24 | 001393061 | Centring ring | |
| 25 | 009261010 | Oil-Id.-no.=1ltr | |
| 26 | 009375950 | O-ring | |
| 27 | 009111361 | Shim ring | |
| 28 | 009151241 | Fit-in key | |
| 29 | 001443397 | Spur gear | |
| 30 | 009111340 | Shim ring | |
| 31 | 009115410 | Circlip | |
| 32 | 009086200 | Hex nut-low form | |
| 33 | 009040952 | Countersunkscrew | |
| 34 | 009040192 | Countersunkscrew | |
| 35 | 009157801 | Cyl. pin | |
| 36 | 009006750 | Hex head bolt | |
| 37 | 009099121 | Detent edged washer | |
| 38 | 009006740 | Hex head bolt | |
| 39 | 009099041 | Detent edged washer |
Содержащиеся в справочниках-каталогах запасные части и детали не предлагаются к продаже, а носят исключительно информационный характер