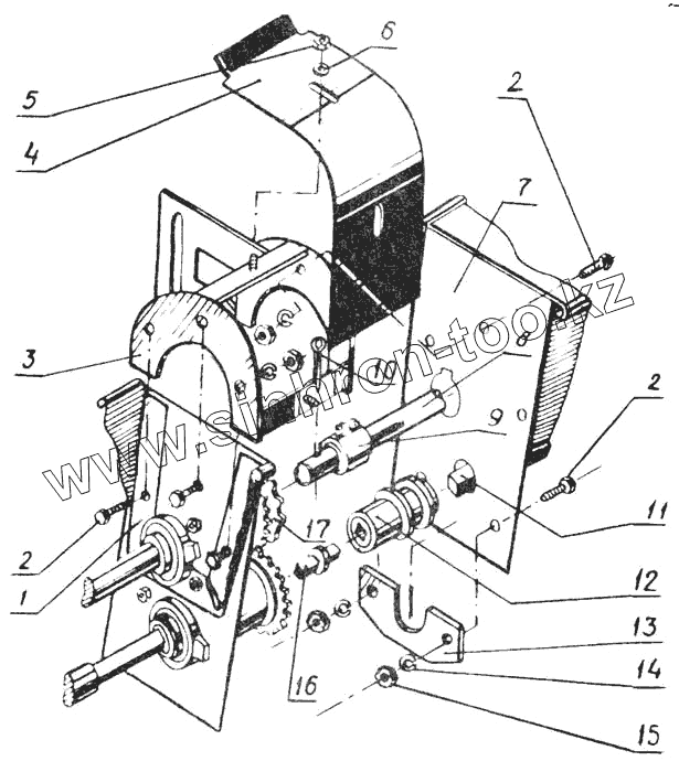
Каталог запасных частей к технике: Красная Звезда СЗТ-3,6А. Соединение травяных ящиков
1
2
2
2
3
4
5
6
7
8
9
10
11
12
13
14
15
16
17
| Позиция на иллюстрации | Заводской номер детали | Название детали | |
|---|---|---|---|
| 1 | СЕТ-00.160 | Ящик левый | |
| 2 | М10-6gх25.58.019 ГОСТ 7796-70 | Болт | |
| 3 | СЕТ-00.220 | Связь | |
| 4 | СЕТ-00.442 | Щиток | |
| 5 | М8-6Н.6.019 ГОСТ 5915-70 | Гайка | |
| 6 | 8х1,5.01.10.019 ГОСТ 11371-78 | Шайба | |
| 7 | СЕТ-00.230 | Ящик правый | |
| 8 | СЕТ-00.603 | Вал левый | |
| 9 | СЕТ-00.150 | Букса | |
| 10 | 6,3х50.019 ГОСТ 397-88 | Шплинт | |
| 11 | СЕТ-00.605 | Вал правый | |
| 12 | СЕТ 00.204 | Муфта | |
| 13 | СЗГ.00.533 | Накладка | |
| 14 | 10.65г 019 ГОСТ 6402-70 | Шайба | |
| 15 | М10-6Н.6.019 ГОСТ 5915-70 | Гайка | |
| 16 | СЕТ 00.617 | Валик | |
| 17 | СЕТ-00.202 | Звездочка |
Содержащиеся в справочниках-каталогах запасные части и детали не предлагаются к продаже, а носят исключительно информационный характер