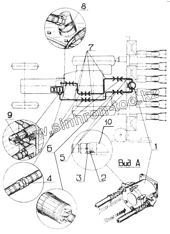
Каталог запасных частей к технике: Красная Звезда СУПН-8. Схема гидропривода вентилятора
1
2
3
4
5
6
7
8
9
10
| Позиция на иллюстрации | Заводской номер детали | Название детали | |
|---|---|---|---|
| 1 | Гидромотор шестеренный ГМШ 32-ЗЛ-Г ОСТ 23.1.172 | Гидромотор шестеренный ГМШ 32-ЗЛ-Г ОСТ 23.1.172 | |
| 2 | Кольцо 024-028-25-2-2 ГОСТ 9833/ГОСТ 18829 | Кольцо 024-028-25-2-2 ГОСТ 9833/ГОСТ 18829 | |
| 3 | Н 036.04.014 | Штуцер ввертной | |
| 4 | Н 036.02.005 | Штуцер проходной | |
| 5 | Н-036.85.120 | Рукав высокого давления II-16, армированный | |
| 6 | Н 036.52.000 | Муфта разрывная | |
| 7 | Н-036.85.120 | Рукав высокого давления II-16, армированный | |
| 8 | СУПА.00.1180 | Переходник | |
| 9 | Н 036.04.014 | Штуцер ввертной | |
| 10 | СУПА.00.107 | Муфта угловая |
Содержащиеся в справочниках-каталогах запасные части и детали не предлагаются к продаже, а носят исключительно информационный характер