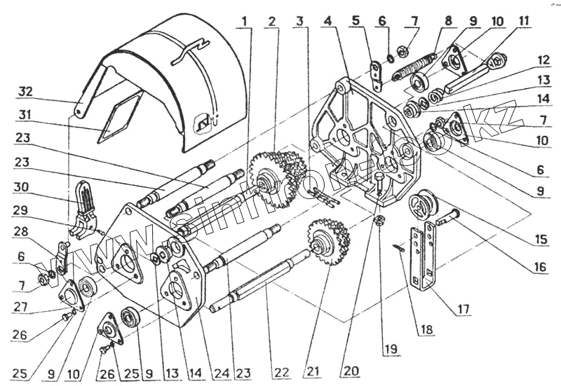
Каталог запасных частей к технике: Красная Звезда СУПН-12А. Механизм передач СУПА 00.1120-06
1
2
3
4
5
6
6
6
7
7
7
8
9
9
9
9
10
10
10
11
12
13
13
14
14
15
16
17
18
19
20
21
22
23
23
23
24
25
25
26
26
27
28
29
30
31
32
| Позиция на иллюстрации | Заводской номер детали | Название детали | |
|---|---|---|---|
| 1 | ЗТЗК 00.605 | Вал | |
| 2 | СУПА.00.980 | Блок | |
| 3 | С 20.30 | Цепь | |
| 4 | СУПА.00.041 | Боковина | |
| 5 | СУПА.00.4043 | Планка (478311087401) | |
| 6 | Шайба 16 65Г 019 ГОСТ 6402-70 | Шайба 16 65Г 019 ГОСТ 6402-70 | |
| 7 | Гайка М16-6Н.6.019 ГОСТ 5915-70 | Гайка М16-6Н.6.019 ГОСТ 5915-70 | |
| 8 | 552.7.009 | Пружина | |
| 9 | Подшипник 80204 ГОСТ 7242-81 | Подшипник 80204 ГОСТ 7242-81 | |
| 10 | СУПА.00.4044-02 | Крышка | |
| 11 | СУПА.00.1110 | Вал | |
| 12 | 552.6.022 | Пружина | |
| 13 | С 9.401 | Шайба | |
| 14 | СУПА.00.013 | Втулка | |
| 15 | СУПА 00.016 | Ролик | |
| 16 | СУПА.00.642 | Штырь | |
| 17 | СОУ-00.531 | Кронштейн | |
| 18 | Шплинт 3,2х25.019 ГОСТ 397-79 | Шплинт 3,2х25.019 ГОСТ 397-79 | |
| 19 | С62.601-02 | Гайка самостопорящаяся (477310247000) | |
| 20 | Болт М12-6gх40.66.019 ГОСТ 7796-70 | Болт М12-6gх40.66.019 ГОСТ 7796-70 | |
| 21 | СУПА.00.990 | Блок | |
| 22 | ЗТЗК 00.606 | Вал | |
| 23 | СУПА.00.648 | Стяжка | |
| 24 | СУПА.00.039 | Боковина | |
| 25 | Шайба 8 65Г 019 ГОСТ 6402-70 | Шайба 8 65Г 019 ГОСТ 6402-70 | |
| 26 | Болт М8-6gх16.58.019 ГОСТ 7796-70 | Болт М8-6gх16.58.019 ГОСТ 7796-70 | |
| 27 | СУПА.00.4044-01 | Крышка | |
| 28 | СУПА.00.1140 | Фиксатор | |
| 29 | Заклепка 4х40.01.10 ГОСТ 10299-80 | Заклепка 4х40.01.10 ГОСТ 10299-80 | |
| 30 | СУПА.00.2370 | Рукоятка (478311067407) | |
| 31 | 47 7324 1076 | Табличка 250х125 ГОСТ 12971-67 Схема передач сеялки (477324107606) | |
| 32 | СУПА.00.500 | Крышка |
Содержащиеся в справочниках-каталогах запасные части и детали не предлагаются к продаже, а носят исключительно информационный характер