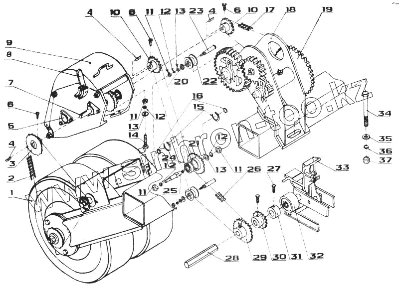
Каталог запасных частей к технике: Красная Звезда СУПН-12А. Колесо с механизмом передач
1
2
3
4
4
4
5
6
6
6
7
8
9
10
10
11
11
11
11
12
12
12
12
13
13
13
14
15
16
17
18
19
20
21
22
23
24
25
26
27
28
29
30
31
32
33
34
35
36
37
| Позиция на иллюстрации | Заводской номер детали | Название детали | |
|---|---|---|---|
| 1 | ЗТЗУ 00.550 | Колесо | |
| 2 | С 20.30-26 | Цепь | |
| 3 | ЗТЗУ 00.120-01 | Звездочка Z=21 | |
| 4 | Шпонка 6х6х32 ГОСТ 23360-78 | Шпонка 6х6х32 ГОСТ 23360-78 | |
| 5 | ЗТЗК 00.605 | Вал | |
| 6 | С17.601-01 | Винт | |
| 7 | ЗТЗК 00.606 | Вал | |
| 8 | СУПА.00.2370 | Рукоятка (478311067407) | |
| 9 | СУПА.00.500 | Крышка | |
| 10 | ЗТЗУ 00.120 | Звездочка Z=15 | |
| 11 | Гайка М12-6Н.6.019 ГОСТ 5915-70 | Гайка М12-6Н.6.019 ГОСТ 5915-70 | |
| 12 | Шайба 12.65Г.019 ГОСТ 6402-70 | Шайба 12.65Г.019 ГОСТ 6402-70 | |
| 13 | Шайба С 12.2.01.10.019 ГОСТ 11371-78 | Шайба С 12.2.01.10.019 ГОСТ 11371-78 | |
| 14 | Болт М12-6дх40.66.019 | Болт М12-6дх40.66.019 | |
| 15 | Кольцо В47 ГОСТ 13943-86 | Кольцо В47 ГОСТ 13943-86 | |
| 16 | С80.410 | Шайба | |
| 17 | С 20.30-25 | Цепь | |
| 18 | ЗТЗК 00.840 | Механизм передач | |
| 19 | ССГ 00.2210-04 | Звездочка | |
| 20 | СГЖ-00.433 | Шайба | |
| 21 | ЗТЗУ 00.200 | Звездочка | |
| 22 | СУПА.00.016-01 | Ролик | |
| 23 | СУПА 00.668 | Ось | |
| 24 | Подшипник 180204 ГОСТ 8882-75 | Подшипник 180204 ГОСТ 8882-75 | |
| 25 | ЗТЗУ 00.606 | Ось | |
| 26 | С20.30-05 | Цепь (477340282504) | |
| 27 | С17.601-01 | Винт | |
| 28 | ЗТЗК 00.612-01 | Вал | |
| 29 | СУПК 00.610-04 | Звездочка Z=23 | |
| 30 | СУПК 00.610-03 | Звездочка | |
| 31 | 509.046.889 | Кольцо | |
| 32 | СКПА 00.330 | Опора | |
| 33 | СУПК 00.204 | Кронштейн | |
| 34 | Болт М16-6gх55.66.019 ГОСТ 7796-70 | Болт М16-6gх55.66.019 ГОСТ 7796-70 | |
| 35 | Шайба С16.01.10.-19ГОСТ11371-78 | Шайба С16.01.10.-19ГОСТ11371-78 | |
| 36 | Шайба 16.65Г.019 ГОСТ 6402-70 | Шайба 16.65Г.019 ГОСТ 6402-70 | |
| 37 | Гайка М16-6Н.6.019 ГОСТ 5915-70 | Гайка М16-6Н.6.019 ГОСТ 5915-70 |
Содержащиеся в справочниках-каталогах запасные части и детали не предлагаются к продаже, а носят исключительно информационный характер