Вернуться на главную
Поиск
Каталоги запчастей к технике
Сельхозтехника
Красная Звезда
СПС-4,2А
Перебрасыватель СПС19110
Каталог запасных частей к технике: Красная Звезда СПС-4,2А. Перебрасыватель СПС19110
zoom-in
zoom-out
enlarge
shrink
circle-right
circle-left
file-text2
info
cart
Тип техники
Не выбрано
Легковые автомобили
Грузовые автомобили и прицепы
Автобусы
Сельхозтехника
Спецтехника
Двигатели
Мототехника
Марка
Не выбрано
AGCO
Amity
CASE IH
DongFeng
Fortschritt
Foton
Franz Kleine
Gaspardo
Great Plains
KRONE
KUHN
Lemken
Lovol
MacDon
Massey Ferguson
New Holland
TIGARBO
Vaderstad
Versatile
Wirax
Агро
Агротехмаш
Бобруйскагромаш (ОАО «УКХ «Бобруйскагромаш»)
БЭМЗ
ВгТЗ
Воронежсельмаш
ВТЗ
Гомсельмаш
ДКЗ
ЗАО "Техника-сервис"
ЗиД
КЗК
Кировец-Ландтехник
Клевер
Красная Звезда
Лидагропроммаш
Лидсельмаш
ЛТЗ
Машстройхолдинг
Минитракторы
Мордовагромаш
МТЗ
Навигатор-Новое машиностроение
Нефтекамский автозавод
ПТЗ
Ремком
РСМ
Сибсельмаш
ТеКЗ
ТКЗ
ХЗТСШ
ХТЗ
ЮМЗ
Модель
Не выбрано
Вега-6 (8) (2012)
Веста-12 (2012)
КПСН-4, КПСП-4
КРНВ-4.2-02 (04) (до 2012)
КРНВ-4.2-02 (04) (с 2012)
КРНВ-5,6-02 (04) (до 2012)
КРНВ-5,6-02 (04) (с 2012)
КРНВ-5.6-02 (2008)
ПС-0,5
СЗ-3,6А
СЗ-5,4
СЗ-5,4 "Астра" (2010)
СЗТ-3,6А
СЗТ-3,6А "Астра" (2010)
СОН-4,2 (2005)
СПС-4,2А (2005)
ССТ-12В
СТС-2 (6)
СУПН-12А
СУПН-8
СУПН-8А
УПС-12
УПС-6 (Веста-6) (2012)
УПС-8 (Веста-8) (2012)
Схема
>
Не выбрано
Помост СПТ12000
Помост СПТ12000
Помост СПТ12000
Помост СПТ12000
Мост ведущий СПС04000
Шасси СПТ02000
Шасси СПТ02000
Шасси СПТ02000
Шасси СПТ02000
Шасси СПТ02000
Противовес СПС13000
Противовес СПТ21000
Передняя ось с колесами СПТ19000
Ось со ступицей и тормозами СПТ19010, СПТ19010-01
Ось с тормозами СПТ19020
Ось с тормозами СПТ19020-01
Колесо РКС6.02050
Ступица в сборе РКС6.02070
Ступица в сборе РКС6.02070-01
Ступица с барабаном Н.130.06.010-04
Колесо Н.130.06.020
Механизм рулевого управления СПС14000
Вал СПС14090
Вал СПС14100
Тяга СПС14110
Рычаг тормоза регулировочный Н.129.00.120
Камера тормозная ОСТ 23.2.35-81 Н.137.06.000
Трубопроводы пневматических тормозов СПТ26000
Трубопроводы пневматических тормозов СПТ26000
Электрооборудование свеклопогрузчика СПС15000
Система автоконтроля свеклопогрузчика СПТ18000
Система автоконтроля свеклопогрузчика СПТ18000
Жгут проводов СПС18010
Гидросистема свеклопогрузчика СПС-4,2А СПТ16000
Гидросистема свеклопогрузчика СПС-4,2А СПТ16000
Гидросистема свеклопогрузчика СПС-4,2А СПТ16000
Клапан СПТ16160
Цилиндр с ограничителем СПТ161200
Гидросистема кулачкового питателя СПТ16310
Гидросистема кулачкового питателя СПТ16310
Гидросистема кулачкового питателя СПТ16310
Гидросистема управления козырьком и элеватором СПТ16600
Клапан СПТ16610
Клапан МБС03050
Сапун Н.036.77.000
Гидроцилиндр Ц40x250-11
Гидроцилиндр Ц40x250-11
Гидроцилиндр Ц40x250-11
Привод СПС19230
Битер СПС19240
Привод СПС19250
Привод СПС19260
Привод СПС19260-01
Подшипниковый узел РКС6.09240, РКС6.05240-01
Редуктор шнеков СПС2001001
Редуктор шнеков СПС2001001
Трансмиссия СПС08000
Натяжное устройство КТ22020А
Звездочка силовая РКС6.08310
Звездочка силовая СПС08430
Звездочка в сборе БМД59230, БМД59230-01, БМД59230-02
Натяжное устройство БМД59240
Натяжное устройство БМД59240-01, БМД59240-04
Натяжное устройство ДМД59240-05
Редуктор СПС08530
Редуктор унифицированный Н.090.40.000-223
Редуктор унифицированный Н.090.40.000-223
Стакан Н.090.40.010
Трансмиссия питателя СПС08510
Трансмиссия питателя СПС08510
Натяжное устройство СПС08370-01
Вал промежуточный СПС08470
Блок звездочек СПС08480
Редуктор СПС08520
Редуктор унифицированный Н.090.40.000-323
Редуктор унифицированный Н.090.40.000-323
Предохранительная муфта с сигнализатором СПС08550
Вал продольный СПС08620
Подшипниковый узел РКС6.05200, РКС6.05200-01
Вал раздаточный СПС08630
Вал правый СПС08640
Вал правый СПС08640
Вал левый СПС08650
Полумуфта соединительная СПС08450
Привод СПС30050
Привод СПС30050-01
Опора СПС30060
Опора СПС30060-01
Привод СПС16200-01
Опора СПС16210
Опора СПС16210-01
Опора СПС16210-02
Привод СПС16220
Опора СПС161270
Опора СПС16270-01
Подшипниковый узел РКС6.05240-04
Прицепное устройство СПС11000
Рассредоточитель СПС19000
Шнек СПС19090
Шнек СПС19100
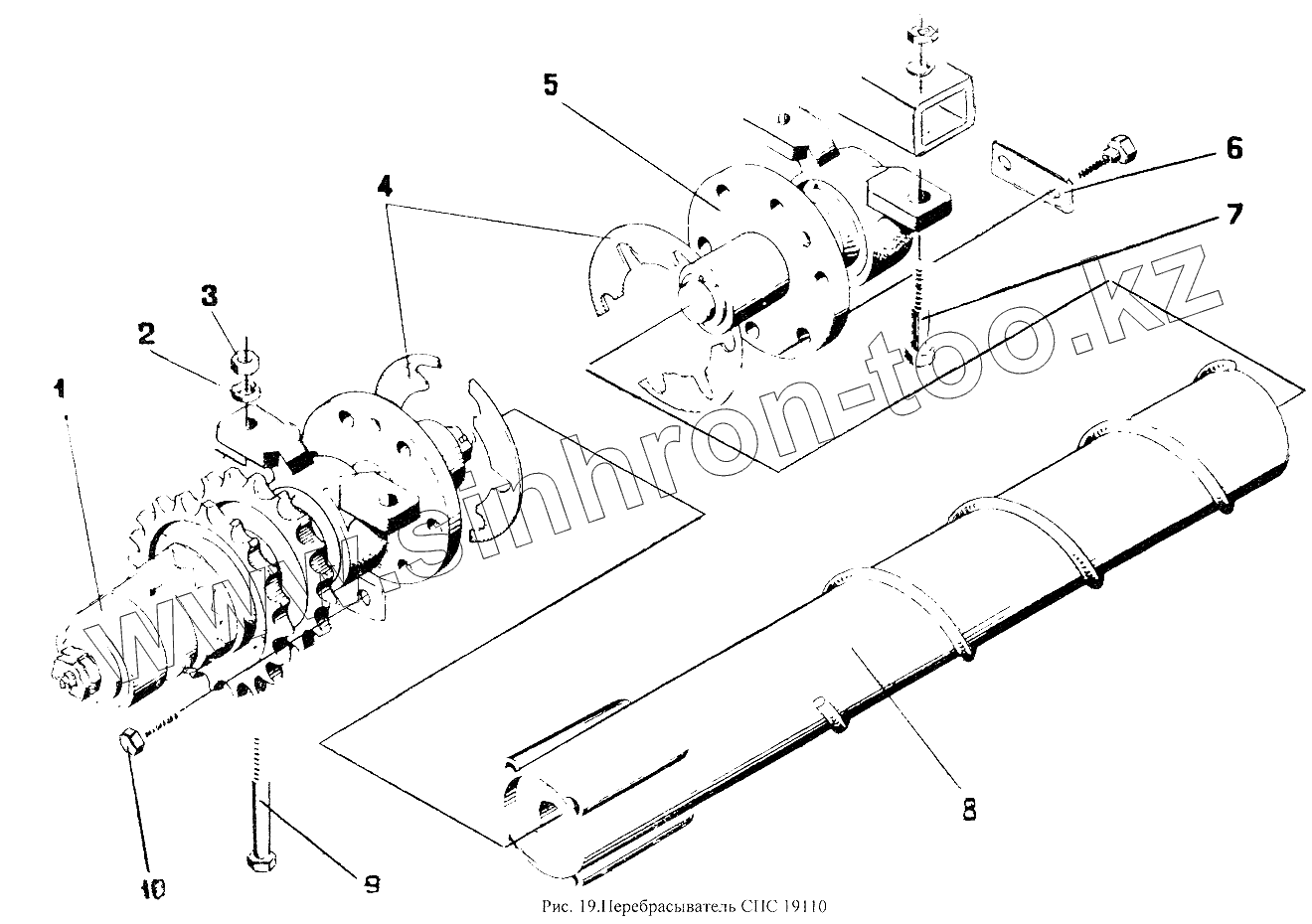
Перебрасыватель СПС19110
Отражатель СПС19270
Очиститель шнековый СПС2000001
Транспортер выгрузной СПТ09000
Транспортер выгрузной СПТ09000
Транспортер выгрузной СПТ09000
Транспортер выгрузной СПТ09000
Транспортер выгрузной СПТ09000-01
Транспортер выгрузной СПТ09000-01
Тяга СПТ09030
Козырек СПТ09090
Очиститель СПТ09060
Щиток в сборе СПТ09140
Звездочка СПТ09160
Полотно выгрузного транспортера СПТ09180
Полотно выгрузного транспортера СПТ09180-01, СТП304.9.30-08
Полотно пруткового транспортера СТП304.9.30-09
Ролик ведомый РКС6.06050
Блок звездочек РКС6.08300
Вал ведущий РКС6.07130
Ролик в сборе РКС6.16050
Ролик в сборе РКС6.16050-01
Блок звездочек СПС18030
Блок звездочек СПС18230
Ролик СПС18490
Транспортер продольный СПС27000
Питатель СПС30000-01
Питатель СПС30000-01
Питатель СПС30000-01
Вал кулачковый СПС30020
Вал битерный СПС30030
Рама питателя СТП28000
Шнековый транспортер СПС16000-01
Шнек СПС16010
Шнек СПС16020
Шнек СПС16190-02
Шнек СПС16190-03
Шнек СПТ04220
Шнек СПТ04220-01
Каток СПС32000
Ограждение СПС31000
Механизм подъема СПТ07000
Автоматический регулятор сцепного веса СПТ32000
Рукав СПТ32050
Клапан БМД77140
Заглушка Н.036.12.010, Н.036.12.040
Автоматический регулятор загрузки СПТ33000
Дроссель СПТ33360
Общий вид свеклопогрузчика-очистителя СПС-4,2А
Свеклопогрузчик-очиститель СПС-4,2А СПТ01000
Свеклопогрузчик-очиститель СПС-4,2А СПТ01000
Свеклопогрузчик-очиститель СПС-4,2А СПТ01000
Свеклопогрузчик-очиститель СПС-4,2А СПТ01000
СПС19110
1
2
3
4
5
6
7
8
9
10
Позиция на иллюстрации
Заводской номер детали
Название детали
СПС19110
СПС19110
Перебрасыватель
1
СПС19230
Привод
2
[Шайба 12.65Г.05 ГОСТ6402-70]
Шайба 12.65Г.05 ГОСТ6402-70
3
[Гайка МГ2-6Н.6.019 ГОСТ5915-70]
Гайка МГ2-6Н.6.019 ГОСТ5915-70
4
СПС19401
Прокладка регулировочная
5
СПС16210
Опора
6
СПС08409
Шайба концевая
7
[Болт М12-6gх70.68.019 ГОСТ7796-70]
Болт М12-6gх70.68.019 ГОСТ7796-70
8
СПС19170
Перебрасыватель
9
[Болт М12-6gх90.68.019 ГОСТ7796-70]
Болт М12-6gх90.68.019 ГОСТ7796-70
10
[Болт М12-6gх30.58.019 ГОСТ7796-70]
Болт М12-6gх30.58.019 ГОСТ7796-70
Содержащиеся в справочниках-каталогах запасные части и детали не предлагаются к продаже, а носят исключительно информационный характер
Дополнительная информация
×
Название:
Номер:
Примечание: