Каталог запасных частей к технике: Красная Звезда СОН-4,2. Механизм передач СОУ00.060
1
2
2
3
4
5
6
6
7
8
9
10
11
12
13
14
15
15
16
16
17
17
18
19
19
20
21
21
22
22
23
24
25
26
27
28
29
30
31
32
33
34
35
36
37
38
39
40
41
41
42
43
44
45
46
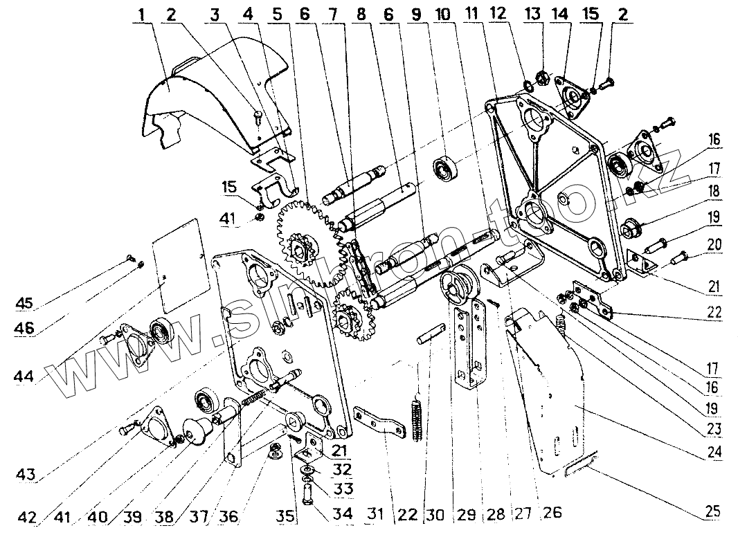
| Позиция на иллюстрации | Заводской номер детали | Название детали | |
|---|---|---|---|
| СОУ00.460-01 | СОУ00.460-01 | Щиток | |
| 1 | СОУ00.460 | Щиток | |
| 2 | [Болт М8-6gх16.58.019 ГОСТ7796] | Болт М8-6gх16.58.019 ГОСТ7796 | |
| 3 | СОУ00.466 | Накладка | |
| 4 | СОУ00.465 | Скобка | |
| 5 | СОУ00.400-01 | Блок | |
| 6 | СОУ00.627 | Стяжка | |
| 7 | С20.80 | Цепь (t=15,875, 54 зв., L=841,375мм) | |
| 8 | СОУ00.625 | Вал | |
| 9 | 180204 | Подшипник ГОСТ8882 | |
| 10 | СОУ00.626 | Вал | |
| 11 | СОУ00.007-01 | Боковина | |
| 12 | [Шайба 16.65Г.019 ГОСТ6402] | Шайба 16.65Г.019 ГОСТ6402 | |
| 13 | [Гайка М16-6Н.6.019 ГОСТ5915] | Гайка М16-6Н.6.019 ГОСТ5915 | |
| 14 | СУПА00.4044 | Крышка | |
| 15 | [Шайба 8.65Г.019] | Шайба 8.65Г.019 | |
| 16 | [Гайка М10-6.Н.6.019 ГОСТ5915] | Гайка М10-6.Н.6.019 ГОСТ5915 | |
| 17 | [Шайба 10.65Г.019 ГОСТ6402] | Шайба 10.65Г.019 ГОСТ6402 | |
| 18 | СУПА00.013 | Втулка | |
| 19 | [Болт М10-6gх35.58.019 ГОСТ7796] | Болт М10-6gх35.58.019 ГОСТ7796 | |
| 20 | [Болт М10-6gх30.58.019 ГОСТ7796] | Болт М10-6gх30.58.019 ГОСТ7796 | |
| 21 | СОУ00.711 | Уголок | |
| 22 | СОУ00.533 | Планка | |
| 23 | Н.126.01.601 | Пружина | |
| 24 | СОУ00.450 | Кожух | |
| 25 | СОУ00.632 | Шплинт пружинный | |
| 26 | СОУ00.532 | Скоба | |
| 27 | [Шплинт 3,2х18.019 ГОСТ397] | Шплинт 3,2х18.019 ГОСТ397 | |
| 28 | СОУ00.531 | Кронштейн | |
| 29 | СУПА00.016 | Ролик | |
| 30 | СОУ00.634 | Ось | |
| 31 | СОУ00.400 | Блок | |
| 32 | [Шайба С12х2.01.10.019 ГОСТ11371] | Шайба С12х2.01.10.019 ГОСТ11371 | |
| 33 | [Шайба 12.65Г.019 ГОСТ6402] | Шайба 12.65Г.019 ГОСТ6402 | |
| 34 | [Болт М12-6gх30.66.019 ГОСТ7796] | Болт М12-6gх30.66.019 ГОСТ7796 | |
| 35 | [Шплинт 3,2х25.019 ГОСТ397] | Шплинт 3,2х25.019 ГОСТ397 | |
| 36 | [Гайка М12-6Н.6.019 ГОСТ5915] | Гайка М12-6Н.6.019 ГОСТ5915 | |
| 37 | СОУ00.430 | Ручка | |
| 38 | СОУ00.633 | Фиксатор | |
| 39 | 552.6.011 | Пружина | |
| 40 | СОУ00.006 | Ручка | |
| 41 | [Гайка М8-6Н.6.019 ГОСТ5915] | Гайка М8-6Н.6.019 ГОСТ5915 | |
| 42 | СУПА00.4044-01 | Крышка | |
| 43 | СОУ00.007 | Боковина | |
| 44 | СОУ00.464 | Щиток | |
| 45 | [Винт ВМ6-6gх10.58.019 ГОСТ17473] | Винт ВМ6-6gх10.58.019 ГОСТ17473 | |
| 46 | [Шайба 6.65Г.019 ГОСТ6402] | Шайба 6.65Г.019 ГОСТ6402 |
Содержащиеся в справочниках-каталогах запасные части и детали не предлагаются к продаже, а носят исключительно информационный характер