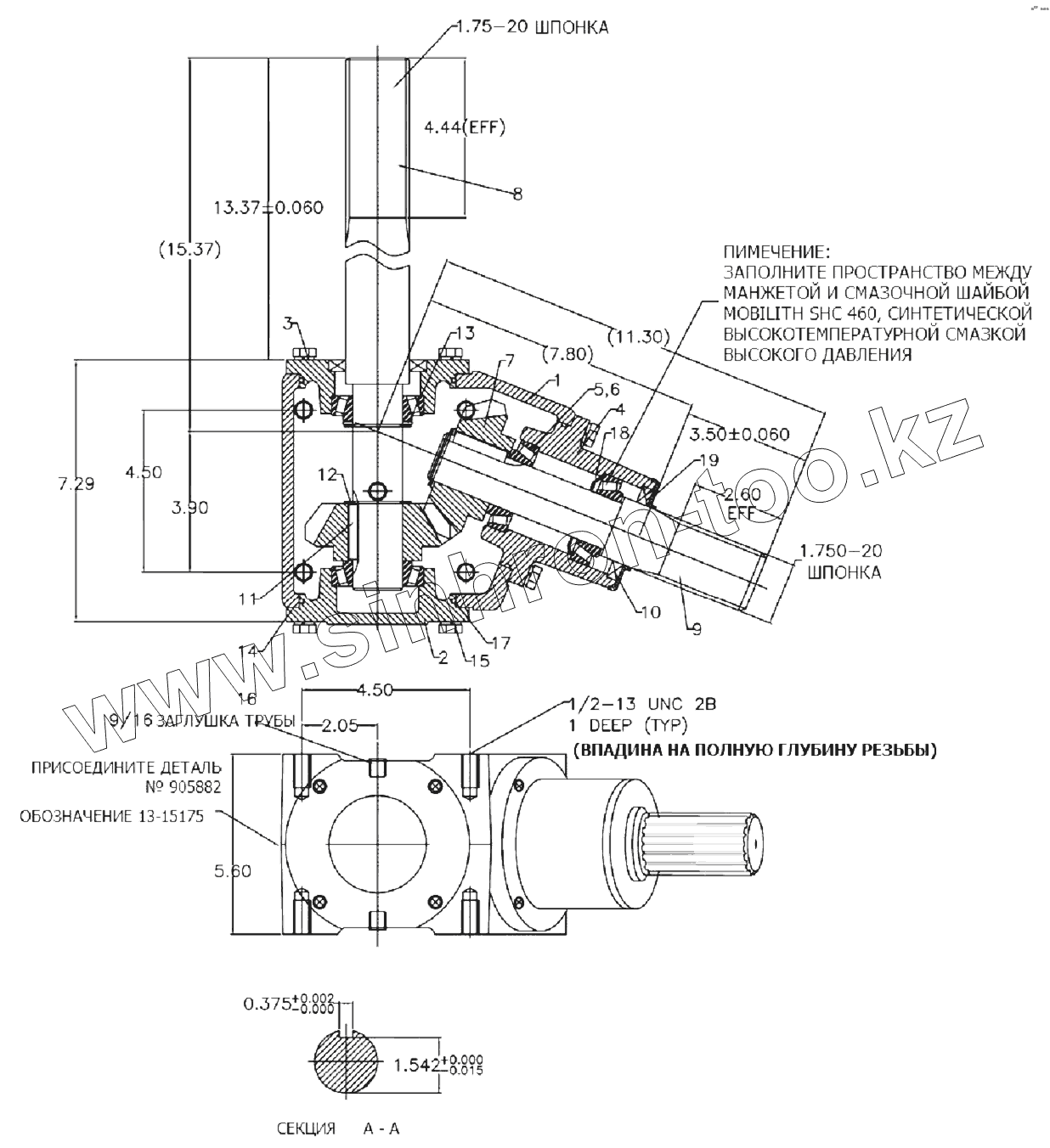
Каталог запасных частей к технике: Клевер ТШВ-400-23. Схема редуктора приемного бокса
1
2
3
4
5
6
7
8
9
10
11
12
13
14
15
16
17
18
19
| Позиция на иллюстрации | Заводской номер детали | Название детали | |
|---|---|---|---|
| 1 | 960803 | Корпус | |
| 2 | 960805 | Наконечник | |
| 3 | 909366 | Наконечник | |
| 4 | 909367 | Втулка | |
| 5 | 967208 | Внутренний конус | |
| 6 | 968412 | Внутренняя манжета | |
| 7 | 960812 | Шестерня, DP 4,23 зубов 17 | |
| 8 | 909371 | Вал, крестовина | |
| 9 | 909372 | Вал, втулка | |
| 10 | 909370 | Манжета | |
| 11 | 960821 | Квадратный шплинт, 5/16dm x 1.61dm | |
| 12 | 960809 | Упорное кольцо | |
| 13 | 960808 | Прокладка | |
| 14 | 960815 | Сальник | |
| 15 | 960814 | Винт с колпачком, 3/8dm - 16UNC x 1.00dm | |
| 16 | 960818 | Резьбовая заглушка трубы, 1/4 нормальная трубная резьба | |
| 17 | 908895 | Уплотнительное кольцо, 105мм x 3.1 | |
| 18 | 960824 | Смазочная шайба | |
| 19 | 909373 | Щиток |
Содержащиеся в справочниках-каталогах запасные части и детали не предлагаются к продаже, а носят исключительно информационный характер