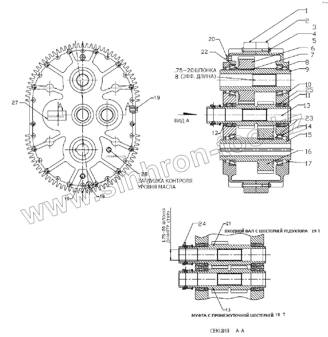
Каталог запасных частей к технике: Клевер ТШВ-400-23. Редуктор
1
2
3
4
5
6
7
8
9
10
11
12
13
13
14
15
16
17
18
19
19
20
21
22
23
24
25
26
27
28
| Позиция на иллюстрации | Заводской номер детали | Название детали | |
|---|---|---|---|
| 1 | Корпус | Корпус | |
| 2 | Корпус | Корпус | |
| 3 | 911932 | Внутренний шестигранный болт 5/16dm -18 | |
| 4 | 81569 | 5/16 Шайба | |
| 5 | 81568 | 5/16 Гайка | |
| 6 | 911370 | Вал выходной шестерни LH M2000 | |
| 7 | 911931 | Шпонка 12 x 20 x 50 | |
| 8 | 909829 | Подшипник 32015 | |
| 9 | 911367 | Вторичный вал | |
| 10 | 909831 | Манжета 75x95x10 | |
| 11 | 909398 | Подшипник 32912 | |
| 12 | 909399 | Манжета 60x80x10 | |
| 13 | 911368 | Промежуточный вал RH M2000 | |
| 14 | 909829 | Подшипник 32015 | |
| 15 | 911366 | Вторичный вал | |
| 16 | 911370 | Вал выходной шестерни LH M2000 | |
| 17 | 909831 | Манжета 75x95x10 | |
| 18 | 911933 | Направляющая | |
| 19 | 911358 | Пробка с внутренним шестигранным | |
| 20 | 909833 | Заглушка предохранительная 3/8dm | |
| 21 | 911369 | Первичный вал с шестерней LH M2000 | |
| 22 | 909407 | Регулировочная прокладка 75.5x90x4 | |
| 23 | 909407 | Регулировочная прокладка 75.5x90x4 | |
| 24 | 911357 | Система блокировки | |
| 25 | 910799 | Подшипник 61912 | |
| 26 | Заглушка | 3/8dm NPT Резьбовая заглушка трубы | |
| 27 | 911935 | Заводской номер M2000 | |
| 28 | 911365 | Шестигранная головка пробки контроля уровня масла ZG 3/8dm - 19 |
Содержащиеся в справочниках-каталогах запасные части и детали не предлагаются к продаже, а носят исключительно информационный характер