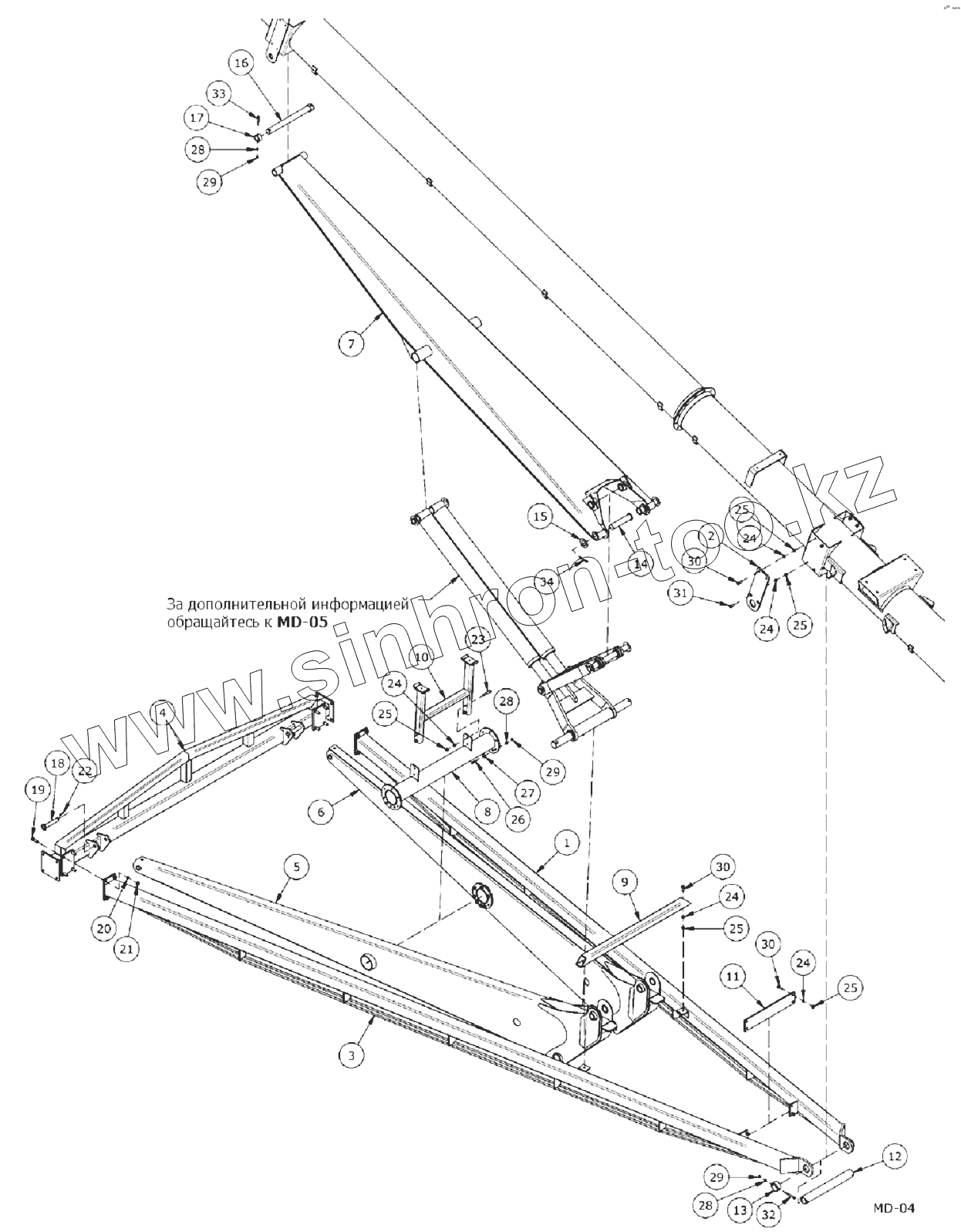
Каталог запасных частей к технике: Клевер ТШВ-400-23. Ходовая часть
1
2
3
4
5
6
7
8
9
10
11
12
13
14
15
16
17
18
19
20
21
22
23
24
24
24
24
24
25
25
25
25
25
26
27
28
28
28
29
29
29
30
30
30
31
32
33
34
| Позиция на иллюстрации | Заводской номер детали | Название детали | |
|---|---|---|---|
| 1 | 905732 | Ходовая часть - левая | |
| 2 | 904736 | Соединительная пластина ходовой части | |
| 3 | 905733 | Ходовая часть - правая | |
| 4 | 905745 | Ось | |
| 5 | F0611 | Нижний подъемник - правый | |
| 6 | F0612 | Нижний подъемник - левый | |
| 7 | 908445 | Верхний рычаг подъема | |
| 8 | 907741 | Подъемный рычаг – торсионная трубка | |
| 9 | 905738 | Подъемный рычаг - опорная труба | |
| 10 | 905786 | Опора | |
| 11 | 905737 | Анкерная пластинка | |
| 12 | 905735 | Ходовая часть - Шарнир подъемного рычага | |
| 13 | 905736 | Ходовая часть - Буртик шарнира подъемного | |
| 14 | 908476 | Шарнир подъемного рычага | |
| 15 | 967153 | Шайба | |
| 16 | 905806 | Шарнир верхнего подъемного рычага | |
| 17 | 905807 | Буртик шарнира подъемного рычага | |
| 18 | 905779 | Осевой шарнир | |
| 19 | 84346 | 3/4 x 2-1/2 шестигранный болт | |
| 20 | 81701 | 3/4 Шайба | |
| 21 | 81700 | 3/4 Болт | |
| 22 | 81210 | 1/4x2 Чека | |
| 23 | 81669 | 5/8 x 3 1/2 шестигранный болт | |
| 24 | 81677 | 5/8 Шайба | |
| 25 | 81676 | 5/8 Болт | |
| 26 | 811791 | 1/2 x 2 шестигранный болт | |
| 27 | 81638 | 1/2 Шайба B.S. | |
| 28 | 81637 | 1/2 Шайба | |
| 29 | 81636 | 1/2 Гайка | |
| 30 | 84270 | 5/8 x 1-3/4 шестигранный болт | |
| 31 | 967284 | 5/8dm x 1-3/4dm Fl Hd Болт с головкой | |
| 32 | 811691 | 1/2 x 4 1/2 шестигранный болт | |
| 33 | 81629 | ШЕСТИГРАННИК 0.500NC X 3.50 GR 5 PL | |
| 34 | 967162 | 5/16dm x 3dm Шплинт |
Содержащиеся в справочниках-каталогах запасные части и детали не предлагаются к продаже, а носят исключительно информационный характер