Каталог запасных частей к технике: Клевер ТШ-70-8Э. Труба в сборе
1
1
1
1
1
1
1
1
1
1
1
1
1
1
1
1
2
2
2
2
2
2
2
2
2
2
3
3
3
3
4
4
4
4
4
4
4
4
4
4
4
4
4
5
5
5
5
5
5
5
5
5
5
5
5
5
5
6
6
6
6
7
8
8
9
9
9
10
10
10
11
11
11
12
12
13
13
14
15
15
16
16
16
17
17
17
18
19
19
20
20
21
21
21
21
22
22
23
24
25
26
26
27
27
27
28
28
28
29
29
30
30
31
31
32
32
33
33
34
34
35
35
36
36
37
37
38
38
38
38
38
39
39
39
40
40
40
40
41
42
42
43
44
45
45
46
47
48
49
50
50
51
51
51
51
51
51
51
51
51
51
52
52
53
53
53
54
54
54
55
55
56
56
56
56
56
57
57
58
58
59
60
60
61
61
62
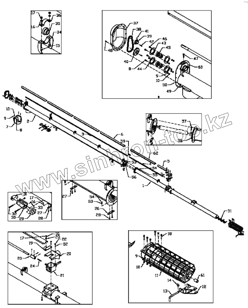
| Позиция на иллюстрации | Заводской номер детали | Название детали | |
|---|---|---|---|
| 1 | 962075 | 7 x 36, дополнительная труба, ременный привод, длина 14 | |
| 1 | 961388 | 7 x 41 дополнительная труба, ременный привод, длина 19 | |
| 1 | 961389 | 7 x 46 дополнительная труба, ременный привод, длина 24 | |
| 1 | 961391 | 8 x 36 дополнительная труба, длина 14 | |
| 1 | 961392 | 8 x 41 дополнительная труба, ременный привод, длина 19 | |
| 1 | 961393 | 8 x 41 дополнительная труба, прямой привод, длина 19 | |
| 1 | 961394 | 8 x 46 дополнительная труба, ременный привод, длина 24 | |
| 1 | 961395 | 8 x 46 дополнительная труба, прямой привод, длина 24 | |
| 1 | 961396 | 8 x 51 дополнительная труба, ременный привод, длина 29 | |
| 1 | 961397 | 8 x 51 дополнительная труба, прямой привод, длина 29 | |
| 1 | 961398 | 8 x 56 дополнительная труба, длина 29 | |
| 1 | 908891 | 10 x 36 дополнительная труба, ременный привод, длина 12 1/2 | |
| 1 | 905382 | 10 x 41 дополнительная труба, ременный привод, длина 20 | |
| 1 | 905381 | 10 x 41 дополнительная труба, прямой привод, длина 20 | |
| 1 | 961110 | 10 x 51 дополнительная труба, ременный привод, длина 29 | |
| 1 | 961111 | 10 x 51 дополнительная труба, прямой привод, длина 29 | |
| 2 | 961112 | 7 x 36 основная труба, длина 22 | |
| 2 | 961113 | 7 x 41 основная труба, длина 22 | |
| 2 | 961114 | 7 x 46 и 51 основная труба, длина 22 | |
| 2 | 961115 | 8 x 36 основная труба, длина 22 | |
| 2 | 961116 | 8 x 41 основная труба, длина 22 | |
| 2 | 961117 | 8 x 46 и 51 основная труба, длина 22 | |
| 2 | 961118 | 8 x 56 основная труба, длина 27 | |
| 2 | 906148 | 10 x 36 основная труба, длина 22 | |
| 2 | 905389 | 10 x 41 основная труба, длина 20 | |
| 2 | 961120 | 10 x 51 основная труба, длина 22 | |
| 3 | 961732 | 7 и 8 x 36, 41, 46, 8 x 51 основная линия управления, длина 270 | |
| 3 | 961471 | 7 и 8 x 56 основная линия управления, длина 330 | |
| 3 | 961262 | 10 x 41 основная линия управления, длина 246 1/8 | |
| 3 | 961121 | 10 x 36 и 51 основная линия управления, длина 258 1/2 | |
| 4 | 961122 | 7 и 8 x 36 дополнительная линия управления, длина16 1/8 | |
| 4 | 961123 | 7 и 8 x 41 дополнительная линия управления, ременный привод 80 7/8 | |
| 4 | 961836 | 8 x 41 дополнительная линия управления, прямой привод 148 1/2 | |
| 4 | 961840 | 7 и 8 x 46 дополнительная линия управления, ременный привод 129 7/8 | |
| 4 | 961837 | 8 x 46 дополнительная линия управления, прямой привод 211 5/8 | |
| 4 | 961841 | 8 x 51 дополнительная линия управления, ременный привод 172 7/8 | |
| 4 | 961838 | 8 x 51 и 56 дополнительная линия управления, прямой привод 272 | |
| 4 | 906156 | 10 x 36 дополнительная линия управления, ременный привод 15 5/8 | |
| 4 | 906150 | 10 x 36 дополнительная линия управления, прямой привод 83 7/8 | |
| 4 | 905384 | 10 x 41 дополнительная линия управления, ременный привод 106 5/8 | |
| 4 | 961066 | 10 x 41 дополнительная линия управления, прямой привод 174 1/8 | |
| 4 | 961124 | 10 x 51 дополнительная линия управления, ременный привод 165 1/4 | |
| 4 | 961125 | 10 x 51 дополнительная линия управления, прямой привод 267 3/4 | |
| 5 | 961126 | 7 и 8 x 36 кожух дополнительной линии управления 22 3/4 | |
| 5 | 961127 | 7 и 8 x 41 кожух дополнительной линии управления, ременный привод 23 | |
| 5 | 961128 | 8 x 41 кожух дополнительной линии управления, прямой привод 26 1/4 | |
| 5 | 961129 | 7 и 8 x 46 кожух дополнительной линии управления, ременный привод 8 1/8 | |
| 5 | 961130 | 8 x 46 кожух дополнительной линии управления, прямой привод 24 3/4 | |
| 5 | 961338 | 8 x 51 кожух дополнительной линии управления, ременный привод 51 1/4 | |
| 5 | 961132 | 8 x 51 кожух дополнительной линии управления, прямой привод 20 3/4 | |
| 5 | 961133 | 8 x 56 кожух дополнительной линии управления 12 1/2 | |
| 5 | 906088 | 10 x 36 кожух дополнительной линии управления, ременный привод 17 7/8 | |
| 5 | 908894 | 10 x 36 кожух дополнительной линии управления, прямой привод 31 1/8 | |
| 5 | 905388 | 10 x 41 кожух дополнительной линии управления, ременный привод 21 7/8 | |
| 5 | 961135 | 10 x 41 кожух дополнительной линии управления, прямой привод 41 7/8 | |
| 5 | 961136 | 10 x 51 кожух дополнительной линии управления, ременный привод 46 1/2 | |
| 5 | 961137 | 10 x 51 кожух дополнительной линии управления, прямой привод 20 1/8 | |
| 6 | 961848 | Кожух | |
| 6 | 961469 | 8 x 56 кожух линии управления 20калибр x 6 3/4 x 54 1/2 | |
| 6 | 961264 | 10 x 41 кожух линии управления 20калибр x 6 3/4 x 48 1/4 | |
| 6 | 961848 | Кожух | |
| 7 | 961339 | 10 болт на выпускное отверстие | |
| 8 | 86170 | 3/8x1 Болт | |
| 9 | 81593 | 3/8 Шайба | |
| 10 | 81592 | 3/8 Гайка | |
| 11 | 903557 | 7 предохранительная решетка заборного устройства, сварная конструкция | |
| 11 | 903556 | 8 предохранительная решетка заборного устройства, сварная конструкция | |
| 11 | 903558 | 10 предохранительная решетка заборного устройства, сварная конструкция | |
| 12 | 903248 | Вилка, сварная конструкция | |
| 12 | 903294 | Вилка, сварная конструкция | |
| 13 | 903246 | Штифт 5/8 x 9 | |
| 13 | 903293 | Штифт 5/8 x 10 1/2 | |
| 14 | 966729 | Шплинт | |
| 15 | 81549 | 5/16x3/4 Болт | |
| 15 | 81552 | Болт | |
| 16 | 81569 | 5/16 Шайба | |
| 17 | 81568 | 5/16 Гайка | |
| 18 | 811795 | 3/8 X 2 Болт | |
| 19 | 961345 | Крепежное приспособление кожуха дополнительной линии управления | |
| 19 | 961346 | Крепежное приспособление кожуха | |
| 20 | 961347 | Монтажная пластина редуктора 10калибр x 7 1/2 | |
| 20 | 961348 | Монтажная пластина редуктора 10калибр x 9 1/8 | |
| 21 | 961092 | Редуктор в собранном виде | |
| 21 | 961085 | 8 средство защиты редуктора от обратного сдвига | |
| 21 | BU50510 | Редуктор | |
| 21 | 961086 | 10 средство защиты редуктора от обратного сдвига | |
| 22 | 84072 | 3/8 x 3/4 шестигранный болт | |
| 22 | 81619 | 1/2 X 1 Болт | |
| 23 | 81570 | 3/8 Шайба | |
| 24 | 961155 | 1/4 x 1/4 x 3 1/2 шпонка | |
| 25 | 961611 | Муфта редуктора, внешний 1 3/4 x 4 | |
| 26 | 961349 | Крепление троса 1/4 x 1 x 1 угловой | |
| 26 | 961350 | Зажим кабеля | |
| 27 | 961351 | Ограничитель хода 1/4 x 1 x 4 1/4 длина | |
| 27 | 961352 | Ограничитель хода 1/4 x 1 1/2 x 5 1/2 длина | |
| 28 | 812026 | 5/16x1 Болт | |
| 28 | 86170 | 3/8x1 Болт | |
| 29 | 901758 | Опорный ролик, внешний d.3.35, длина 3 1/2 | |
| 29 | 902364 | Ролик | |
| 30 | 961353 | Корпус опорного ролика | |
| 30 | 961354 | Корпус опорного ролика | |
| 31 | 901759 | Задний опорный ролик, внешний | |
| 31 | 902365 | Ролик | |
| 32 | 811691 | 1/2 x 4 1/2 шестигранный болт | |
| 32 | 812087 | Болт | |
| 33 | 812364 | Гайка | |
| 33 | 812482 | 5/8 Lock Nut | |
| 34 | 961430 | 1 1/4 опора подшипника | |
| 34 | 961989 | 1 3/8 опора подшипника | |
| 35 | 965818 | 1 1/4 подшипник | |
| 35 | 965917 | Подшипник | |
| 36 | 961432 | Крышка подшипника | |
| 36 | 961990 | Крышка подшипника | |
| 37 | 961097 | Пластмассовая торцевая крышка | |
| 37 | 961098 | Пластмассовая торцевая крышка | |
| 38 | 961954 | № 60 цепь | |
| 38 | 961860 | № 60 цепь | |
| 38 | 961691 | № 60 цепь | |
| 38 | 961047 | № 80 цепь | |
| 38 | 961181 | № 80 цепь | |
| 39 | 961684 | 15 звездочка № 60 | |
| 39 | 961041 | 15 звездочка № 80 | |
| 39 | 961998 | 20 звездочка № 80 | |
| 40 | 961686 | 28 звездочка № 60 | |
| 40 | 961684 | 15 звездочка № 60 | |
| 40 | 961042 | 28 звездочка № 80 | |
| 40 | 961998 | 20 звездочка № 80 | |
| 41 | 988999 | 3/8x3/8 Винт | |
| 42 | 961602 | 1/4 квадр. x1 1/4 шпонка | |
| 42 | 967041 | 5/16 x 5/16 x 1 1/2 шпонка | |
| 43 | 961091 | 1 1/4 фланец подшипника с 2 отверстиями | |
| 44 | 961675 | 1 1/4 фланец подшипника с 3 отверстиями | |
| 45 | 961676 | 1 1/4 Подшипник | |
| 45 | 965917 | Подшипник | |
| 46 | 81914 | 3/8 x 1 болт с квадратной головкой | |
| 47 | 967291 | 3/8 x 2 болт с полной резьбой | |
| 48 | 967473 | Болт | |
| 49 | 967474 | Гайка | |
| 50 | 961301 | 7 и 8 торцевая пластина шнекового транспортера | |
| 50 | 961312 | 10 торцевая пластина шнекового транспортера | |
| 51 | 961963 | 7 x 14 дополнительный шнек | |
| 51 | 961964 | 7 X 19 дополнительный шнек | |
| 51 | 961965 | 7 X 24 дополнительный шнек | |
| 51 | 961270 | 8 X 14-5 1/8 дополнительный шнек | |
| 51 | 961726 | 8 X 19 дополнительный шнек | |
| 51 | 961727 | 8 X 24 дополнительный шнек | |
| 51 | 961728 | 8 X 29 дополнительный шнек | |
| 51 | 906161 | 10 x 14 дополнительный шнек | |
| 51 | 961255 | 10 X 22 дополнительный шнек | |
| 51 | 961139 | 10 X 29 дополнительный шнек | |
| 52 | 81593 | 3/8 Шайба | |
| 52 | 81637 | 1/2 Шайба | |
| 53 | 86170 | 3/8x1 Болт | |
| 53 | 81620 | 1/2 x 1 1/4 Болт | |
| 54 | 81593 | 3/8 Шайба | |
| 54 | 81637 | 1/2 Шайба | |
| 55 | 81592 | 3/8 Гайка | |
| 55 | 81636 | 1/2 Гайка | |
| 56 | 961961 | 7 x 22 основной шнек | |
| 56 | 961725 | 8 x 22 основной шнек | |
| 56 | 961461 | 8 x 27-6 основной шнек | |
| 56 | 961256 | 10 x 20 основной шнек | |
| 56 | 962085 | 10 x 22 основной шнек | |
| 57 | 9812483 | 3/8 x 2 шестигранный болт гр. 8 | |
| 57 | 9812368 | Болт | |
| 58 | 812363 | Гайка | |
| 58 | 812364 | Гайка | |
| 59 | 961648 | 1 5/16 кв. x 5 1/2 муфта | |
| 60 | 903435 | Кронштейн цепенатяжного устройства | |
| 60 | 903478 | Кронштейн цепенатяжного устройства | |
| 61 | 960461 | Латунный вкладыш1 3/8 x 1 3/4 длина | |
| 61 | 967915 | Brass Bushing 1 5/8 x 1 3/4 длина | |
| 62 | 908893 | 10 x 36 кожух дополнительной линии управления 59 1/4 |
Содержащиеся в справочниках-каталогах запасные части и детали не предлагаются к продаже, а носят исключительно информационный характер