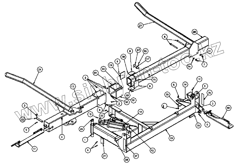
Каталог запасных частей к технике: Клевер ТПР-11. Захват в сборе, левая сторона
1
2
2
3
3
4
5
5
5
6
6
7
8
8
9
9
9
10
11
12
12
13
14
14
15
16
17
18
19
20
21
22
23
24
25
26
27
28
28
29
29
30
30
31
31
32
33
34
34
35
36
37
| Позиция на иллюстрации | Заводской номер детали | Название детали | |
|---|---|---|---|
| 1 | 20252 | ВТУЛКА 1.75OD х 1.5ID х 1.75 | |
| 2 | 810215 | САМОНАРЕЗ.ВТУЛКА 0.313 NC X 0.50 | |
| 3 | 811795 | 3/8 X 2 Болт | |
| 4 | 812087 | Болт | |
| 5 | 812363 | Гайка | |
| 6 | 812364 | Гайка | |
| 7 | 813509 | ШЕСТИГР. ГАЙКА 0.625 NC GR5PL | |
| 8 | 813602 | ВИНТ 1/4 X 3/4 FLATHEAD | |
| 9 | 813611 | ОСЬ ПРУЖ. 0.125 ДИАМ X 0.625 ДЛ. | |
| 10 | 813646 | МАСЛЕНКА 1/4 NF DRIVEN | |
| 11 | 813795 | ПРОКЛАДКА FLAT 1.031 X 1.75 X 0.031 | |
| 12 | 81581 | ШЕСТИГРАННИК 0.375NC X 2.50 GR5PL | |
| 13 | 81626 | 1/2 x 2 3/4 шестигранный болт | |
| 14 | 81677 | 5/8 Шайба | |
| 15 | 81978 | РАЗВОДНАЯ ЧЕКА 0.125X2.00 POL | |
| 16 | 84277 | Болт | |
| 17 | А2400-35 | СЖИМАЮЩИЙ ЦИЛИНДР В СБ. RPU | |
| 18 | А2400-36 | ПОВОРАЧИВАЮЩИЙ ЦИЛИНДР В СБ. RPU | |
| 19 | А2400-37 | УПРАВЛЯЕМЫЙ ОБРАТНЫЙ КЛАПАН В СБ. RPU | |
| 20 | С2417-00 | ПОДВИЖНАЯ КОНСОЛЬ RPU | |
| 21 | С2423-00 | ОСЬ СЖИМАЮЩЕГО ЦИЛИНДРА RPU | |
| 22 | С2428-00 | ВИЛКА ПРИКРЕПЛЯЕМАЯ RPU LH | |
| 23 | С2695-00 | ШАРНИР RPU | |
| 24 | С2696-00 | СТАЦИОНАРНЫЙ РЫЧАГ RPU | |
| 25 | С2697-00 | ПОДЪЕМНЫЙ РЫЧАГ RPU, LH | |
| 26 | Е2345-00 | ОСЬ ЦИЛИНДРА 1.0 ДИАМ. X 4.5 | |
| 27 | Е2413-00 | БУФЕР РЫЧАГА | |
| 28 | Е2419-00 | ПОДВИЖ. КРЕП. РЫЧАГА ВЕРХ./НИЖ. PAD | |
| 29 | Е2420-00 | БОКОВОЕ ПОДВИЖ. КРЕП. РЫЧАГА PAD | |
| 30 | Е2421-00 | СТАЦИОНАР ПЛИТА РЫЧАГА ВЕРХ./НИЖ. RPU PAD | |
| 31 | Е2422-00 | СТАЦИОНАР ПЛИТА РЫЧАГА БОКОВАЯ RPU PAD | |
| 32 | Е2424-00 | ПОДВИЖ. ЗАКРЕП Л. ОСЬ СЖИМ. ЦИЛИНДРА | |
| 33 | Е2429-00 | СТАЦИОНАРАМ ОРТ И ЗАТОР РЫЧАГА RPU | |
| 34 | Е2445-00 | ОСЬ ПОДЪЕМНОГО ЦИЛИНДРА 1.25 ДИАМ. C1045CR | |
| 35 | Е2485-00 | ЗАМОК ПРЕДОХРАНИТ ЦЕП И ПОДЪЕМНОГО РЫЧАГА | |
| 36 | 967053 | НАКЛЕЙКА ОТРАЖАЮЩАЯ 2 X 9 КРАСНАЯ | |
| 37 | 967055 | НАКЛЕЙКА ОТРАЖАЮЩАЯ 2 X 9 ЯНТАРНАЯ |
Содержащиеся в справочниках-каталогах запасные части и детали не предлагаются к продаже, а носят исключительно информационный характер