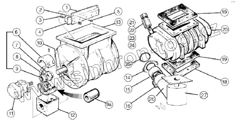
Каталог запасных частей к технике: Клевер ПЗВ-70. Сборка шлюзовой камеры и нагнетателя
1
2
3
4
5
6
7
8
9
9A
10
11
12
13
14
15
17
18
19
19
20
21
22
23
24
25
26
27
| Позиция на иллюстрации | Заводской номер детали | Название детали | |
|---|---|---|---|
| GV10627 | GV10627 | Шлюзовая камера | |
| 1 | GV10630 | Грязесъемник | |
| 2 | GV10631 | Фиксатор грязесъемника | |
| 3 | Болт | Болт | |
| 4 | GVK | Грязесъемник с гибкой головкой | |
| 5 | Болт | Болт | |
| 6 | GV20011 | Крышка цепного соединения | |
| 7 | GV20007 | Звездочка цепного соединения | |
| 8 | GV20010 | Цепь - цепное соединение | |
| 9 | GV10021 | Звездочка цепного соединения | |
| 9A | GV10513 | Сварное соединение | |
| 10 | GV20006 | Сегментная шпонка | |
| 11 | GV22228 | Гидромотор | |
| 12 | GV10017 | Скоба для монтажа двигателя шлюзовой камеры | |
| 13 | GV10637 | Шлюзовая камера | |
| GV14400 | GV14400 | Нагнетатель | |
| 14 | GV45603 | Фланец | |
| 15 | GV26044 | Переходник от 6dm до 5dm | |
| 17 | GV26011 | Хомут. 5dm | |
| 18 | GV64030 | Прокладка, 5dm x 3 1/8dm | |
| 19 | GV64501 | Прокладка, 1/16dm резиновая | |
| 20 | GV14400 | Нагнетатель | |
| 21 | GV22136 | Штуцер из оцинкованной стали, 3/4dm x 2 1/2dm | |
| 22 | GV22044 | Соединительный патрубок, 3/4dm | |
| 23 | GV22149 | Оцинкованная шестиугольная гильза, 3/4dm x 2 1/2dm | |
| 24 | GV14431 | Канал сапуна | |
| 25 | GV20015 | Уплотнительное кольцо | |
| 26 | GV26013 | Клапан сброса давления | |
| 27 | GV45650 | Глушитель |
Содержащиеся в справочниках-каталогах запасные части и детали не предлагаются к продаже, а носят исключительно информационный характер