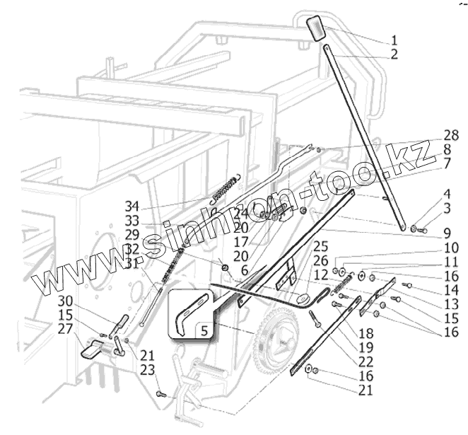
Каталог запасных частей к технике: Клевер ППТ-1270 "Tukan Max". Таблица 11
1
2
3
4
5
6
7
8
9
9
9
10
11
12
13
14
15
15
16
16
16
17
17
17
18
19
20
20
21
21
22
23
24
25
26
27
28
29
30
31
32
33
34
| Позиция на иллюстрации | Заводской номер детали | Название детали | |
|---|---|---|---|
| 1 | SR02284A | Ручка | |
| 2 | SR03967A | Рычаг | |
| 3 | NVTES16045G8TN | Болт | |
| 4 | NRONC16/35X30G | Шайба | |
| 5 | SR03424A | Крюк | |
| 6 | SR02762B | Планка | |
| 7 | NCOPSP05X0250Z | Шплинт | |
| 8 | NDADESM0016G6N | Гайка | |
| 9 | SR03520A-01 | Рычаг | |
| 9 | SR03520A-02 | Рычаг | |
| 10 | NDADESMAB10G6Z | Гайка | |
| 11 | NRCINM12/36X30G | Шайба | |
| 12 | SP30163B-02 | Пружина | |
| 13 | SR03578B | Рычаг | |
| 14 | NVTES10040G8PN | Болт | |
| 15 | NVTES12045G8TN | Болт | |
| 16 | NDADESM0010G6N | Муфта | |
| 17 | SR03814A | Рычаг | |
| 17 | SR01537A | Рычаг | |
| 18 | NVTTL10025G8TN | Болт | |
| 19 | SR03577D | Рычаг | |
| 20 | FCURRS006205-S | Вкладыш | |
| 21 | NRONP12/24X25G | Шайба | |
| 22 | NVTES08035G8PN | Болт | |
| 23 | NVTES12045G8PN | Болт | |
| 24 | NCOPSP05X0500G | Шплинт | |
| 25 | SR03679B | Трос | |
| 26 | SR03683A | Диск | |
| 27 | SR03755A | Фиксатор | |
| 28 | NDADESBAB14G6Z | Муфта | |
| 29 | NDADESM0008G6N | Муфта | |
| 30 | SR01539A | Заслонный клапан | |
| 31 | NVTES16250G8PN | Болт | |
| 32 | SR01577A | Пружина | |
| 33 | SR01536B | Стержень | |
| 34 | SP30151A-03 | Пружина |
Содержащиеся в справочниках-каталогах запасные части и детали не предлагаются к продаже, а носят исключительно информационный характер