Каталог запасных частей к технике: Клевер ППТ-1270 "Tukan Max". Таблица 1
1
2
3
4
5
6
7
7
8
9
9
9
10
11
12
13
14
15
15
16
17
18
19
19
20
21
22
23
24
24
24
25
26
27
28
29
30
31
32
33
34
35
36
37
38
39
40
40
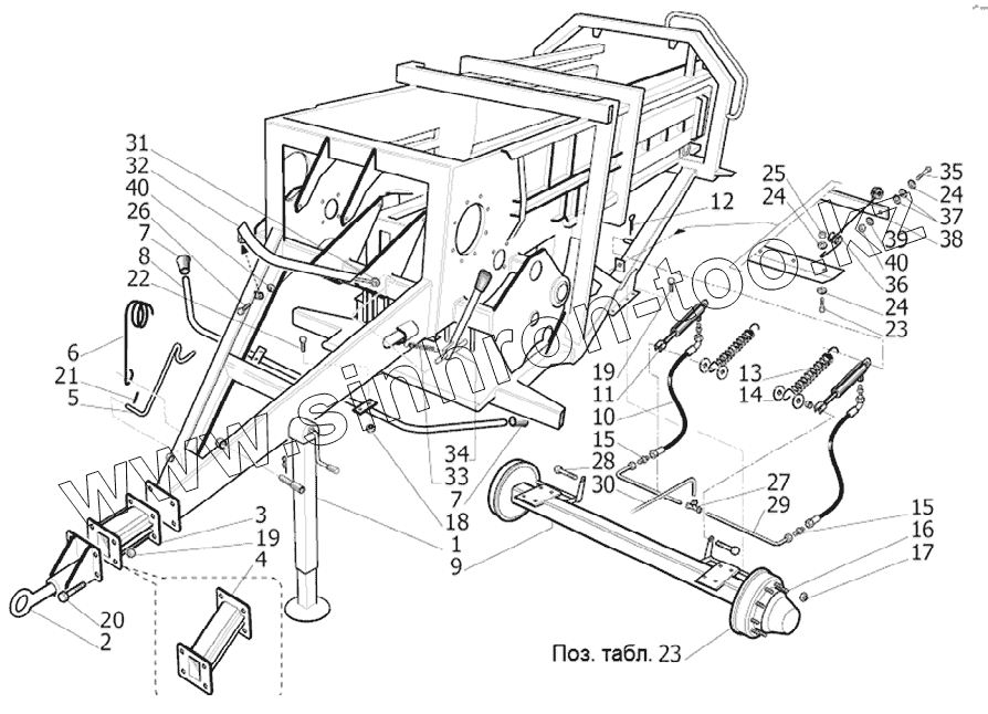
| Позиция на иллюстрации | Заводской номер детали | Название детали | |
|---|---|---|---|
| 1 | CS10099B | Опора для ноги | |
| 2 | SR01011A | Буксирный крюк | |
| 3 | SR02521C | Удлинитель | |
| 4 | SR03120B | Удлинитель | |
| 5 | SR01376A | Подвеска | |
| 6 | SR03187B | Пружина | |
| 7 | SP31250A | Втулка | |
| 8 | SR02923A | Защита | |
| 9 | SR02332A | Итальянский вал | |
| 9 | SR01024B | Вал | |
| 10 | TT10006A-91 | Гибкий шланг | |
| 11 | SR02385A | Цилиндр | |
| 12 | NCOPSP05X0500G | Шплинт | |
| 13 | SP30178B | Пружина | |
| 14 | NRONM12/48/30G | Шайба | |
| 15 | FHRTEDGA3/8T08 | Соединение | |
| 16 | FCOLO18X1,5X49 | Цапфа | |
| 17 | NDACOLO18X1,5A | Муфта | |
| 18 | NDADESM0012G6Z | Муфта | |
| 19 | NVTES16045G8TN | Болт | |
| 20 | NVTES22060G8PZ | Болт | |
| 21 | NSPIELP05X025A | Эластичный штырь контактного разъема | |
| 22 | NVTES12025G8TZ | Болт | |
| 23 | NVTES10030G8TZ | Болт | |
| 24 | NRONM10/30X25Z | Шайба | |
| 25 | NDADESM0010G6Z | Муфта | |
| 26 | SP30920A | Болт | |
| 27 | FHRTITPN300T08 | Соединение | |
| 28 | NVTES12100G8PZ | Болт | |
| 29 | SR01831A | Жесткая труба | |
| 30 | SR01829B | Жесткая труба | |
| 31 | SR01383A | Устройство для расширения | |
| 32 | SR03065A | Тормоз | |
| 33 | AB10064A | Пружина | |
| 34 | SR01372B | Рычаг | |
| 35 | NVTES10035G8TZ | Болт | |
| 36 | SR01585A | Пружина | |
| 37 | SR03048A | Шайба | |
| 38 | SR02346B | Подвеска | |
| 39 | SR03049A | Шайба | |
| 40 | NDADESMAB10G6Z | Гайка |
Содержащиеся в справочниках-каталогах запасные части и детали не предлагаются к продаже, а носят исключительно информационный характер