Вернуться на главную
Поиск
Каталоги запчастей к технике
Сельхозтехника
Клевер
ППК-82 "Argus"
Наклонная камера
Каталог запасных частей к технике: Клевер ППК-82 "Argus". Наклонная камера
zoom-in
zoom-out
enlarge
shrink
circle-right
circle-left
file-text2
info
cart
Тип техники
Не выбрано
Легковые автомобили
Грузовые автомобили и прицепы
Автобусы
Сельхозтехника
Спецтехника
Двигатели
Мототехника
Марка
Не выбрано
AGCO
Amity
CASE IH
DongFeng
Fortschritt
Foton
Franz Kleine
Gaspardo
Great Plains
KRONE
KUHN
Lemken
Lovol
MacDon
Massey Ferguson
New Holland
TIGARBO
Vaderstad
Versatile
Wirax
Агро
Агротехмаш
Бобруйскагромаш (ОАО «УКХ «Бобруйскагромаш»)
БЭМЗ
ВгТЗ
Воронежсельмаш
ВТЗ
Гомсельмаш
ДКЗ
ЗАО "Техника-сервис"
ЗиД
КЗК
Кировец-Ландтехник
Клевер
Красная Звезда
Лидагропроммаш
Лидсельмаш
ЛТЗ
Машстройхолдинг
Минитракторы
Мордовагромаш
МТЗ
Навигатор-Новое машиностроение
Нефтекамский автозавод
ПТЗ
Ремком
РСМ
Сибсельмаш
ТеКЗ
ТКЗ
ХЗТСШ
ХТЗ
ЮМЗ
Модель
Не выбрано
DV-1000/600 (2010)
ГКП-600 (Kolibri V) (2010)
ГРН-350 "Kolibri" (2011)
ГРН-471 "Kolibri" (2007)
ГРП-810 "Kolibri Duo" (2011)
ГРП-815 (2013)
ЖСУ-700 "Soyka 700" (2010)
ЖТТ-2,8 (2011)
ЗИС-2,0 "Kiwi" (2007)
КДК-184 (2011)
КДК-184 "Cheege" (2007)
КИН-2,7А (2010)
Косилка ЖТТ-2,1 (2,4) (2007)
КПП-3,1 (2011)
КРК-2 "SapSun" (2007)
КРК-2.4 "SapSun" (2011)
КРП-302 "Беркут" (2007)
КСД-2,0 "Sterh" (2007)
МЗС-90-20 (2011)
МК-11В (2011)
МК-15Г (2011)
ОЗМ-20 (2011)
ПЗВ-70 (2013)
ППК-121 (2011)
ППК-61 (-81) "Argus" (2011)
ППК-81 "Argus" (2007)
ППК-82 "Argus" (2011)
ППР-120 "Pelikan" (2007)
ППР-150 "Pelikan Max" (2010)
ППТ-041 "Tukan" (2007)
ППТ-1270 "Tukan Max" (2010)
ПСМ-25М-01 (2013)
ПСП-10МГ "Falcon" (2007)
ПСП-10МУ "Falcon" (2010)
ПСП-1210 "Falcon" (2011)
ПСП-1210 "Falcon" (2011)
ПСП-810 (2011)
ПФУ-081 (Fenix 800) (2013)
ТПР-10 (2010)
ТПР-11 (2010)
ТПР-8 (2010)
ТШ-70-8Э (2010)
ТШВ-140-17 (2010)
ТШВ-400-23 (2013)
Схема
>
Не выбрано
Общий вид ППК-82/-06/-07
Общий вид ППК-82-01/-02
Общий вид ППК-82-03
Общий вид ППК-82-04
Общий вид ППК-82-05
Жатка
Привод жатки (вид слева)
Вал ППК-82.01.00.060
Привод жатки (вид справа)
Вал ППК-82.01.00.060-01
Каркас и кожух (левая сторона)
Каркас и кожух (правая сторона)
Привод шнека
Предохранительная фрикционная муфта привода шнека
Шнек
Левый делитель
Правый делитель
Делитель
Траверса
Опора
Русло ППК-81.01.06.000А/-01/-02/-03
Измельчающий аппарат
Натяжные устройства
Рама, отрывочные пластины и редуктор
Чистики и опоры
Валец ППК-81.01.06.040
Валец ППК-81.01.06.040-01
Цепные муфты и поводок
Установка гидрооборудования и тяги ППК-81.01.00.700
Проставка ППК-8.02.00.000
Вал проставки
Битер
Проставка ППК-81.50.00.000
Проставка ППК-81.51.00.000
Проставка ППК-81.52.00.000
Проставка ППК-81.53.00.000
Битер ППК-81.40.00.000
Битер ППК-81.40.00.000-01
Наклонная камера
Шкив натяжной
Цепной транспортер и направляющие
Вал верхний
Шкив ПКП-8.20.00.101Б
Вал нижний
Упор ПКП-8.20.00.100
Комплект для уборки подсолнечника ППК-81.33.00.000
Комплект защитных щитов
Режущий аппарат
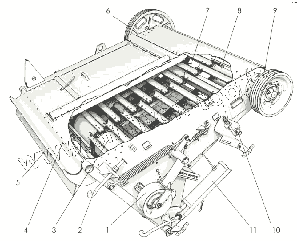
1
2
3
4
5
6
7
8
9
10
11
Позиция на иллюстрации
Заводской номер детали
Название детали
1
ПКП-8.20.00.030
Шкив натяжной
2
3518060-16426
Крюк
3
ПКП-8.20.04.000А
Вал нижний
4
ПКП-8.20.01.000
Корпус наклонной камеры
5
3518060-10061
Ремень
6
РСМ-10.27.02.010
Шкив
7
3518060-18350В
Транспортер цепной
8
3518060-18420Г
Вал верхний
9
ПКП-8.20.00.020А
Шкив
10
3518060-18400А
Труба с роликами
11
3518060-18450Б
Упор гидроцилиндра
Содержащиеся в справочниках-каталогах запасные части и детали не предлагаются к продаже, а носят исключительно информационный характер
Дополнительная информация
×
Название:
Номер:
Примечание: