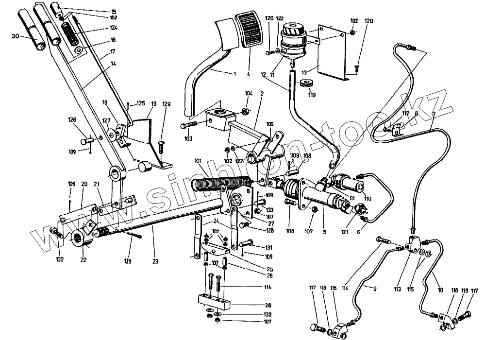
Каталог запасных частей к технике: Кировец-Ландтехник Е-281 "MARAL-125". Тормозная система
1
2
4
5
6
7
8
9
10
11
12
13
14
15
16
17
18
19
20
21
22
23
24
25
26
27
28
30
101
102
102
102
103
104
105
106
107
107
107
107
107
108
109
109
109
109
109
110
111
112
113
114
114
115
116
116
117
117
118
118
119
120
120
121
122
122
123
124
125
126
127
128
129
130
131
132
133
| Позиция на иллюстрации | Заводской номер детали | Название детали | |
|---|---|---|---|
| 1 | 94762011516 | Педаль | |
| 2 | 94762010314 | Педаль управления тормозной системой | |
| 4 | 94721448936 | Покрытие педали | |
| 5 | 94900001032 | Главный цилиндр, в сборе | |
| 6 | 94762110117 | Напорная линия | |
| 7 | 94762110318 | Тормозная труба | |
| 8 | 94721388810 | Зажим | |
| 9 | 94020889815 | Тормозная труба, слева | |
| 10 | 94020889911 | Тормозная труба, справа | |
| 11 | 94020539032 | Бак, в сборе, 0,2 л | |
| 12 | 94762110711 | Топливный шланг | |
| 13 | 94762018217 | Держатель | |
| 14 | 94762091418 | Рычаг стояночного тормоза, сварной | |
| 15 | 94720432118 | Нажимная кнопка | |
| 16 | 94720435811 | Шайба | |
| 17 | 94760225112 | Нажимная штанга | |
| 18 | 94720432511 | Защелка | |
| 19 | 94762091514 | Подшипниковая стойка | |
| 20 | 94762012010 | Накладка | |
| 21 | 94762012211 | Накладка | |
| 22 | 94762012517 | Промежуточный рычаг | |
| 23 | 94762093315 | Вал рычага стояночного тормоза, сварной | |
| 24 | 94020350527 | Накладка | |
| 25 | 94020210918 | Балансир | |
| 26 | 94762017618 | Зажимная деталь | |
| 27 | 94020210725 | Подшипниковый щит | |
| 28 | 94721263815 | Гильза | |
| 30 | 94762199910 | Термоусадочный шланг | |
| 101 | 94006700676 | Пружина растяжения | |
| 102 | 01093406100 | Шестигранная гайка | |
| 103 | 94006305063 | Болт с шестигранной головкой | |
| 104 | 006267056 | Шестигранная гайка | |
| 105 | 94006279638 | Болт с цилиндрической головкой | |
| 106 | 01093308025 | Болт с шестигранной головкой | |
| 107 | 01093408125 | Шестигранная гайка | |
| 108 | 007632734 | Палец | |
| 109 | 94006400087 | Шплинт | |
| 110 | 94762207213 | Клапан ограничения давления | |
| 111 | 93001100105 | Болт с шестигранной головкой | |
| 112 | 01093306020 | Болт с шестигранной головкой | |
| 113 | 94004002718 | Распределитель | |
| 114 | 01093308035 | Болт с шестигранной головкой | |
| 115 | 94021424987 | Шайба | |
| 116 | 94004017355 | Кольцевой штуцер | |
| 117 | 94004007097 | Пустотелый винт | |
| 118 | 94004101302 | Уплотнительное кольцо | |
| 119 | 94001147680 | Проходной кабельный наконечник | |
| 120 | 01093306016 | Болт с шестигранной головкой | |
| 121 | 94006623453 | Бесступенчатый зажим с одним ушком | |
| 122 | 93001130056 | Шайба | |
| 123 | 93001230041 | Шплинт | |
| 124 | 94006711486 | Пружина сжатия | |
| 125 | 94006400866 | Шплинт | |
| 126 | 94007611801 | Палец | |
| 127 | 92006510148 | Шайба | |
| 128 | 94006340531 | Болт с шестигранной головкой | |
| 129 | 01093310025 | Болт с шестигранной головкой | |
| 130 | 93001130060 | Шайба | |
| 131 | к007632775 | Палец | |
| 132 | 01091208030 | Болт с цилиндрической головкой | |
| 133 | 94007605707 | Палец |
Содержащиеся в справочниках-каталогах запасные части и детали не предлагаются к продаже, а носят исключительно информационный характер