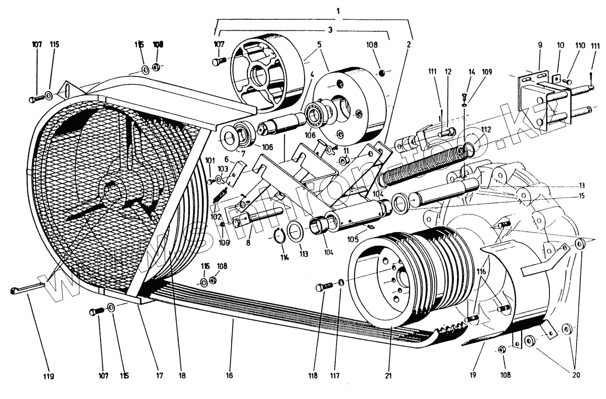
Каталог запасных частей к технике: Кировец-Ландтехник Е-281 "MARAL-125". Привод измельчающего барабана
1
2
3
4
5
6
7
8
9
10
11
12
13
14
15
16
17
18
19
20
21
101
102
103
104
104
105
106
106
107
107
107
108
108
108
108
109
109
110
111
111
112
113
114
115
115
115
115
116
117
118
119
| Позиция на иллюстрации | Заводской номер детали | Название детали | |
|---|---|---|---|
| 1 | 94762070116 | Качающийся рычаг, в сборе | |
| 2 | 94762070212 | Качающийся рычаг | |
| 3 | 94760329810 | Натяжной ролик | |
| 4 | 94760329714 | Валик | |
| 5 | 94721211138 | Ролик | |
| 6 | 94762070614 | Фиксирующая шайба | |
| 7 | 94721218417 | Уплотнительная шайба | |
| 8 | 94721277716 | Держатель | |
| 9 | 94762072118 | Стойка | |
| 10 | 94020883705 | Шайба | |
| 11 | 94762072712 | Гильза | |
| 12 | 94762072817 | Палец | |
| 13 | 94762072913 | Валик | |
| 14 | 94721206011 | Болт с шестигранной головкой | |
| 15 | 94762073014 | Промежуточная деталь | |
| 16 | 94721393736 | Комплект полуклиновых ремней | |
| 17 | 94721601712 | Ограждение/В | |
| 18 | 94020880768 | Шкив клиноременной передачи, в сборе | |
| 19 | 94020375430 | Ограждение клинового ремня / В | |
| 20 | 94721395617 | Распорная шайба | |
| 21 | 94762070710 | Шкив клиноременной передачи | |
| 101 | 94006340531 | Болт с шестигранной головкой | |
| 102 | 94006702805 | Пружина растяжения | |
| 103 | 94006460137 | Шайба | |
| 104 | 94001326513 | Втулка | |
| 105 | 93000007069 | Пресс-масленка с конической головкой | |
| 106 | 94003671816 | Радиальный шарикоподшипник | |
| 107 | 01093310030 | Болт с шестигранной головкой | |
| 108 | 01093410150 | Шестигранная гайка | |
| 109 | 01093408125 | Шестигранная гайка | |
| 110 | 01093308020 | Болт с шестигранной головкой | |
| 111 | 93001230027 | Шплинт | |
| 112 | 94006702942 | Пружина растяжения | |
| 113 | 94721218915 | Шайба | |
| 114 | 93001150022 | Стопорное кольцо | |
| 115 | 93001130074 | Шайба | |
| 116 | 94006045814 | Шпилька | |
| 117 | 94006501460 | Упругая шайба | |
| 118 | 01093312035 | Болт с шестигранной головкой | |
| 119 | 94003503713 | Клиновая шпонка с головкой |
Содержащиеся в справочниках-каталогах запасные части и детали не предлагаются к продаже, а носят исключительно информационный характер