Каталог запасных частей к технике: Кировец-Ландтехник Е-281 "MARAL-125". Принудительный запор
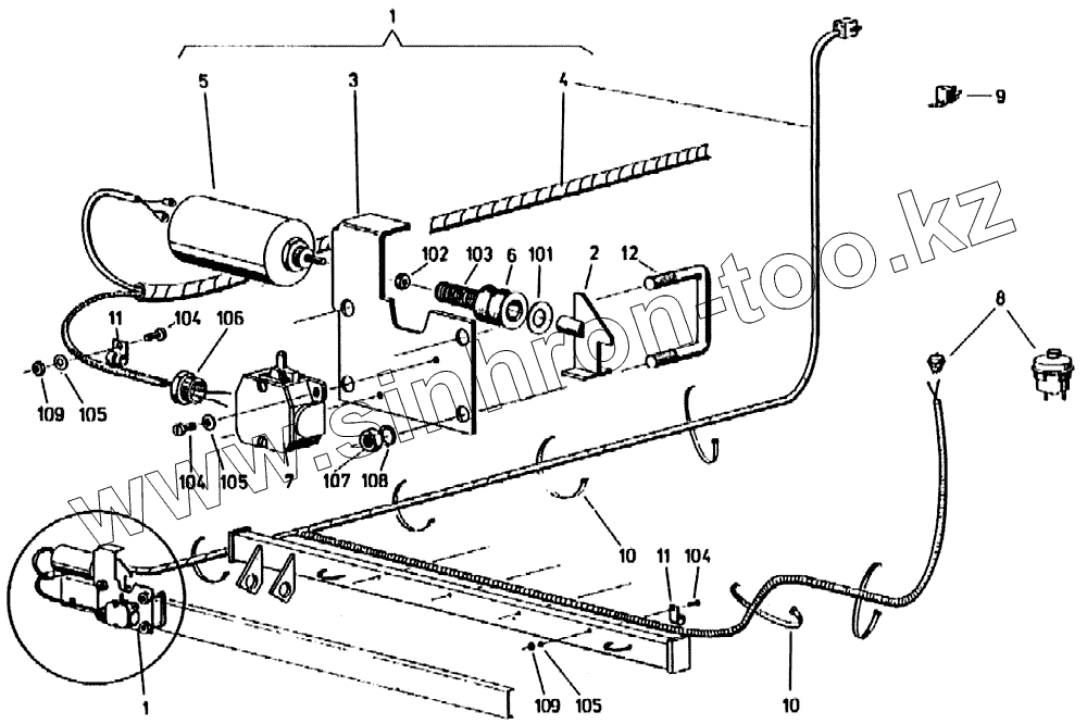
1
1
2
3
4
5
6
7
8
9
10
10
11
11
12
101
102
103
104
104
104
105
105
105
106
107
108
109
109
| Позиция на иллюстрации | Заводской номер детали | Название детали | |
|---|---|---|---|
| 1 | 94762039414 | Задвижка, в сборе | |
| 2 | 94762039213 | Собачка, в сборе | |
| 3 | 94762039318 | Стойка задвижки | |
| 4 | 94762039510 | Пучок проводов | |
| 5 | 94007030052 | Электромагнит постоянного тока | |
| 6 | 94001167908 | Сильфон | |
| 7 | 94007029790 | Конечный выключатель | |
| 8 | 94007034722 | Нажимная кнопка | |
| 9 | 94007055688 | Реле | |
| 10 | 94001347944 | Лента крепления кабеля, 255 мм | |
| 11 | 94001148608 | Хомутик для трубы | |
| 12 | 94020537151 | Зажимная скоба | |
| 101 | 94006511044 | Шайба | |
| 102 | 01093406100 | Шестигранная гайка | |
| 103 | 94006713213 | Пружина сжатия | |
| 104 | 94006005735 | Болт с цилиндрической головкой | |
| 105 | 93001130054 | Шайба | |
| 106 | 94007037862 | Кабельное резьбовое соединение | |
| 107 | 01093410150 | Шестигранная гайка | |
| 108 | 93001140122 | Пружинная шайба | |
| 109 | 94006214606 | Шестигранная гайка |
Содержащиеся в справочниках-каталогах запасные части и детали не предлагаются к продаже, а носят исключительно информационный характер