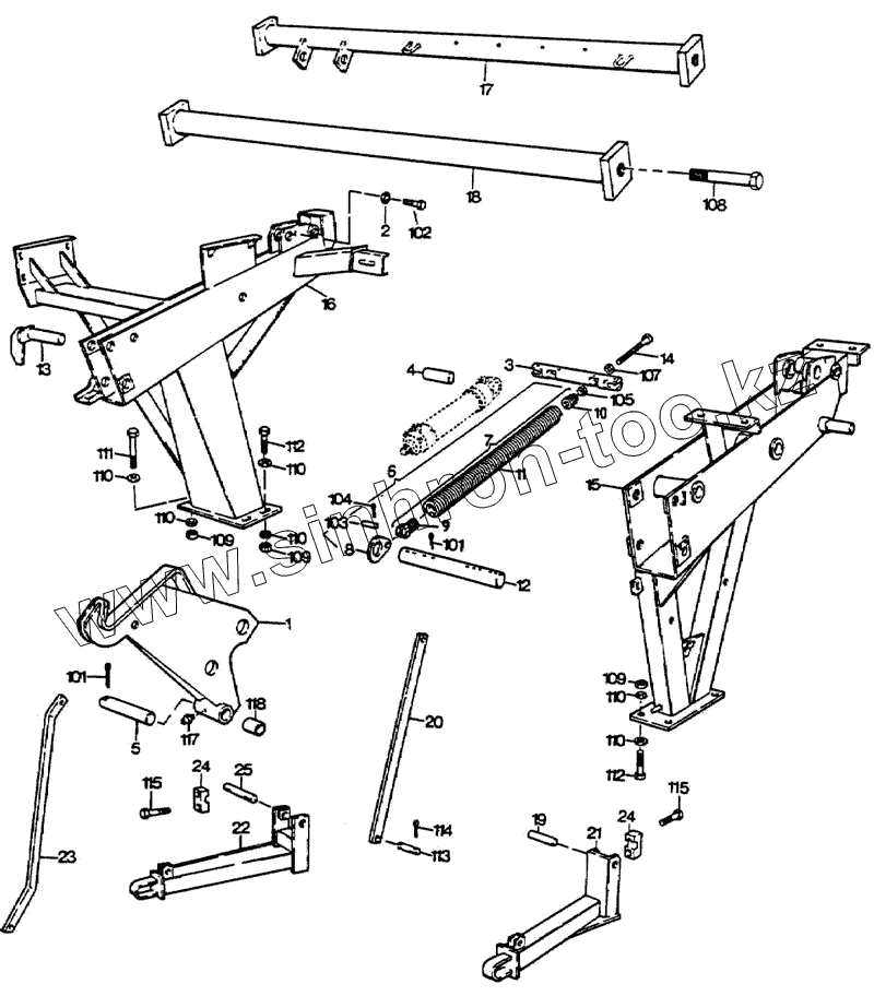
Каталог запасных частей к технике: Кировец-Ландтехник Е-281 "MARAL-125". Подъемное устройство
1
2
3
4
5
6
7
8
9
10
11
12
13
14
15
16
17
18
19
20
21
22
23
24
24
25
101
101
102
103
104
105
107
108
109
109
110
110
110
110
110
110
111
112
112
113
114
115
115
117
118
| Позиция на иллюстрации | Заводской номер детали | Название детали | |
|---|---|---|---|
| 1 | 94761060115 | Подъемный рычаг, в сборе | |
| 2 | 94020886121 | Шайба | |
| 3 | 94020348397 | Палец | |
| 4 | 94721240415 | Палец | |
| 5 | 94020881205 | Палец | |
| 6 | 94020348356 | Пружина растяжения | |
| 7 | 94020889093 | Пружина растяжения | |
| 8 | 94020348364 | Накладка | |
| 9 | 94762064013 | Ввинчиваемая деталь | |
| 10 | 94762064214 | Ввинчиваемая деталь | |
| 11 | 94020889085 | Пружина | |
| 12 | 94721240712 | Палец | |
| 13 | 94721240913 | Вставной фиксатор | |
| 14 | 94020347162 | Ходовой винт | |
| 15 | 94020348403 | Опора | |
| 16 | 94020889823 | Стойка | |
| 17 | 94020892400 | Поперечная связь, задняя | |
| 18 | 94020537096 | Поперечная связь, передняя | |
| 19 | 94721275312 | Палец | |
| 20 | 94721275417 | Связующее звено | |
| 21 | 94020544528 | Рычаг навески, левый | |
| 22 | 94020890905 | Рычаг навески, правый | |
| 23 | 94721275714 | Связующее звено | |
| 24 | 94020881254 | Ответная деталь | |
| 25 | 94020890921 | Палец | |
| 101 | 93001230052 | Шплинт | |
| 102 | 01093310020 | Болт с шестигранной головкой | |
| 103 | 94007610528 | Палец | |
| 104 | 93001230025 | Шплинт | |
| 105 | 01093412175 | Шестигранная гайка | |
| 107 | 93001130076 | Шайба | |
| 108 | 93001100165 | Болт с шестигранной головкой | |
| 109 | 93001120080 | Шестигранная гайка | |
| 110 | 94728990716 | Шайба | |
| 111 | 01093116130 | Болт с шестигранной головкой | |
| 112 | 01093316045 | Болт с шестигранной головкой | |
| 113 | 94007610858 | Палец | |
| 114 | 93001230027 | Шплинт | |
| 115 | 01093112060 | Болт с шестигранной головкой | |
| 117 | 93000007069 | Пресс-масленка с конической головкой | |
| 118 | 94003676523 | Втулка |
Содержащиеся в справочниках-каталогах запасные части и детали не предлагаются к продаже, а носят исключительно информационный характер