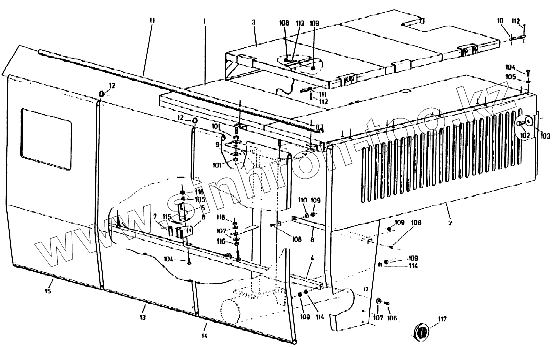
Каталог запасных частей к технике: Кировец-Ландтехник Е-281 "MARAL-125". Обшивка задняя
1
2
3
4
5
6
7
8
9
10
11
12
12
13
14
15
101
101
102
103
104
104
105
105
106
107
107
108
108
108
109
109
109
109
109
110
111
112
112
113
114
114
115
116
116
116
117
| Позиция на иллюстрации | Заводской номер детали | Название детали | |
|---|---|---|---|
| 1 | 94721431011 | Обшивка, угловая | |
| 2 | 94721432117 | Обшивка задней части | |
| 3 | 94020886427 | Капот двигателя, в сборе | |
| 4 | 94020883184 | Угловая опора, в сборе | |
| 5 | 94721442110 | Держатель | |
| 6 | 94020356901 | Запор | |
| 7 | 94020356934 | Шланг | |
| 8 | 94721433913 | Перекладина | |
| 9 | 94020543141 | Шайба | |
| 10 | 94020884400 | Палец | |
| 11 | 94721433118 | Труба, в сборе | |
| 12 | 94721434110 | Распорная втулка | |
| 13 | 94721428016 | Крышка, средняя, в сборе | |
| 14 | 94721428112 | Крышка, правая, в сборе | |
| 15 | 94721427915 | Крышка, левая, в сборе | |
| 101 | 01093412175 | Шестигранная гайка | |
| 102 | 01093312025 | Болт с шестигранной головкой | |
| 103 | 93001130081 | Шайба | |
| 104 | 01093310025 | Болт с шестигранной головкой | |
| 105 | 93001130067 | Шайба | |
| 106 | 01093310020 | Болт с шестигранной головкой | |
| 107 | 93001130074 | Шайба | |
| 108 | 01093308020 | Болт с шестигранной головкой | |
| 109 | 01093408125 | Шестигранная гайка | |
| 110 | 93001130065 | Шайба | |
| 111 | 94007611063 | Палец | |
| 112 | 93001230019 | Шплинт | |
| 113 | 94006510968 | Шайба | |
| 114 | 93001130060 | Шайба | |
| 115 | 94006700981 | Пружина растяжения | |
| 116 | 01093410150 | Шестигранная гайка | |
| 117 | 94004017507 | Отражатель |
Содержащиеся в справочниках-каталогах запасные части и детали не предлагаются к продаже, а носят исключительно информационный характер