Каталог запасных частей к технике: Кировец-Ландтехник Е-281 "MARAL-125". Измельчающий агрегат: нижний питающий валец
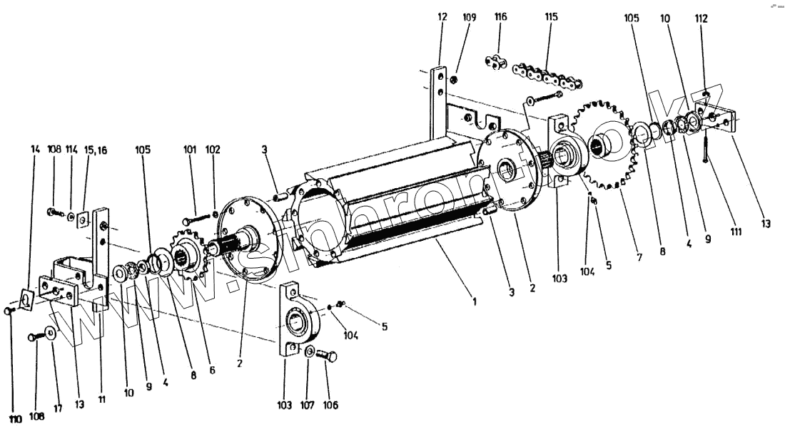
1
2
2
3
3
4
4
5
5
6
7
8
8
9
9
10
10
11
12
13
13
14
15
16
17
101
102
103
103
104
104
105
105
106
107
108
108
109
110
111
112
114
115
116
| Позиция на иллюстрации | Заводской номер детали | Название детали | |
|---|---|---|---|
| 1 | 94762050112 | Корпус вальца | |
| 2 | 94762051611 | Фланец вальца | |
| 3 | 94762115410 | Гильза | |
| 4 | 94762115515 | Направляющее кольцо | |
| 5 | 94762115611 | Подсоединение | |
| 6 | 94762052018 | Звездочка, 17 зубьев | |
| 7 | 94762052315 | Звездочка, 30 зубьев | |
| 8 | 94762117517 | Кольцо | |
| 9 | 94762115716 | Фетровое кольцо | |
| 10 | 94762115812 | Колпачок | |
| 11 | 94762054911 | Карман,левый | |
| 12 | 94762054614 | Карман,правый | |
| 13 | 94762115917 | Осевой подшипник | |
| 14 | 94762116018 | Накладка | |
| 15 | 94762115314 | Прокладка толщиной 3 мм | |
| 16 | 94762115113 | Прокладка толщиной 1 мм | |
| 17 | 94021424921 | Шайба | |
| 101 | 94006345511 | Болт с шестигранной головкой (аустенит) | |
| 102 | 94006500556 | Шайба (аустенит) | |
| 103 | 94003662567 | Вертикальный подшипник | |
| 104 | 94004100100 | Уплотнительное кольцо | |
| 105 | 94006451031 | Стопорное кольцо | |
| 106 | 01093316055 | Болт с шестигранной головкой | |
| 107 | 94006513665 | Шайба | |
| 108 | 01093312040 | Болт с шестигранной головкой | |
| 109 | 01093412175 | Шестигранная гайка | |
| 110 | 01093308016 | Болт с шестигранной головкой | |
| 111 | 94006282215 | Болт с цилиндрической головкой | |
| 112 | 01093408125 | Шестигранная гайка | |
| 114 | 93001130076 | Шайба | |
| 115 | 94006802368 | Роликовая цепь | |
| 116 | 94006816051 | Соединительное звено |
Содержащиеся в справочниках-каталогах запасные части и детали не предлагаются к продаже, а носят исключительно информационный характер