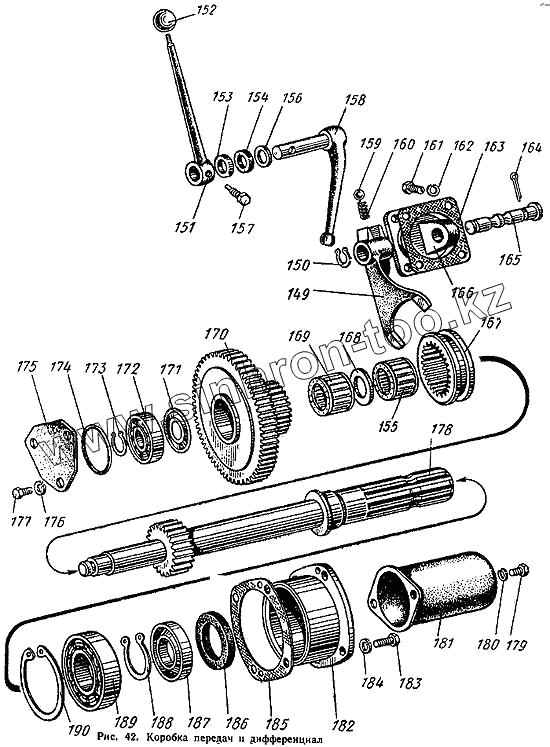
Каталог запасных частей к технике: ХЗТСШ Т-16М. Коробка передач и дифференциал
149
150
151
152
153
154
155
156
157
158
159
160
161
162
163
164
165
166
167
168
169
170
171
172
173
174
175
176
177
178
179
180
181
182
183
184
185
186
187
188
189
190
| Позиция на иллюстрации | Заводской номер детали | Название детали | |
|---|---|---|---|
| Т16.37.214-М | Т16.37.214-М | Втулка | |
| 149 | Т16.37.202 | Вилка включения вала отбора мощности | |
| 150 | Д16.03.114 | Кольцо стопорное | |
| 151 | Т16.37.026-1 | Рычаг включения вала отбора мощности | |
| 152 | 54.53.417 | Рукоятка рычага | |
| 153 | ДСШ14.40.109-1 | Обойма уплотнительная | |
| 154 | ДСШ14.40.110-1А | Кольцо войлочное | |
| 155 | ГПЗ-64805 | Роликоподшипник без колец | |
| 156 | ДСШ14.55.125 | Кольцо уплотнительное | |
| 157 | ДСШ14.37.138 | Винт вилок установочный | |
| 158 | Т16.37.022-1 | Ось рычага вала отбора мощности в сборе | |
| 159 | БV7,938 | Шарик | |
| 160 | 7.37.201 | Пружина фиксатора вала отбора мощности | |
| 161 | БНП-М10х25 | Болт | |
| 162 | ШП-10Н | Шайба пружинная | |
| 163 | Т16.37.207-1 | Прокладка крышки | |
| 164 | Ш-3,2х25 | Шплинт | |
| 165 | Т16.37.204 | Направляющая вилки | |
| 166 | Т16.37.206-1 | Крышка вала отбора мощности | |
| 167 | Т16.37.215 | Муфта зубчатая | |
| 168 | Т36.37.209 | Кольцо | |
| 169 | ГПЗ-64805 | Роликоподшипник без колец | |
| 170 | Т16.37.197-А | Шестерня привода вала отбора мощности | |
| 171 | ДСШ14.57.105-1 | Упорное кольцо | |
| 172 | ГПЗ-304К | Шарикоподшипник | |
| 173 | Д16.03.114 | Кольцо стопорное | |
| 174 | ДСШ14.37.148 | Кольцо уплотнительное | |
| 175 | ДСШ14.57.107-1А | Крышка подшипника вала отбора мощности | |
| 176 | шп-8н | Шайба пружинная | |
| 177 | БНП-М8х25 | Болт | |
| 178 | Т16.37.198-А | Вал отбора мощности | |
| 179 | БНП-М8х16 | Болт | |
| 180 | шп-8н | Шайба пружинная | |
| 181 | 7.37.140 | Колпак | |
| 182 | Т16.37.199 | Гнездо подшипника вала отбора мощности | |
| 183 | БНП-М10х30 | Болт | |
| 184 | ШП-10Н | Шайба пружинная | |
| 185 | Т16.37.200 | Прокладка гнезда подшипника вала отбора мощности | |
| 186 | Т16.37.196 | Уплотнение войлочное | |
| 187 | АСК-38-58-9 | Сальник каркасный | |
| 188 | Т16.37.195 | Стопорное кольцо подшипника | |
| 189 | ГПЗ-208 | Шарикоподшипник | |
| 190 | СШ20.37.123 | Кольцо ВЭ-80 |
Содержащиеся в справочниках-каталогах запасные части и детали не предлагаются к продаже, а носят исключительно информационный характер