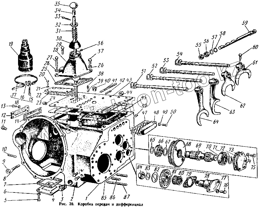
Каталог запасных частей к технике: ХЗТСШ Т-16М. Коробка передач и дифференциал
1
2
3
4
5
6
7
8
9
10
11
12
13
14
15
16
17
18
19
20
21
22
23
24
25
26
26
27
28
29
30
31
32
33
34
35
36
37
38
39
40
41
42
43
44
45
46
47
48
49
50
51
52
53
54
55
56
57
58
59
60
61
62
63
64
65
66
67
68
69
70
71
72
73
74
75
76
77
78
79
80
81
82
83
84
85
86
87
| Позиция на иллюстрации | Заводской номер детали | Название детали | |
|---|---|---|---|
| Т16.37.240 | Т16.37.240 | Кольцо компенсирующее | |
| БНПс-М10х25 | БНПс-М10х25 | Болт | |
| ШШ-19 | ШШ-19 | Шайба штампованная | |
| ПК-1/2" | ПК-1/2" | Пробка резьбовая коническая | |
| Т16.37.139 | Т16.37.139 | Корпус дифференциала | |
| Т16.37.238 | Т16.37.238 | Ось рычага | |
| 1 | СШ20.37.101 | Корпус трансмиссии | |
| 2 | ПРГ-1/4" | Пробка с квадратной головкой | |
| 3 | 54.38.028-1 | Пробка спускная магнитная в сборе | |
| 4 | ДСШ14.37.185-1 | Крышка корпуса трансмиссии нижняя | |
| 5 | БНП-М8х20 | Болт | |
| 6 | шп-8н | Шайба пружинная | |
| 7 | ДСШ14.37.188-1 | Прокладка нижней крышки | |
| 8 | ШНЧ-М12х40-ТО | Шпилька | |
| 9 | ГПШ-М12 | Гайка | |
| 10 | ШНЧ-М12х35-ТО | Шпилька | |
| 11 | БНП-М10х20 | Болт | |
| 12 | ДСШ14.37.151-1А | Крышка | |
| 13 | БНП-М10х20 | Болт | |
| 14 | ДСШ14.37.152 | Прокладка крышки | |
| 15 | Ш-5х28 | Шплинт | |
| 16 | Д16.11.153 | Серьга хомутика | |
| 17 | ДВСШ16.37.203 | Лента хомутика | |
| 18 | ДВСШ16.37.025 | Хомут в сборе | |
| 19 | 54.37.489 | Чехол | |
| 20 | БНП-М10х20 | Болт | |
| 21 | ШП-10Н | Шайба пружинная | |
| 22 | СШ20.37.212 | Крышка верхнего люка | |
| 23 | СШ20.37.213 | Прокладка крышки люка | |
| 24 | ШЦ2-10х20 | Штифт цилиндрический | |
| 25 | Т16.37.183 | Прокладка колонки | |
| 26 | ШП-12Н | Шайба пружинная | |
| 27 | Т16.37.231 | Винт установочный | |
| 28 | Т16.37.182 | Колонка рычага переключения передач | |
| 29 | БНП-М12х40 | Болт | |
| 30 | А37-63 | Колпачок | |
| 31 | 54.37.462 | Пружина колпачка | |
| 32 | ДСШ14.37.195 | Шайба | |
| 33 | Ш-6,3х40 | Шплинт | |
| 34 | Т16.37.184 | Рычаг переключения передач | |
| 35 | А37-59А | Рукоятка рычага переключения скоростей | |
| 36 | А37-65 | Штифт | |
| 37 | БНП-М12х25 | Болт | |
| 38 | Т24.1702148 | Пружина фиксатора | |
| 39 | БV15,081 | Шарик | |
| 40 | 7.37.028 | Пробка заливная в сборе | |
| 41 | ШНЧ-М8х75 | Шпилька | |
| 42 | ШНЧ-М8х25 | Шпилька | |
| 43 | СШ20.37.050 | Крышка корпуса трансмиссии в сборе | |
| 44 | ГПШ-М8 | Гайка | |
| 45 | Т16.37.181-1 | Прокладка крышки корпуса трансмиссии | |
| 46 | ШЦ2-10х28 | Штифт цилиндрический | |
| 47 | ДСШ14.37.144 | Прокладка крышки валиков | |
| 48 | Т16.37.179 | Крышка валиков правая | |
| 49 | ШП-10Н | Шайба пружинная | |
| 50 | БНП-М10х25 | Болт | |
| 51 | Т16.37.174 | Валик переключения первой и дополнительной передач | |
| 52 | Т16.37.173 | Валик переключения заднего хода и четвертой передачи | |
| 53 | Т16.37.172 | Валик переключения второй и третьей передач | |
| 54 | Т36.37.171 | Валик переключения пятой и шестой передач | |
| 55 | Т16.37.187 | Корпус сальника | |
| 56 | Т16.37.188 | Сальник войлочный | |
| 57 | ШШ-15 | Шайба штампованная | |
| 58 | Т16.37.255 | Кольцо уплотнительное | |
| 59 | Т16.37.225-1 | Валик блокировки | |
| 60 | ДСШ14.37.138 | Винт вилок установочный | |
| 61 | СШ20.37.175 | Вилка переключения пятой и шестой передач | |
| 62 | Т16.37.176 | Вилка переключения второй и третьей передач | |
| 63 | Т16.37.177 | Вилка переключения четвертой передачи и заднего хода | |
| 64 | Т16.37.178 | Вилка переключения первой и дополнительной передач | |
| 65 | Т16.37.128 | Кольцо | |
| 66 | ГПЗ-205 | Шарикоподшипник | |
| 67 | Т16.37.130 | Кольцо упорное | |
| 68 | Т16.37.131-А | Блок шестерен заднего хода | |
| 69 | Т16.37.127 | Ось блока шестерен | |
| 70 | ГПЗ-305 | Шарикоподшипник | |
| 71 | Д16.03.114 | Кольцо стопорное | |
| 72 | Т16.37.133 | Прокладка крышки | |
| 73 | Т16.37.132 | Крышка блока шестерен | |
| 74 | ШП-10Н | Шайба пружинная | |
| 75 | БНП-М10х25 | Болт | |
| 76 | БНП-М10х35 | Болт | |
| 77 | ШП-10Н | Шайба пружинная | |
| 78 | Т16.37.134 | Ось промежуточной шестерни дополнительной передачи | |
| 79 | Т16.37.137 | Прокладка | |
| 80 | ГПЗ-64805 | Роликоподшипник без колец | |
| 81 | Т16.37.136-А | Шестерня дополнительной передачи (промежуточная) | |
| 82 | Т16.37.135 | Шайба упорная | |
| 83 | ДСШ14.37.120 | Шайба стопорная | |
| 84 | ГПШ-М18х1,5 | Гайка | |
| 85 | ШНЧ-М12х40-ТО | Шпилька | |
| 86 | ШНЧ-М12х35-ТО | Шпилька | |
| 87 | ШНЧ-М12х110-ТО | Шпилька |
Содержащиеся в справочниках-каталогах запасные части и детали не предлагаются к продаже, а носят исключительно информационный характер