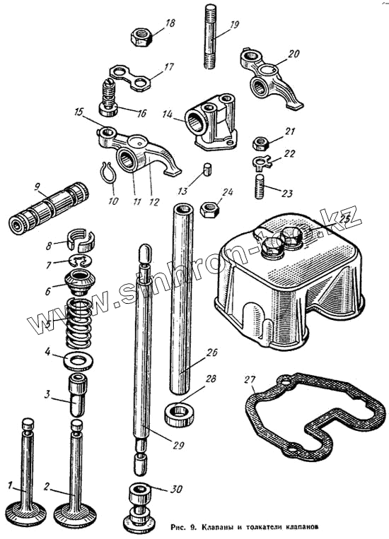
Каталог запасных частей к технике: ХЗТСШ Т-16М. Клапаны и толкатели клапанов
1
2
3
4
5
6
7
8
9
10
11
12
13
14
15
16
17
18
19
20
21
22
23
24
25
26
27
28
29
30
| Позиция на иллюстрации | Заводской номер детали | Название детали | |
|---|---|---|---|
| Д37М-1007210-А | Д37М-1007210-А | Коромысло клапана правое с втулкой и заглушкой в сборе | |
| Д37М-1007220-А | Д37М-1007220-А | Коромысло клапана левое с втулкой и заглушкой в сборе | |
| Д37Е-1007325-Б | Д37Е-1007325-Б | Штанга толкателя клапана | |
| Д37М-1007102 | Д37М-1007102 | Ось коромысел | |
| Д37Е-1007080-Б | Д37Е-1007080-Б | Коромысло со втулкой в сборе | |
| Д37Е-1007200-Б | Д37Е-1007200-Б | Коромысло клапана правое с втулкой, заглушкой и регулировочным винтом в сборе | |
| 1 | Д37М-1007014-В1 | Клапан впускной | |
| 2 | Д37М-1007015-В | Клапан выпускной | |
| 3 | Д37М-1007033 | Втулка направляющая клапанов | |
| 4 | Д30-1007109 | Шайба пружины клапана | |
| 5 | Д37М-1007045-А4 | Пружина клапана | |
| 6 | Д37М-1007048-А | Тарелка пружины клапана | |
| 7 | Д37М-1007049 | Кольцо упорное | |
| 8 | Д30-1007053-А | Сухарь разрезной клапана | |
| 9 | Д37М-1007100 | Ось коромысел в сборе | |
| 10 | Д30-1007108 | Кольцо упорное | |
| 11 | Д37М-1007215-А | Втулка коромысла клапана | |
| 12 | Д37М-1007212-А | Коромысло клапана правое | |
| 13 | Д30-1007494 | Штифт стойки | |
| 14 | Д37М-1007151 | Стойка оси коромысел | |
| 15 | Д37М-1007118 | Заглушка коромысла | |
| 16 | Д37Е-1007275-Б1 | Винт регулировочный коромысла клапана | |
| 17 | Д37М-1007276 | Шайба замковая | |
| 18 | Д30-1007278 | Гайка винта регулировочного | |
| 19 | Д37М-1007188 | Шпилька стойки коромысел | |
| 20 | Д37М-1007213-А | Коромысло клапана левое | |
| 21 | Д37А-1008127-Б | Гайка | |
| 22 | Д37М-1002176 | Шайба стопорная | |
| 23 | Д37М-1007157 | Шпилька малая стойки коромысел | |
| 24 | Д30-1007198 | Гайка специальная | |
| 25 | Д37М-1007400-Б | Крышка клапанов в сборе | |
| 26 | Д37Е-1007393 | Кожух штанги | |
| 27 | Д37М-1007420-А | Прокладка крышки клапана в сборе | |
| 28 | Д30-1007399 | Кольцо уплотнительное | |
| 29 | Д37Е-1007320 | Штанга толкателя в сборе | |
| 30 | Д37Е-1007375 | Толкатель клапана |
Содержащиеся в справочниках-каталогах запасные части и детали не предлагаются к продаже, а носят исключительно информационный характер