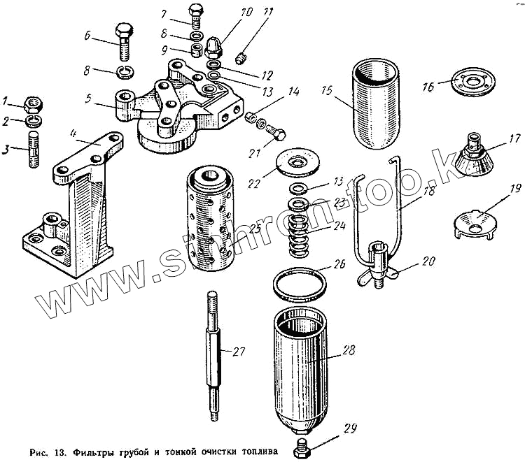
Каталог запасных частей к технике: ХЗТСШ Т-16М. Фильтры грубой и тонкой очистки топлива
1
2
3
4
5
6
7
8
8
9
10
11
12
13
13
14
15
16
17
18
19
20
21
22
23
24
25
26
27
28
29
| Позиция на иллюстрации | Заводской номер детали | Название детали | |
|---|---|---|---|
| Д21-1100100 | Д21-1100100 | Фильтры топлива в сборе | |
| 1 | ГПШ-М10 | Гайка | |
| 2 | ШП-10Н | Шайба пружинная | |
| 3 | Д22-1117546 | Шпилька | |
| 4 | Д22-1117428 | Кронштейн фильтра | |
| 5 | Д21-1117025 | Корпус фильтров | |
| 6 | БНП-М10х45 | Болт | |
| 7 | Д21-1117245 | Болт | |
| 8 | Д30-1104352 | Прокладка | |
| 9 | 14-38129 | Втулка защитная | |
| 10 | Д37М-1117294-А | Гайка глухая | |
| 11 | ПК-1/8" | Пробка коническая шестигранная | |
| 12 | СМД7-1539-А | Прокладка | |
| 13 | Д30-1117125 | Кольцо уплотнительное | |
| 14 | 119-85-А | Втулка защитная | |
| 15 | 36-1105066 | Колпак фильтра грубой очистки | |
| 16 | Д37М-1105087 | Шайба направляющая | |
| 17 | Д37М-1105080 | Элемент фильтрующий грубой очистки в сборе | |
| 18 | 36-1105060 | Дужка в сборе | |
| 19 | Д37М-1105086 | Успокоитель | |
| 20 | ГБ-М10 | Гайка-барашек | |
| 21 | Д18-051 | Болт | |
| 22 | Д37М-1117128-А | Шайба | |
| 23 | Д30-1117126 | Шайба поджимная | |
| 24 | Д18-110-А2 | Пружина | |
| 25 | 50-1117030 | Элемент фильтрующий в сборе | |
| 26 | Д30-1117049 | Прокладка | |
| 27 | Д37М-1117124-А | Стержень | |
| 28 | Д21-1117160-Д | Колпак фильтра тонкой очистки в сборе | |
| 29 | Н-5889 | Пробка |
Содержащиеся в справочниках-каталогах запасные части и детали не предлагаются к продаже, а носят исключительно информационный характер