Каталог запасных частей к технике: ХЗТСШ Т-16М. Электрооборудование и приборы
1
2
3
4
5
6
7
8
9
10
11
12
13
14
15
16
17
18
19
20
21
22
23
24
25
26
27
28
29
30
31
32
33
34
35
36
37
38
39
40
41
42
43
44
| Позиция на иллюстрации | Заводской номер детали | Название детали | |
|---|---|---|---|
| 14.48.260 | 14.48.260 | Амортизатор | |
| ЗТСТ-135ПМС | ЗТСТ-135ПМС | Батарея аккумуляторная | |
| ПР-32В2 | ПР-32В2 | Блок предохранительный | |
| БНП-М12х40 | БНП-М12х40 | Болт | |
| БНП-М6х40 | БНП-М6х40 | Болт | |
| БНП-М8х20 | БНП-М8х20 | Болт | |
| БНП-М8х25 | БНП-М8х25 | Болт | |
| БНП-М8х30 | БНП-М8х30 | Болт | |
| БНП-М8х35 | БНП-М8х35 | Болт | |
| СШ20.48.205 | СШ20.48.205 | Верхняя часть кожуха | |
| В2-М4х12 | В2-М4х12 | Винт | |
| В2-М5х12 | В2-М5х12 | Винт | |
| В2-М5х18 | В2-М5х18 | Винт | |
| В2-М6х10 | В2-М6х10 | Винт | |
| В2-М6х16 | В2-М6х16 | Винт | |
| В2-М6х22 | В2-М6х22 | Винт | |
| В2-М6х35 | В2-М6х35 | Винт | |
| В4-М3х26 | В4-М3х26 | Винт | |
| В2-М6х22-П10 | В2-М6х22-П10 | Винт луженый | |
| Т16.48.219 | Т16.48.219 | Втулка | |
| Т16.48.222 | Т16.48.222 | Втулка | |
| СШ20.48.218 | СШ20.48.218 | Втулка изоляционная | |
| Г-М3 | Г-М3 | Гайка | |
| Г-М4 | Г-М4 | Гайка | |
| Г-М5 | Г-М5 | Гайка | |
| ГПШ-М10 | ГПШ-М10 | Гайка | |
| ГПШ-М6 | ГПШ-М6 | Гайка | |
| ГПШ-М8 | ГПШ-М8 | Гайка | |
| ГПШ-М8-П10 | ГПШ-М8-П10 | Гайка луженая | |
| ГБ-М6 | ГБ-М6 | Гайка-барашек | |
| ЗТ2-4х8 | ЗТ2-4х8 | Заклепка трубчатая с плоской головкой | |
| Т16.48.228 | Т16.48.228 | Колпачок прижимной | |
| СШ20.48.125 | СШ20.48.125 | Кронштейн фары правый | |
| СШ20.48.203 | СШ20.48.203 | Крышка боковая | |
| СШ20.48.204 | СШ20.48.204 | Крышка верхняя | |
| СШ20.48.206 | СШ20.48.206 | Крышка нижняя | |
| СШ20.48.120 | СШ20.48.120 | Крышка щитка | |
| А12-1 | А12-1 | Лампа 12 в, 1 св | |
| А12-15 | А12-15 | Лампа 12 в, 15 св | |
| А12-3 | А12-3 | Лампа 12 в, 3 св | |
| А12-32+4 | А12-32+4 | Лампа 12 в, 32+4 св | |
| А12-50+21 | А12-50+21 | Лампа 12 в, 50+21 св | |
| ЛК-73-И | ЛК-73-И | Лампа контрольная | |
| Т16.48.223 | Т16.48.223 | Лента монтажная | |
| 14.48.137 | 14.48.137 | Наконечник изоляционный | |
| СШ20.48.040 | СШ20.48.040 | Опора аккумуляторов в сборе | |
| СШ20.48.057 | СШ20.48.057 | Подставка аккумуляторов в сборе | |
| ПР-3 | ПР-3 | Предохранитель | |
| СШ20.48.404 | СШ20.48.404 | Провод | |
| СШ20.48.407 | СШ20.48.407 | Провод | |
| СШ20.48.408 | СШ20.48.408 | Провод | |
| СШ20.48.409 | СШ20.48.409 | Провод | |
| СШ20.48.410-1 | СШ20.48.410-1 | Провод | |
| СШ20.48.411 | СШ20.48.411 | Провод | |
| СШ20.48.413 | СШ20.48.413 | Провод | |
| СШ20.48.414 | СШ20.48.414 | Провод | |
| СШ20.48.415 | СШ20.48.415 | Провод | |
| СШ20.48.416 | СШ20.48.416 | Провод | |
| СШ20.48.117-1 | СШ20.48.117-1 | Прокладка | |
| СШ20.48.105 | СШ20.48.105 | Прокладка заднего фонаря | |
| ДСШ14.46.106 | ДСШ14.46.106 | Прокладка под бак | |
| СШ20.48.124 | СШ20.48.124 | Скоба | |
| СШ20.48.209 | СШ20.48.209 | Скоба | |
| Т16.48.169-1 | Т16.48.169-1 | Скоба | |
| СШ20.48.107 | СШ20.48.107 | Стержень крепления аккумуляторов | |
| СШ20.48.042 | СШ20.48.042 | Трубка к масляному манометру в сборе | |
| Т16.48.106 | Т16.48.106 | Шайба | |
| ШП-10Н | ШП-10Н | Шайба пружинная | |
| ШП-12Н | ШП-12Н | Шайба пружинная | |
| ШП-3Н | ШП-3Н | Шайба пружинная | |
| ШП-4Н | ШП-4Н | Шайба пружинная | |
| ШП-5Н | ШП-5Н | Шайба пружинная | |
| ШП-6Н | ШП-6Н | Шайба пружинная | |
| ШП-8Н | ШП-8Н | Шайба пружинная | |
| ШШ-4,5 | ШШ-4,5 | Шайба штампованная | |
| ШШ-5 | ШШ-5 | Шайба штампованная | |
| ШШ-7 | ШШ-7 | Шайба штампованная | |
| ШШ-9 | ШШ-9 | Шайба штампованная | |
| ШШ-4,5-П10 | ШШ-4,5-П10 | Шайба штампованная луженая | |
| ШШ-7-П10 | ШШ-7-П10 | Шайба штампованная луженая | |
| ШШ-9-П10 | ШШ-9-П10 | Шайба штампованная луженая | |
| СШ20.48.223 | СШ20.48.223 | Щиток защитный | |
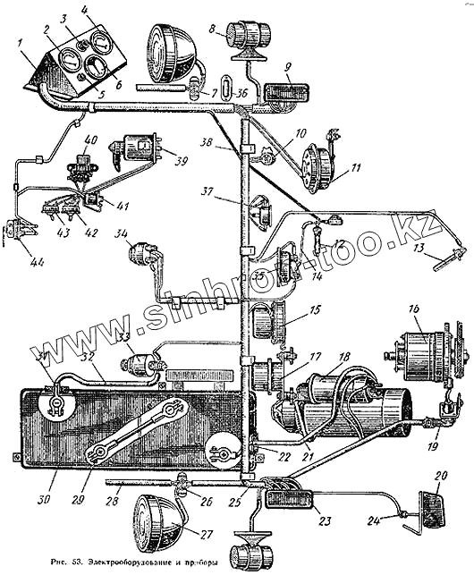
| 1 | СШ20.48.070 | Щиток приборов в сборе | |
| 2 | УК-133 | Указатель температуры масла | |
| 3 | ПД-51 | Контрольный элемент | |
| 4 | МД-219 | Манометр масла | |
| 5 | ПД-20Д | Контрольная лампа | |
| 6 | АП-200 | Амперметр | |
| 7 | ПС4-А2 | Панель соединительная | |
| 8 | ФП-201А2 | Фонарь тракторный двусторонний | |
| 9 | СШ20.48.242-А | Кожух панели | |
| 10 | 47-К | Розетка штепсельная | |
| 11 | С-44Г | Сигнал звуковой | |
| 12 | СН-150 | Свеча накаливания | |
| 13 | ТМ-100 | Датчик указателя температуры масла | |
| 14 | СШ20.48.412 | Провод | |
| 15 | РБ-1 | Реле блокировки | |
| 16 | Г-302-Б | Генератор переменного тока | |
| 17 | РР-362-Б | Реле-регулятор | |
| 18 | СТ-222 | Стартер 12 в | |
| 19 | ШР-20У9НШ8 | Вставка штепсельного разъема | |
| 20 | ФП-200А | Фонарь освещения номерного знака | |
| 21 | СШ20.48.403 | Провод | |
| 22 | 14.48.245 | Втулка изоляционная | |
| 23 | ПС2-А2 | Панель соединительная | |
| 24 | 14.48.243 | Втулка изоляционная | |
| 25 | СШ20.48.075 | Пучок проводов | |
| 26 | ПС4-А2 | Панель соединительная | |
| 27 | ФГ-305 | Фара тракторная | |
| 28 | СШ20.48.074 | Пучок проводов | |
| 29 | СШ20.48.402 | Перемычка | |
| 30 | СШ20.48.022 | Крышка аккумуляторов в сборе | |
| 31 | 14.48.245 | Втулка изоляционная | |
| 32 | СШ20.48.401-1 | Провод | |
| 33 | ВК-318-Б | Выключатель массы | |
| 34 | ВК-316-Б | Включатель свечи накаливания и стартера | |
| 35 | СЭ-52 | Добавочное сопротивление 0,03 ом | |
| 36 | СШ20.48.241 | Кожух панели | |
| 37 | РС-502 | Реле стартера | |
| 38 | СШ20.48.035 | Трубка к масляному манометру в сборе | |
| 39 | П-118 | Переключатель | |
| 40 | РС-410-Б | Реле-прерыватель света | |
| 41 | ВК-34 | Выключатель | |
| 42 | П-57 | Переключатель | |
| 43 | ВК-57 | Выключатель | |
| 44 | ВК-10-Б | Включатель Стоп |
Содержащиеся в справочниках-каталогах запасные части и детали не предлагаются к продаже, а носят исключительно информационный характер