Каталог запасных частей к технике: ХТЗ Т-25Ф. Моторно-трансмиссионный блок 25Ф.00.002
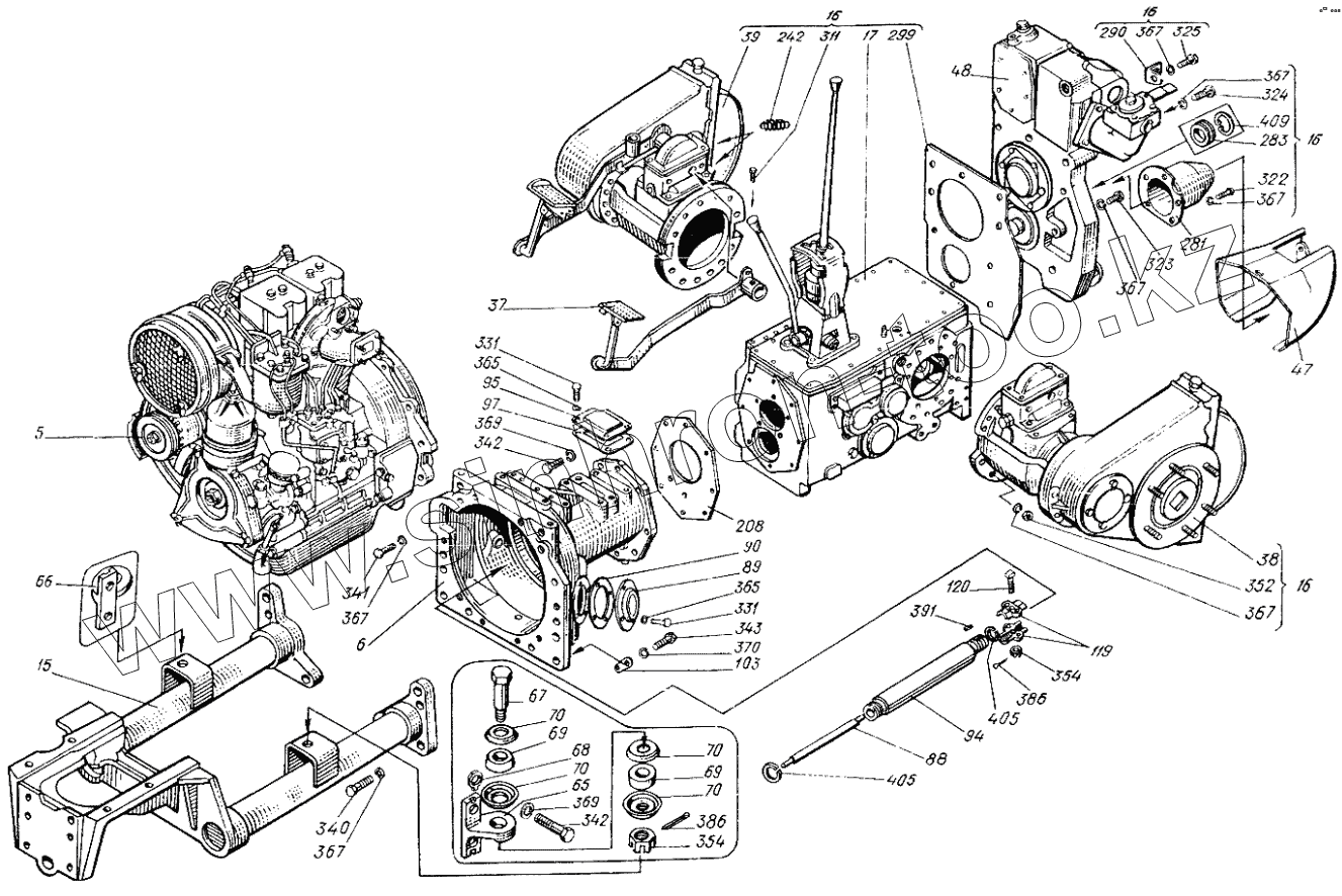
5
5
6
6
15
15
16
16
16
16
16
16
16
17
17
37
37
38
38
39
39
47
47
48
48
65
65
66
66
67
67
68
68
69
69
69
69
70
70
70
70
70
70
70
70
88
88
89
89
90
90
94
94
95
95
97
97
103
103
119
119
120
120
208
208
242
242
281
281
283
283
290
290
299
299
311
311
322
322
323
323
324
324
325
325
325
331
331
331
331
340
340
341
341
342
342
342
342
343
343
352
352
354
354
354
354
365
365
365
365
367
367
367
367
367
367
367
367
367
367
367
367
367
367
367
369
369
369
369
369
370
370
386
386
386
386
391
391
405
405
405
405
409
| Позиция на иллюстрации | Заводской номер детали | Название детали | |
|---|---|---|---|
| 5 | 25Ф.01.010-1 | Двигатель | |
| 5 | 25Ф.01.010-1 | Двигатель | |
| 6 | 25Ф.21.010 | Муфта сцепления | |
| 6 | 25Ф.21.010 | Муфта сцепления | |
| 15 | 25Ф.30.011 | Полурама | |
| 15 | 25Ф.30.011 | Полурама | |
| 16 | 25Ф.37.002 | Трансмиссия | |
| 16 | 25ФМ.37.002 | Трансмиссия | |
| 17 | 25Ф.37.010 | Коробка передач | |
| 17 | 25ФМ.37.010 | Коробка передач | |
| 37 | 25Ф.38.022 | Педаль левая | |
| 37 | 25Ф.38.012 | Педаль левая | |
| 38 | 25Ф.39.002 | Редуктор бортовой с тормозами | |
| 38 | 25Ф.39.002 | Редуктор бортовой с тормозами | |
| 39 | 25Ф.39.002-01 | Редуктор бортовой с тормозами | |
| 39 | 25Ф.39.002-01 | Редуктор бортовой с тормозами | |
| 47 | 25Ф.41.023 | Кожух | |
| 47 | 25Ф.41.023 | Кожух | |
| 48 | 25Ф.57.010 | Корпус гидромеханизма | |
| 48 | 25ФМ.57.010 | Корпус гидромеханизма | |
| 65 | 25Ф.01.102 | Опора | |
| 65 | 25Ф.01.102 | Опора | |
| 66 | 25Ф.01.103 | Опора | |
| 66 | 25Ф.01.103 | Опора | |
| 67 | 25Ф.01.104 | Болт | |
| 67 | 25Ф.01.104 | Болт | |
| 68 | 25Ф.01.105 | Шайба | |
| 68 | 25Ф.01.105 | Шайба | |
| 69 | 25Ф.01.111 | Подушка | |
| 69 | 25Ф.01.111 | Подушка | |
| 70 | 25Ф.01.112 | Обойма | |
| 70 | 25Ф.01.112 | Обойма | |
| 88 | 25Ф.21.131 | Вал | |
| 88 | 25Ф.21.131 | Вал | |
| 89 | 25Ф.21.133 | Крышка | |
| 89 | 25Ф.21.133 | Крышка | |
| 90 | 25Ф.21.134 | Прокладка | |
| 90 | 25Ф.21.134 | Прокладка | |
| 94 | 25Ф.21.142 | Поводок | |
| 94 | 25Ф.21.142 | Поводок | |
| 95 | 25Ф.21.143 | Крышка | |
| 95 | 25Ф.21.143 | Крышка | |
| 97 | 25Ф.21.147 | Прокладка | |
| 97 | 25Ф.21.147 | Прокладка | |
| 103 | 25Ф.21.212-1 | Зацеп | |
| 103 | 25Ф.21.212-1 | Зацеп | |
| 119 | 25Ф.36.101 | Боковина муфты | |
| 119 | 25Ф.36.101 | Боковина муфты | |
| 120 | 25Ф.36.102 | Болт | |
| 120 | 25Ф.36.102 | Болт | |
| 208 | 25Ф.37.235 | Прокладка | |
| 208 | 25Ф.37.235 | Прокладка | |
| 242 | 25Ф.38.115 | Пружина | |
| 242 | 25Ф.38.115 | Пружина | |
| 281 | 25Ф.41.110 | Колпак | |
| 281 | 25Ф.41.110 | Колпак | |
| 283 | 25Ф.41.112 | Втулка центрирующая | |
| 283 | 25Ф.41.112 | Втулка центрирующая | |
| 290 | 25Ф.54.141 | Кронштейн | |
| 290 | 25Ф.54.141 | Кронштейн | |
| 299 | 25Ф.57.217 | Прокладка | |
| 299 | 25Ф.57.217 | Прокладка | |
| 311 | 125.37.299-01-10 | Болт стопорный | |
| 311 | 125.37.299-01-10 | Болт стопорный | |
| 322 | [Болт M12-6gх45.88.35.019 ГОСТ7795-70] | Болт M12-6gх45.88.35.019 ГОСТ7795-70 | |
| 322 | [Болт М12-6gх45.88.35.019 ГОСТ7795-70] | Болт М12-6gх45.88.35.019 ГОСТ7795-70 | |
| 323 | [Болт M12-6gх55.88.35.019 ГОСТ7795-70] | Болт M12-6gх55.88.35.019 ГОСТ7795-70 | |
| 323 | [Болт М12-6gх55.88.35.019 ГОСТ7795-70] | Болт М12-6gх55.88.35.019 ГОСТ7795-70 | |
| 324 | [Болт М12-6gх85.88.35.019 ГОСТ7795-70] | Болт М12-6gх85.88.35.019 ГОСТ7795-70 | |
| 324 | [Болт М12-6gх85.88.35.019 ГОСТ7795-70] | Болт М12-6gх85.88.35.019 ГОСТ7795-70 | |
| 325 | [Болт М12-6gх120.88.35.019 ГОСТ7795-70] | Болт М12-6gх120.88.35.019 ГОСТ7795-70 | |
| 325 | [Болт М12-6gх120.88.35.019 ГОСТ7795-70] | Болт М12-6gх120.88.35.019 ГОСТ7795-70 | |
| 325 | [Болт М12-6gх120.88.35.019 ГОСТ7795-70] | Болт М12-6gх120.88.35.019 ГОСТ7795-70 | |
| 331 | [Болт М10-6gх16.88.35.019 ГОСТ7796-70] | Болт М10-6gх16.88.35.019 ГОСТ7796-70 | |
| 331 | [Болт М10-6gх16.88.35.019 ГОСТ7796-70] | Болт М10-6gх16.88.35.019 ГОСТ7796-70 | |
| 340 | [Болт М12-6gх40.88.35.019 ГОСТ7796-70] | Болт М12-6gх40.88.35.019 ГОСТ7796-70 | |
| 340 | [Болт М12-6gх40.88.35.019 ГОСТ7796-70] | Болт М12-6gх40.88.35.019 ГОСТ7796-70 | |
| 341 | [Болт М12-6gх45.88.35.019 ГОСТ7796-70] | Болт М12-6gх45.88.35.019 ГОСТ7796-70 | |
| 341 | [Болт М12-6gх45.88.35.019 ГОСТ7796-70] | Болт М12-6gх45.88.35.019 ГОСТ7796-70 | |
| 342 | [Болт М14-6gх40.88.35.019 ГОСТ7796-70] | Болт М14-6gх40.88.35.019 ГОСТ7796-70 | |
| 342 | [Болт М14-6gх40.88.35.019 ГОСТ7796-70] | Болт М14-6gх40.88.35.019 ГОСТ7796-70 | |
| 343 | [Болт М16-6gх55.88.35.019 ГОСТ7796-70] | Болт М16-6gх55.88.35.019 ГОСТ7796-70 | |
| 343 | [Болт М16-6gх55.88.35.019 ГОСТ7796-70] | Болт М16-6gх55.88.35.019 ГОСТ7796-70 | |
| 352 | [Гайка М12х1,25-6Н.6.019 ГОСТ5915-70] | Гайка М12х1,25-6Н.6.019 ГОСТ5915-70 | |
| 352 | [Гайка М12х1,25-6Н.6.019 ГОСТ5915-70] | Гайка М12х1,25-6Н.6.019 ГОСТ5915-70 | |
| 354 | [Гайка М14х1,5-6Н.8.40.019 ГОСТ5932-75] | Гайка М14х1,5-6Н.8.40.019 ГОСТ5932-75 | |
| 354 | [Гайка М14х1,5-6Н.8.40.019ГОСТ5932-75] | Гайка М14х1,5-6Н.8.40.019ГОСТ5932-75 | |
| 365 | [Шайба 10.65Г.05 ГОСТ6402-70] | Шайба 10.65Г.05 ГОСТ6402-70 | |
| 365 | [Шайба 10.65Г.05 ГОСТ6402-70] | Шайба 10.65Г.05 ГОСТ6402-70 | |
| 367 | [Шайба 12Т.65Г.05 ГОСТ6402-70] | Шайба 12Т.65Г.05 ГОСТ6402-70 | |
| 367 | [Шайба 12Т.65Г.05 ГОСТ6402-70] | Шайба 12Т.65Г.05 ГОСТ6402-70 | |
| 369 | [Шайба 14Т.65Г.05 ГОСТ6402-70] | Шайба 14Т.65Г.05 ГОСТ6402-70 | |
| 369 | [Шайба 14Т.65Г.05 ГОСТ6402-70] | Шайба 14Т.65Г.05 ГОСТ6402-70 | |
| 370 | [Шайба 16Т.65Г.05 ГОСТ6402-70] | Шайба 16Т.65Г.05 ГОСТ6402-70 | |
| 370 | [Шайба 16Т.65Г.05 ГОСТ6402-70] | Шайба 16Т.65Г.05 ГОСТ6402-70 | |
| 386 | [Шплинт 3,2х25.016 ГОСТ397-79] | Шплинт 3,2х25.016 ГОСТ397-79 | |
| 386 | [Шплинт 3,2х25.016 ГОСТ397-79] | Шплинт 3,2х25.016 ГОСТ397-79 | |
| 391 | [Шпонка 2-6х6х32 ГОСТ23360-78] | Шпонка 2-6х6х32 ГОСТ23360-78 | |
| 391 | [Шпонка 2-6х6х32 ГОСТ23360-78] | Шпонка 2-6х6х32 ГОСТ23360-78 | |
| 405 | В38 | Кольцо ГОСТ13942-86 | |
| 405 | В38 | Кольцо ГОСТ13942-86 | |
| 409 | В85 | Кольцо ГОСТ13942-86 |
Содержащиеся в справочниках-каталогах запасные части и детали не предлагаются к продаже, а носят исключительно информационный характер