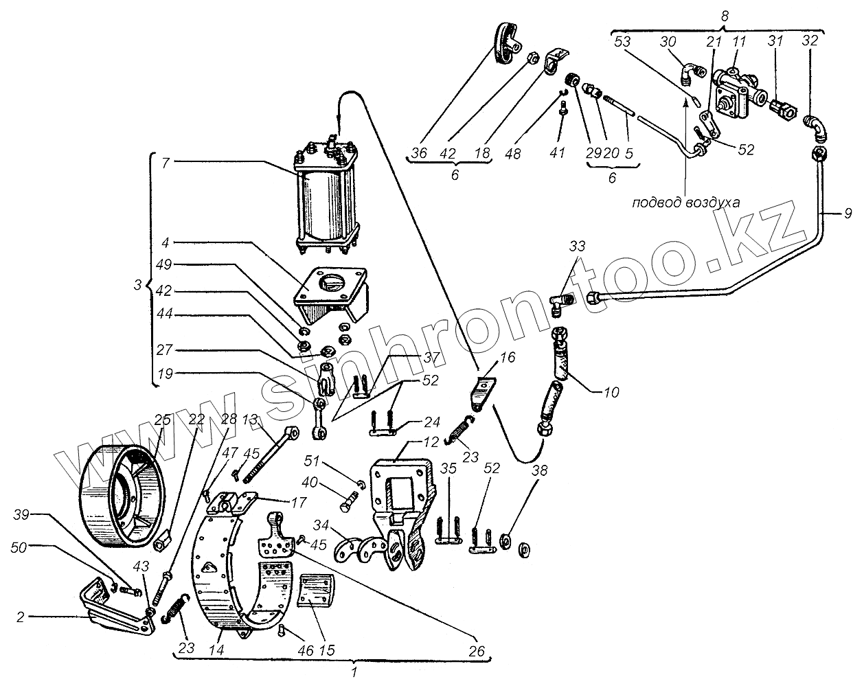
Каталог запасных частей к технике: ХТЗ Т-151К. Привод управления стояночным тормозом
1
2
3
4
5
6
6
7
8
9
10
12
13
14
15
16
17
18
19
20
21
22
23
24
24
25
26
26
27
28
29
30
31
32
33
34
35
36
37
38
39
40
41
42
43
43
44
45
46
46
47
48
49
50
51
52
53
53
53
54
| Позиция на иллюстрации | Заводской номер детали | Название детали | |
|---|---|---|---|
| 1 | 151.46.011-1 | Лента центрального тормоза | |
| 2 | 151.46.014А | Кронштейн | |
| 3 | 151.46.030 | Пневмоаккумулятор | |
| 4 | 151.46.031 | Кронштейн | |
| 5 | 151.46.033 | Тяга | |
| 6 | 151.46.034 | Тяга | |
| 7 | 120.46.018-01 | Пневмоаккумулятор | |
| 8 | 151.41.038-02 | Кран | |
| 9 | 151.64.045-1 | Труба | |
| 10 | 151.64.062 | Трубка | |
| 12 | А29.71.000 | Кран разобщительный | |
| 13 | 151.46.102-2 | Кронштейн центрального тормоза | |
| 14 | 151.46.108 | Тяга ленты | |
| 15 | 151.46.111-1 | Лента | |
| 16 | 151.46.112 | Колодка | |
| 17 | 151.46.115-1 | Кронштейн | |
| 18 | 151.46.124 | Кронштейн | |
| 19 | 151.46.127-2 | Кронштейн | |
| 20 | 151.46.139-2 | Тяга | |
| 21 | 151.46.140-3 | Втулка | |
| 22 | 151.46.145 | Рычаг | |
| 23 | 151.46.234 | Гайка регулировочная | |
| 24 | 5.23.133 | Пружина для оттяжки тормозных лент | |
| 25 | 54.40.440 | Палец | |
| 26 | 125.46.101-1А | Барабан | |
| 27 | 125.46.110 | Ушко ленты | |
| 28 | 150.21.273-2 | Вилка | |
| 29 | 150.23.161 | Болт регулировочный | |
| 30 | 150.48.250-05 | Втулка | |
| 31 | 151.64.151 | Угольник | |
| 32 | 151.64.155-5 | Штуцер | |
| 33 | 151.64.221 | Угольник конечный | |
| 34 | 151.64.222 | Тройник | |
| 35 | А5.23.107-1 | Рычаг тормоза | |
| 36 | А5.23.155 | Палец пружины тормоза | |
| 37 | А13.28.000 | Рукоятка | |
| 38 | А40-18-01 | Палец | |
| 39 | ШШс-14х24х2 | Шайба | |
| 40 | М10х16.7796 | Болт | |
| 41 | М12х45.7796 | Болт | |
| 42 | М6х12.7798 | Болт | |
| 43 | М8.5915 | Гайка | |
| 44 | М10.5915 | Гайка | |
| 45 | М14.5915 | Гайка | |
| 46 | 6х20.10299 | Заклепка | |
| 47 | 4х12.10300 | Заклепка | |
| 48 | 4х20.10300 | Заклепка | |
| 49 | 6 65Г.6402 | Шайба | |
| 50 | 8 65Г.6402 | Шайба | |
| 51 | 10 65Г.6402 | Шайба | |
| 52 | 12 65Г.6402 | Шайба | |
| 53 | 3,2х20.397 | Шплинт | |
| 54 | 3.3х20.3128 | Штифт |
Содержащиеся в справочниках-каталогах запасные части и детали не предлагаются к продаже, а носят исключительно информационный характер