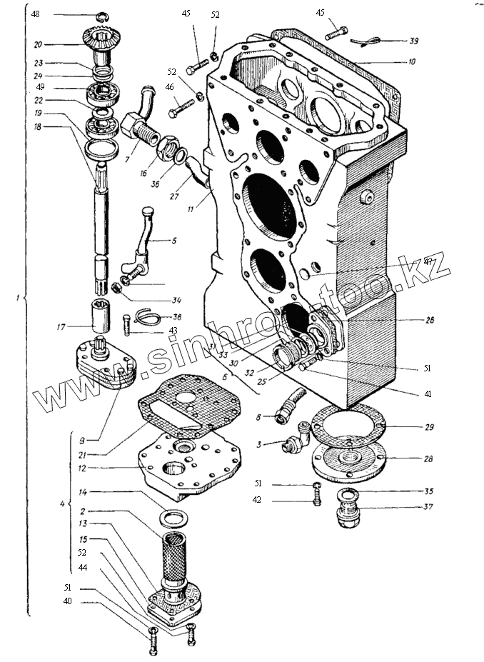
Каталог запасных частей к технике: ХТЗ Т-151К. Коробка передач. Крышка
1
2
3
4
5
6
7
8
9
10
11
12
13
14
15
16
17
18
19
20
21
22
23
24
25
26
27
28
29
30
31
32
33
34
35
36
37
38
39
40
41
42
43
44
45
45
46
47
48
49
51
51
51
52
52
52
| Позиция на иллюстрации | Заводской номер детали | Название детали | |
|---|---|---|---|
| ПММ-4-39 | ПММ-4-39 | Скоба | |
| 151.37.096 | 151.37.096 | Крышка | |
| 1 | 151.37.031-9 | Коробка раздаточная | |
| 2 | 151.37.032-1 | Насос | |
| 3 | 151.37.048-4Б | Каркас заборника | |
| 4 | 151.37.065 | Угольник ввертной в сборе | |
| 5 | 151.37.072-2А | Насос с крышкой | |
| 6 | 151.37.073А | Трубка | |
| 7 | 151.37.074-1А | Окно | |
| 8 | 151.37.079-1 | Штуцер | |
| 9 | КУ-39 | Кольцо уплотняющее | |
| 10 | 150.08.023Б-01 | Шланг | |
| 11 | 151.37.241 | Прокладка корпуса | |
| 12 | 151.37.279 | Крышка | |
| 13 | 151.37.301-5 | Корпус | |
| 14 | 151.37.333-1 | Крышка | |
| 15 | 151.37.343 | Прокладка | |
| 16 | 151.37.346 | Кольцо | |
| 17 | 151.37.347 | Крышка | |
| 18 | 151.37.354 | Гайка | |
| 19 | 151.37.406 | Втулка | |
| 20 | 151.37.407 | Вал привода насоса | |
| 21 | 151.37.436 | Кольцо | |
| 22 | 151.37.483-2 | Шестерня | |
| 23 | 151.37.538-1 | Прокладка | |
| 24 | 151.37.545 | Шайба регулировочная | |
| 25 | 151.37.545-01 | Шайба | |
| 26 | 151.37.548-2 | Крышка | |
| 27 | 151.37.549-1 | Прокладка | |
| 28 | 151.37.561 | Труба слива | |
| 29 | 125.37.330 | Прокладка | |
| 30 | 150.57.181-1 | Стекло смотровое | |
| 31 | 150.57.182-1 | Экран | |
| 32 | 150.57.183 | Гайка | |
| 33 | 150.57.196-1 | Кольцо | |
| 34 | ГПШ-М10х1 | Гайка | |
| 35 | НШ46-0505037 | Кольцо уплотнительное | |
| 36 | ПММ-3-39 | Магнит | |
| 37 | 151.37.540 | Кольцо | |
| 38 | ПЖ-1,6х300 | Проволока | |
| 39 | ПЖ-1,6х640 | Проволока | |
| 40 | М10х65.7795 | Болт | |
| 41 | М10х25.7796 | Болт | |
| 42 | М10х30.7796 | Болт | |
| 43 | 3М12х65.7795 | Болт | |
| 44 | М12х25.7796 | Болт | |
| 45 | М12х40.7796 | Болт | |
| 46 | 3М12х50.7796 | Болт | |
| 47 | 26.3111 | Заглушка | |
| 48 | 1С20.13941 | Кольцо | |
| 49 | 206.8338 | Подшипник | |
| 50 | КГ 3/8' | Пробка | |
| 51 | 10 65Г.6402 | Шайба | |
| 52 | 12 65Г.6402 | Шайба |
Содержащиеся в справочниках-каталогах запасные части и детали не предлагаются к продаже, а носят исключительно информационный характер